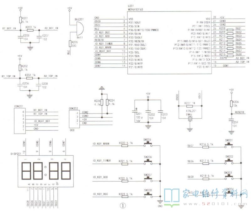
苏泊尔CFXB50FC29智能电饭煲控制电路如图1所示。CFXB40FC29、CFXB30FC29型电饭煲的控制电路与图1相同。

例1、上电开机,机内发出一声“嘀”音,显示屏及指示灯亮一下后熄灭,电源指示灯闪烁。

        首先测量插座CON201的5V供电,如果正常,则问题出在控制板上(也叫灯板或按键板);如果不正常,则检查电源板。CON201中有6根插针,功能分别是GND(地线) +5V(供电)、RLY (电源板继电器控制信号)、X (空脚)TOP(上传感器信号输入)和BOT(下传感器信号输入)。

       检测控制板时,先检测控制板上是否有水渍,如果有,则用吹风机烘干或放在太阳下爆晒。然后检查按键有无漏电或短路现象,值得一提的是 ,电烙铁的高温可能会使按键出现漏电现象,因此,建议采用代换法来判断按键故障。经查,本机按键异常,将按键全部换新后故障排除。

例2、接修一台苏泊尔CFXB50FC29智能电饭煲,故障表现为上电开机,听到“嘀”的一声。某些按键失控。

分析检修:正常时,该机在上电瞬间,显示屏和指示灯会亮一下。上电观察,发现指示灯LED210在上电瞬间仅灯芯处有一点闪烁。拆下LED210目测其灯芯处已发黑,引脚严重锈蚀;测试发现其反向漏电严重。更换LED210后试机,故障排除。
       LED210在上电瞬间仅灯芯处有一点闪烁。拆下LED210目测其灯芯处已发黑,引脚严重锈蚀;测试发现其反向漏电严重。更换LED210后试机,故障排除。

例3:按键失灵。

分析检修:按例1所示方法检测,没有发现异常。上电,测量晶振XTAL201的两侧引脚电压,分别是2.46V、2.28V,正常。接下来检测显示屏,逐一断开显示屏引脚,每断开一脚试一次, 当断开某脚后按键功能恢复正常,则说明问题出在显示屏上,将其换新后故障即可排除。

       提示:在实修时,若断开显示屏某一脚后,按键功能恢复正常,但显示屏可能会缺笔画,若用户接受,也可不换显示屏。

例4:开机后屏显故障代码“E0”或“E1”。

分析检修:该机故障代码“"E0”表示上传感器故障,“E1"表示下传感器故障。代换上、下传感器后故障依旧。接下来检测插座CN201中的TOP端外接元件R202、C206.R204以及CN201中的BOT外接元件R201 .C205.R203均正常。怀疑U201损坏,换新后故障排除。

例5:上电后显示屏和指示灯均不亮,也无“嘀”声,

分析检修:.上电后首先测量电源板输出的5V电压正常,电容C201两端电压也为5V,说明控制板供电正常;接下来检测晶振XTAL201两侧电压,均为2.57V,正常电压分别是2.4V和2.2V。补焊U201后试机,故障依旧。在检测中发现XTAL201表面覆盖了一层“粘得牢”胶水,会不会是该粘胶受潮漏电呢?清除粘胶后试机,故障排除。

      提示:厂家在晶振表面涂了一层胶水,用作保护晶振。这种胶水易吸水受潮,导致晶振引脚间漏电,从而引起U201无法进入正常工作状态,此故障较常见。