接修一只Gululu 智能水杯,放到无线充电底座上时,无线充电底座的待机指示灯熄灭,但水杯的屏幕不亮,也没有任何提示音。揭开杯底的灰色胶垫,拆下固定螺丝,可见无线充电接收板、磁感应线圈、锂电池等元件(如图1所示)。
拔下无线充电接收板与主板的连线,把水杯放在无线充电底座上,测量无线充电接收板的输出电压为5V,说明无线充电接收板输出电压正常。拔下主板上锂电池的连线,测量锂电池插座P+、P-端之间电压为0V,明显异常。拆开电池外部塑料纸,发现电池内置充放电保护板。测量保护板上B+.B-端间电压为2.87V,看来电池的电芯不一定损坏。将无线充电接收板和锂电池的连线都与主板连接好,再把水杯放到无线充电底座.上,测量无线充电接收板的输出电压仍为5V,但锂电池插座P+、P-端之间电压为2.07V,保护板上B+、B-.端之间电压也仍为2.87V,看来主板上的锂电池充电控制电路有问题,使其输出电压只有2.07V,导致锂电池电芯欠充电,锂电池内置充放电保护板起控关断了输出,水杯电路失电不工作。电路框图如图2所示,无线充电接收板的输出电压5V端(A点)与一只6脚芯片的④脚相连,而锂电池的P+端(B点)与芯片⑥脚相连。
从线路走向看,该芯片应是充电控制IC。在路测量该芯片各脚对地阻值无短路现象,怀疑芯片内部功率管劣化导致输出电压偏低。外接一块TP4056锂电池专用充电板试验(A点接TP4056充电板的输入端,B点接TP4056充电板的输出端,TP4056充电板的地接主板地),水杯能自动开机,且屏幕上显示充电进度条,如图3所示。
在充电过程中,测量电池插座P+、P-端及电池保护板上B+.B-端之间电压均在同步上升,看来故障原因是主板上充电芯片损坏。.由于杯内空间有限,于是笔者对TP4056充电电路进行简化(充电电流设为400mA),并飞线连接,如图4所示,上电试机,故障排除。
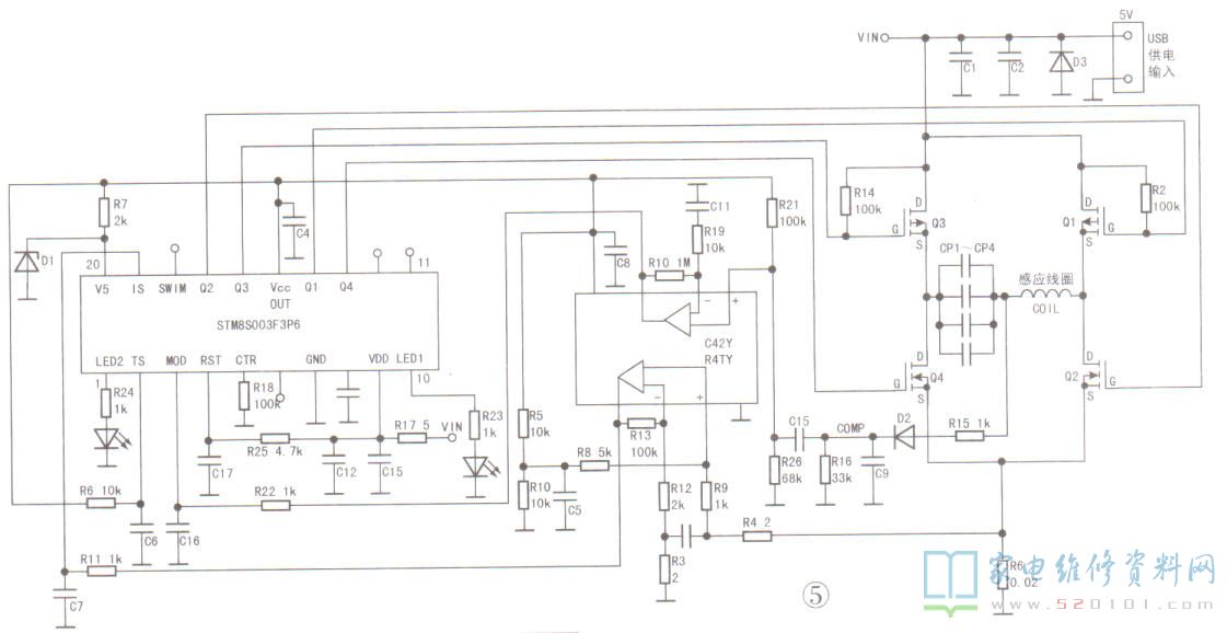
该水杯无线充电底座实绘电路如图5所示,充电底座由芯片STM8S003F3P6控制。该芯片采用四只场效应管Q1~Q4组成全桥电路,在5V低电压情况下提供较大功率输出,以推动感应线圈COIL产生磁场。水杯底部的感应线圈输出感应电压送给无线充电接收板,输出5V电压供给主板。
同时,无线充电接收板电路给水杯底部的感应线圈输出通讯数据,表示电路工作状态。充电底座的感应线圈感应到的数据电压经过运放放大后送给芯片③脚,芯片发出指令:待机LED熄灭,Q1~Q4推动感应线圈产生正常的磁场。电阻R1的压降正比于Q1~Q4的工作电流,此压降经运放放大后送给芯片⑨脚,芯片以此调整Q1~Q4的驱动脉冲脉宽,以稳定感应线圈产生的磁场大小。当水杯中的无线充电接收板的5V电路过流时,芯片③脚检测到这一异常信 号后会发出指令, 待机LED闪烁,并且控制Q1~Q4进入低功率输出状态,以避免电路损坏。

网友评论