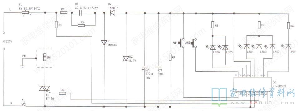
接修一台天际DDZ-7B电炖盅,上电后4个定时设定指示灯轮流点亮闪烁,不加热。为方便维修,特实绘出该电炖盅电路,如图1所示。该机使用的单片机型号为HT48R063,LED1~LED4为定时指示灯,LED5和LED6分别为“炖煮"和“保温”指示灯,按钮AN1和AN2分别是“定时”和“功能”开关。
从故障现象来看,单片机工作状态异常。通电测得稳压管DZ两端电压仅为2.2V,明显偏低,因为单片机的工作电压多为5V。怀疑降压电容c1 容量降低,拆下C1检测,其容量已不足0.1uF。由于笔者手头没有0.47puF/275V的X2安规电容,而同容量的CBB22电容器体积又偏大,难以安装,于是用两只0.22puF/275V的X2安规电容并连代替。焊接好后上电,测得DZ两端电压上升到5V,装机试验,故障排除。

网友评论