一、微波炉电脑板组成部分
1. 电源部分,为电脑板提供12V、5V的直流电压,包括开关电源、整流、稳压部分。
2. 主控芯片,提供电脑板运行主程序。
3. 显示电路,时间、功率、运行状态显示,通常有显示控制芯片。
4. 声音控制电路,按键声、报警声提示。
5. 继电器控制电路,监控微波炉状态。
6. 复位电路,上电复位,主控芯片归零。
7. 晶振电路,提供振荡信号。


二、主要元件参数

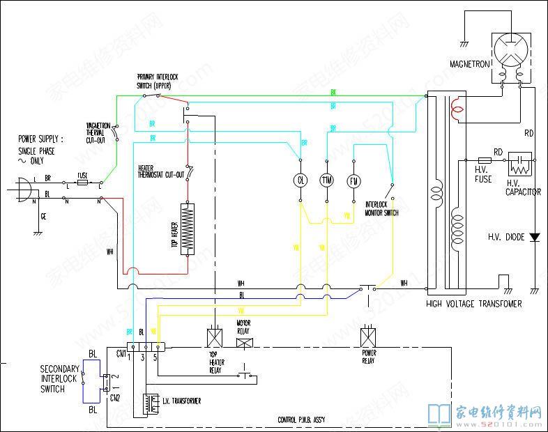
1、继电器
电脑板所用继电器为大容量继电器,触点最大控制容量:5A 250VAC和16A 250VAC两种。

(测量其线圈输入电压,有12V左右输入则为继电器自身故障,测量其输出,触点导通,电阻小则有输出;触点断开,电阻无穷大则无输出。更换继电器;如果没有输入电压,则表示其前一级电源电路中三极管或二极管有故障,一般被击穿或焊点脱落,应该更换或维修。)

2、变压器
采用变压器变压后整流的电脑板一般采用6329系列的变压器,既输入电压220V,输出5V供给电脑板主控芯片和其他控制芯片,和12V电压供给显示和继电器电路;
采用开关电源方式的电脑板一般采用T_EE16-L3.0和T_DZ_BCK19-D1829,输出均也是5V和12V。
3、三极管
继电器电路、整流稳压电路所用的三极管型号是8050系列,显示电路所用的型号为8550系列。


四、故障表现及检修流程
1)、电脑板的主要故障表现
a) 无微波
b) 无烧烤
c) 不通电
d) 显示不良
e) 直通(微波、烧烤同时产生)
f) 不启动
g) 失控(通电所有指示灯轮流闪动,输入没有反应)
h) 灯不亮(开门状态下,炉灯不亮)

五、维修流程

1、无声故障

2、门灯不亮或常亮

3、无烧烤

4、无微波

4、显示不良

5、不通电


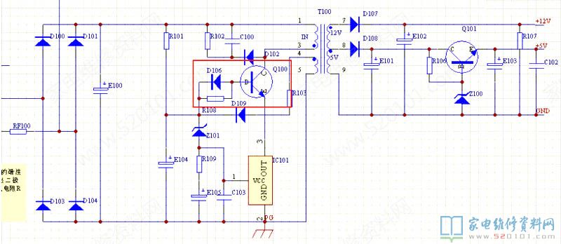
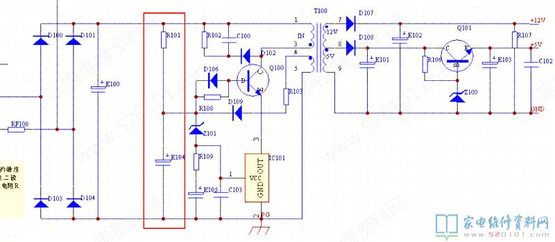
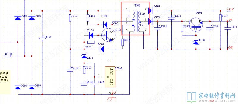
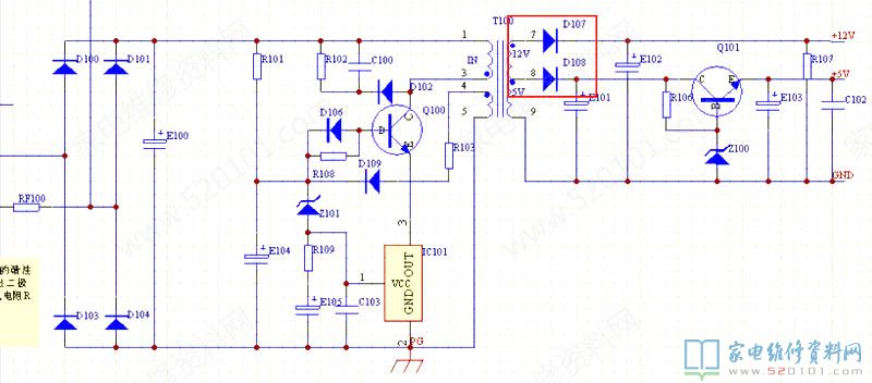
六、内销开关电源电路和各故障点表现(本章节适合美的微波炉)

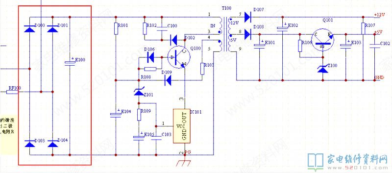
整流滤波部分:一般情况很少损坏,如有损坏则RF100会一起烧断。故障现象:电脑板不通电,开关电源芯片不工作,5V/12V无输出。

RCD吸收部分:一般情况很少损坏,如有损坏则RF100、Q100、IC101可能会一起损坏;输入电压偏低的时候也有可能会正常工作。故障现象:电脑板不通电,开关电源芯片不工作,5V/12V无输出。

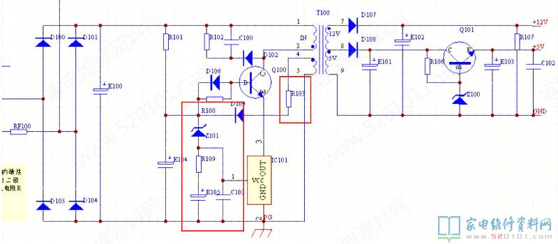
电源启动电路:如有损坏则RF100、Q100、IC101可能会一起损坏;建议:遇有返修机型不管是否损坏都更换R101成1/2W同阻值电阻。故障现象:电脑板不通电,开关电源芯片不工作,5V/12V无输出。

反馈电路:一般情况很少损坏。故障现象:电脑板重复上电,开关电源芯片不工作。

开关控制电路:一般情况很少单独损坏,如有损坏则RF100、IC101可能会一起损坏。故障现象:电脑板不通电,开关电源芯片不工作,5V/12V无输出。

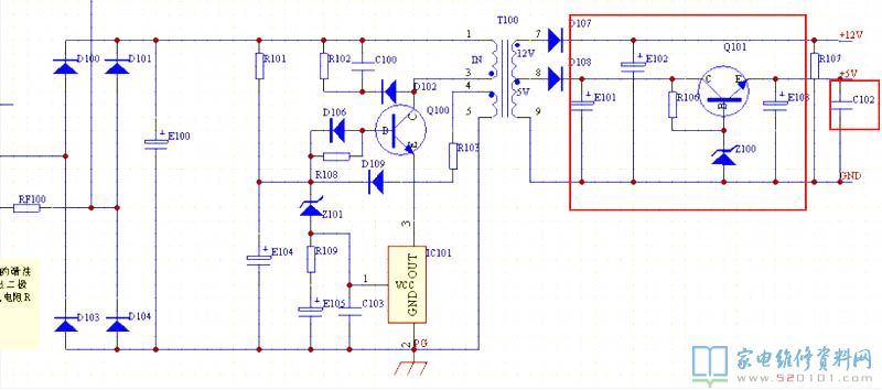
开关变压器:一般情况很少损坏。故障现象:电脑板不通电,开关电源芯片不工作,5V/12V无输出。

输出整流电路:一般情况很少损坏。故障现象:电脑板不通电,5V/12V无输出。

输出滤波电路:一般情况很少损坏。故障现象:电脑板不通电,5V/12V无输出。

12V假负载:防止12V飘高。故障现象:蜂鸣器异响。


七、东芝变频板维修指引


八、维修注意事项

1、通电前,先用万用表测量DB1,IGBT1,IGBT2,D3,D4是否有短路,有短路不能通电,
测量IGBT2时,要把C114短接一下(放电),不然测量不准.
2、 IGBT---E-C极,在线测量,阻值32.2KΩ,超出5%视为不正常.
3、高压二极管---导通电压在4.2V-6V左右,普通万用表无法测量,必须外加电源测试.
4、参考点的选择----零线火线的测量不能选择 或 作为参考点,VCC的测量不能选择 为参考,PWM信号或IB信号不能选择 为参考,PWM信号,用万用表”直流电压档”测量,显示为2.5V左右.IB信号,用万用表”直流电压档”测量,显示为3V左右.
5、变频板工作条件---

(1).AC~220V输入正常
(2).VCC正常(20V-22V,19V以下都不行,通电就可以产生)
(3).PWM调制波正常,(光偶PC1坏时,信号也是无法传给IC1)


九、比较容易损坏的配件

桥堆---DB1
复合功率管---IGBT1, IGBT2
光偶---PC1
初级驱动芯片--IC2
高压二极管----D3,D4
IB,PWM信号线没插好,松脱
地线松脱
名词解释:
IGBT-----(Insulated Gate Bipolar Transistor),绝缘栅极型功率管,
是由BJT(双极型三极管)和MOS(绝缘栅型场效应管)组成的复合全控型电压驱动式电力电子器件。
通俗的说就是-----”场效应输入”+”晶体输出”,即 电压控制输入的 大功率的 晶体管(杂交品种)。