概述:OZ960是凹凸电子公司研发的一款CCFL背光灯控制高效率零电压切换的DC-AC转换脉冲发生电路IC芯片,其内部电路方框图见图1所示,内置灯管开路保护、 过压保护、欠压保护等切断脉冲保护电路。OZ960具有较宽的输入电压范围和固定的运转频率,其亮度控制可用一个模拟电压或低频的脉冲宽度调制PWM信号控制。OZ960引脚功能和维修数据见表2。


一、OZ960引脚功能


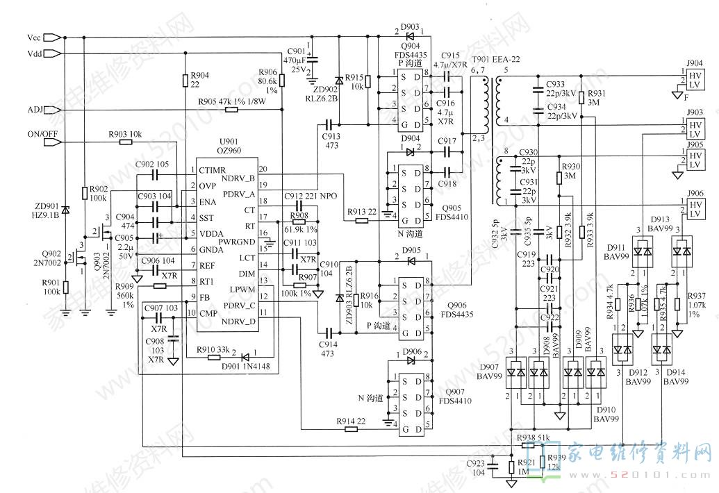
二、OZ960内部方框图


三、OZ960典型应用电路

       其典型应用电路如下图所示,这种电路在液晶彩电高压板中得到了一定的应用。

      (1)驱动控制电路
       驱动控制电路由U901(OZ960)及其外围元器件组成。由开关电源产生的Vdd电压(一般为5V)经R904限流,加到OZ960的供电端⑤脚,为OZ960提供工作时所需电压。当需要点亮液晶彩电时,微控制器输出的ON/OFF信号为高电平,经R903,使加到OZ960的③脚电压为高电平(大于1.5V的电压为高电平)。
       OZ960在⑤脚得到供电,同时③脚得到高电平信号后,内部振荡电路开始工作,其振荡频率由⑥脚、⑩脚外接的定时电阻R908和定时电容C912大小决定。振荡电路工作后,产生振荡脉冲,加到内部零电压切换移相控制电路和驱动电路,经过变换整形后从(19)、(20)、(12)、(11)脚输出PWM脉冲,去全桥驱动电路。OZ960内部方框图
      (2)全桥驱动电路
       全桥驱动电路用于产生符合要求的交流高压,驱动CCFL工作。驱动电路由Q904、Q905、Q906、Q907、T901等组成。这是一个具有零电压切换的全桥电路结构,Vcc(一般为12V)电压加到Q904、Q906的源极,Q905、Q907的源极接地,在OZ960输出的驱动脉冲(其波形如图5-17所示)控制下,Q904、Q907同时导通,Q905、Q906同时导通,且Q904、Q907导通时,Q905、Q906截止,也就是说,Q904、Q907与Q905、Q906是交替导通的,输出对称的开关管驱动脉冲,经由C915、C916、C917、C918、升压变压器T901以及背光灯管组成的谐振槽路,产生近似正弦波的电压和电流,点亮背光灯管。
      (3)亮度调节电路
      OZ960的(14)脚是亮度控制端,当需要调整亮度时,由微控制器产生的亮度控制电压ADJ经R906、R907分压,加到OZ960的(14)脚,经内部电路处理后,通过控制OZ960输出的驱动脉冲占空比,从而达到亮度控制的目的。
      (4)保护电路
      --软启动保护电路
      OZ960的④脚软启动端外接软启动电容C904,起到软启动定时的作用。OZ960工作后,④脚内电路向④脚外接软启动定时电容C904进行充电,随着C904两端电压的升高,OZ960输出的驱动脉冲控制驱动管向高压变压器提供的能量也逐渐增大。软启动电路的使用,可以防止背光灯初始工作时产生过大的冲击电流。
      --过压保护电路
       OZ960内的过压保护电路可以防止灯管高压变压器次级在非正常情况下产生过高的电压而损坏高压变压器和灯管。电路中,由T901次级产生的高压经R930、R932和R931、R933分压后,作为取样电压,经D909、D910加到OZ960的②脚。在启动阶段,OZ960的②脚检测高压变压器的次级电压,当②脚电压达到2V时,OZ960将不再升高输出电压,而进入稳定输出电压阶段。
      --过流保护电路
       过流保护电路用来保护CCFL不致因电流过大而老化或损坏。电路中,R936、R937为过流检测电阻,R936、R937两端的电压随工作电流变化而变化,电流越大,R936、R937两端电压越高,此电压经D912、D914加到OZ960的⑨脚,作为电流检测端,通过内部控制电路稳定灯管电流。若CCFL的工作电流过大,会使OZ960的⑨脚电压升高很多,当达到一定值时,经OZ960内部处理,OZ960停止输出驱动脉冲,达到保护的目的。