概述:OZ1060是凸凹公司生产的CCFL背光灯高压逆变PWM控制IC芯片,利用OZ1060组成的液晶逆变器具有如下特点:高效率;零电压切换;支持较宽的输入电压范围;恒定的工作频率;具有较宽的调光范围;具有软启动功能:内置开灯启动保护和过电压保护等功能。OZ1060引脚功能见表1所示。
一、OZ1060引脚功能
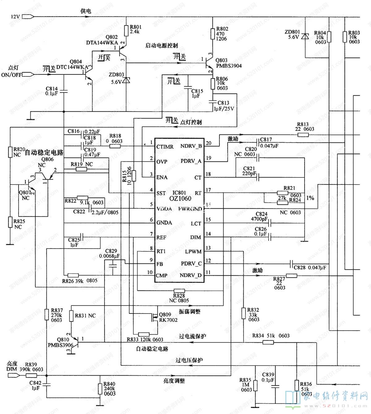
二、OZ1060典型应用电路(在LG Z20LCD1A液晶电视电源板中)
其典型的背光控制电路如下图所示,主要由IC801(OZ1060)内外部电路构成,在主电路板的控制下启动工作,输出4路驱动脉冲信号,并具有过电压、过电流保护功能。

网友评论