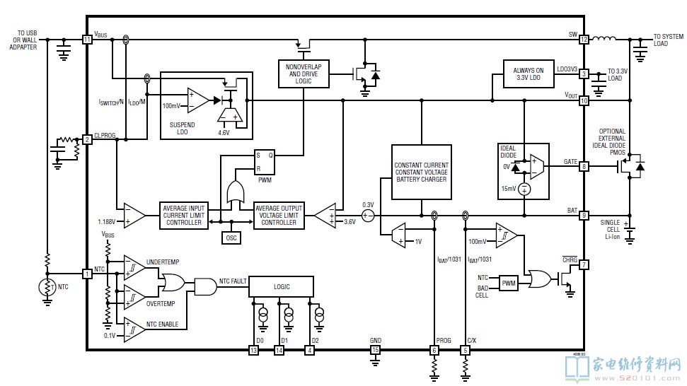
概述:LTC4088是一款高效率 USB 电源路径控制器和锂离子 / 锂聚合物电池充电器。LTC4088包括一个同步开关输入稳压器、一个全功能电池充电器和一个理想二极管。LTC4088 专为 USB 应用而特别设计,其开关稳压器可通过逻辑控制自动将其输入电流限制为 100mA、500mA 或1A (对于墙上适配器供电型应用)。
      LTC4088开关输入级将功率输送至 VOUT,在此对应用电路与电池充电器之间的功率均分进行管理。与线性 PowerPath 控制器不同,LTC4088 的开关输入级能够使用可从 USB 端口获得几乎所有 0.5W 或 2.5W 功率,而功率耗散极少。该特性使 LTC4088 能为应用提供更多的功率,并缓解空间受限型应用中的热问题。当达到输入电流限值、或者 USB 或墙上适配器电源被拿掉时,一个理想二极管可确保能从电池提供系统电源。

      LTC4088 采用扁平 14 引脚 4mm x 3mm x 0.75mm DFN 表面贴装型封装工艺。


一、LTC4088功能和特点

 高效率USB电源管理器、理想二极管控制器和电池充电器
  当输入电源受限或不可用时,200mΩ内部理想二极管加上可选外部理想二极管控制器提供无缝的低损耗电源通路
  VBUS工作范围:4.25V至5.5V(瞬态时绝对最大值为7V)
  100mA、500mA或1A输入电流限制
  独立电池充电器──无需外部uC来实现充电终止
  1.2A最大充电电流,具有热量限制
  Bat-Track保持该电池充电器具有低功耗以优化充电时间并减少热量
  “即时接通”操作允许最终应用立即运行,无需等待电池充电
  NTC热敏电阻输入实现温度合格的充电
  稳定的“永远接通”3.3V、25mALDO用于系统微控制器
  暂停LDO防止泄漏电池电量

二、LTC4088引脚功能


三、LTC4088内部方框图


四、LTC4088典型应用电路


五、LTC4088电气参数