概述:MR6928是一种款带键盘扫描接口的LED(发光二极管显示器)驱动控制专用芯片,再其内部集成有MCU、数字接口、数据锁存器、LED高压驱动、键扫描等电路,主要应用于VCR、VCD、DVD、机顶盒及其它家用电器等产品的LED显示屏驱动, 本产品性能稳定、抗干扰性强。它采用SOP28的封装形式。
二、MR6928功能和特性
• 采用CMOS工艺
• 电源:5V低功耗
• 多种显示模式(10 段×7 位~ 13 段×4 位)
• 键扫描(10×2bit)
• 辉度调节电路(占空比8级可调)
• 串行接口(CLK,STB,DI/O)
• 振荡方式:RC振荡
• 内置上电复位电路
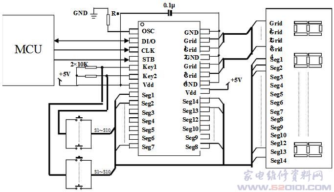
五、MR6928典型应用电路
注意:在实际应用中滤波电容(0.1μ),在面板上设计时的装配位置应尽 可能靠近MR6928芯片。




网友评论