概述:HR3992是一种便于使用PWM来控制电流的双极微特步进电机驱动器IC芯片, 输出驱动能力达到35V和±1.5A。内部固定关闭时间的PWM电流控制时序电路可以通过串行接口进行编程,使其工作在慢衰、快衰或混合衰减模式。通过串行总线,利用两个六比特线性DAC结合一个参考电压来决定预期负载电流。六比特的控制允许最大灵活的实现力矩控制,多种步进模式,从微步进到整步驱动。负载电流最小增量为1.56%,相对于最大值。在电流衰减期间,同步整流电路允许电流流经低导通电阻RDS 的DMOS驱动管,这样省去了外部齐纳二极管,改善了PWM操作时的功耗。内部保护电路包括:带迟滞额过热保护、欠压锁定及过流保护。不需要特别的上电时序。HR3992目前提供一种贴片封装:带有裸露焊盘的TSSOP-24封装,能有效改善散热性能,且是无铅产品,引脚框采用100%无锡电镀。HR3992管脚功能完全兼容A3992。


一、HR3992功能和特性

1、±1.5A 35V输出
2、低导通电阻RDS(ON)
3、6bits 线性DACs 实现微步进
4、可编程慢衰、快衰和混合衰减模式
5、内部4M时钟
6、串行总线控制
7、降低功耗的同步整流功能
8、兼容3.3V和5V逻辑电平
9、过流保护
10、内部欠压锁定和过热关断保护
11、对地短路保护
12、负载短路保护
13、低电流睡眠模式和空闲模式,<10uA


二、HR3992引脚功能


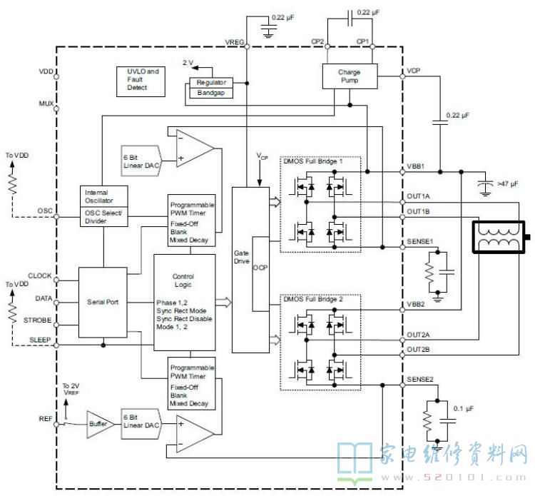
三、HR3992内部方框图


四、HR3992典型应用电路