您好,欢迎您访问家电维修资料网
登陆
免费注册
实用工具
手机版
用手机访问
首页
维修资料
彩电维修资料
彩电总线调整
维修基础
电子线路
电子制作
空调制冷
家用电器维修
音响功放
卫星有线
VCD、DVD
通讯设备
办公设备
数码摄录
计算机设备维修
软件下载
培训教材
电路图纸
长虹彩电图纸
康佳彩电图纸
TCL彩电图纸
海尔彩电图纸
创维彩电图纸
海信彩电图纸
其他彩电图纸
合资彩电图纸
LG彩电图纸
松下彩电图纸
三星彩电图纸
索尼彩电图纸
东芝彩电图纸
夏普彩电图纸
飞利浦彩电图纸
DVD功放图纸
家用电器图纸
数码相机图纸
显示器图纸
维修工具图纸
数据下载
长虹彩电数据
康佳彩电数据
TCL彩电数据
海尔彩电数据
创维彩电数据
海信彩电数据
其他彩电数据
合资彩电数据
厦华彩电数据
DVD机顶盒数据
说明书
彩电说明书
显示器说明书
家用电器说明书
遥控器说明书
影音系统说明书
视频
彩电维修
空调制冷
电脑软件
办公设备
显示器维修
电子线路
维修基础
电工技术
通讯维修
DVD维修
生活电器
仪器仪表
其他技能
电子制作
搜 索
首页
电子线路
正文
STV2236H多功能单片处理器
2013-10-04
作者:中华维修整理
2456
评论
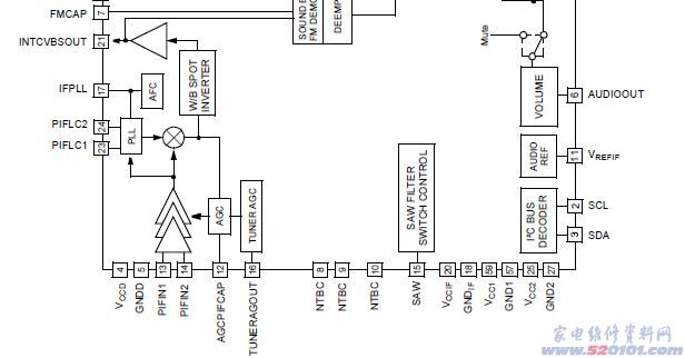
概述:STV2236H是ST公司(意法半导体)研制的用于彩色电视机小信号处理电路中的芯片。他采用扁平64脚封装形式。
一、STV2236H外观图
二、STV2236H特点
1.具有I2C总线控制功能
2.内含锁相环解调电路
3.具有内载波功能
4.内置音频带通滤波器
5.立体声副载波输出(FM,NICAM)
6.Audio FM wide mode
7.音频开关和音量控制
8.自动水平调整等其他功能
三、STV2236H引脚功能
三、STV2236H内部方框图
其他推荐
STV2237H多功能单片处理器
STV2236D多功能单片处理器
STV2238H多功能单片处理器
STV2237D单片多功能处理器
单结晶体管的主要参数及特征
中国半导体器件型号命名方法
网友评论
发表评论
所有评论
目前还没有网友评论
提交
热门资料
1
OB2268/OB2269/SG6841芯片引脚功能和典型应用电路
2
OZ964GN驱动电路引脚功能和应用及去保护方法
3
OZ9902GN芯片引脚功能和去除保护方法
4
TPA3110D2立体声D类音频功率放大器引脚参数
5
OZ9998B芯片引脚功能(图)
6
电磁炉用SM7028芯片引脚功能和代换
7
NCP1271P65芯片引脚参数和代换
8
TDA7379音频功率放大器
9
LX16921DW芯片引脚功能与去除保护方法
网友评论