概述:TP4055是一款完整的单节锂离子电池充电器IC芯片,带电池正负极反接保护,采用恒定电流/恒定电压线性控制。其 SOT封装与较少的外部元件数目使得 TP4055 成为便携式应用的理想选择。TP4055可以适合 USB电源和适配器电源工作。由于采用了内部PMOSFET架构,加上防倒充电路,所以不需要外部检测电阻器和隔离二极管。热反馈可对充电电流进行自动调节,以便在大功率操作或高环境温度条件下对芯片温度加以限制。充满电压固定于 4.2V,而充电电流可通过一个电阻器进行外部设置。当电池达到4.2V之后,充电电流降至设定值 1/10,TP4055 将自动终止充电。 当输入电压(交流适配器或USB电源)被拿掉时,TP4055自动进入一个低电流状态,电池漏电流在 2uA以下。TP4055的其他特点包括充电电流监控器、欠压闭锁、自动再充电和一个用于指示充电结束和输入电压接入的状态引脚。TP4055管脚兼容LTC4055。


一、TP4055功能和特性

·锂电池正负极反接保护;
·高达500mA 的可编程充电电流;
·灯的状态为亮或灭
·无需MOSFET、检测电阻器或隔离二极管;
·用于单节锂离子电池
·恒定电流/恒定电压操作,并具有可在无过热危险的情况下实现充电速率最大化的热调节功能; 
·可直接从USB端口给单节锂离子电池充电;
·最高输入可达9V;
·精度达到±1%的4.2V预设充电电压;
·自动再充电;
·1个充电状态开漏输出引脚;
·C/10充电终止;
·待机模式下的供电电流为40uA;
·2.9V涓流充电;
·软启动限制了浪涌电流;
·采用 5引脚 SOT-23封装。


二、TP4055引脚功能


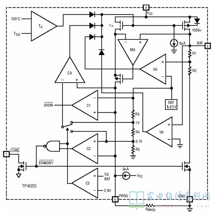
三、TP4055内部方框图


四、TP4055典型应用电路


五、TP4055极限电气参数

·输入电源电压(VCC):-0.3V~9V
·PROG:-0.3V~VCC+0.3V
·BAT:-4.2V~7V
·CHRG :-0.3V~10V
·BAT短路持续时间:连续
·BAT引脚电流:500mA
·PROG 引脚电流:800uA
·最大结温:145℃
·工作环境温度范围:-40℃~85℃
·贮存温度范围:-65℃~125℃
·引脚温度(焊接时间 10秒):260℃