定义 脚号 定义详解
P1.3/T1 01 port 1.3 计数器/定时器1输入
P1.6/SCL 02 port 1.6 I2C总线时钟线
P1.7/SDA 03 port 1.7 I2C总线数据线
P2.0/TPWM 04 port 2.0 梯形波脉宽调制
P3.0/ADC0 05 port 3.0 ADC0 输入
P3.1/ADC1 06 port 3.1 ADC1 输入
P3.2/ADC2 07 port 3.2 ADC2 输入
P3.3/ADC3 08 port 3.3 ADC3 输入
VSSC/P 09 数字地面m-controller核心与外围
P0.5 10 port 0.5 (8毫安电流驱动发光指示灯)
P0.6 11 port 0.6 (8毫安电流驱动发光指示灯)
VSSA 12 tv-processor图文电视解码器
SECPLL 13 制式锁相环
VP2 14 电源电压 (+8V)
DECDIG 15 数字电路的电源电压
PH2LF 16 滤波器2
PH1LF 17 滤波器1
GND3 18 ground 3 for TV-processor
DECBG 19 bandgap decoupling
AVL/EW 20 自动调平 (90° versions) / E-W drive output
VDRB 21 vertical drive B output
VDRA 22 vertical drive A output
IFIN1 23 IF input 1
IFIN2 24 IF input 2
IREF 25 reference current input
VSC 26 vertical sawtooth capacitor
AGCOUT 27 调谐器自动增益控制输出
AUD/SIF 28 audio deemphasis or SIF input 1
DEC/SIF 29 decoupling sound demodulator or SIF input 2
GND2 30 ground 2 for TV processor
PLL/SIF 31 narrow band PLL filter or AGC sound IF
AVL/SNDIF 32 Automatic Volume Levelling / sound IF input / subcarrier reference
HOUT 33 horizontal output
FBISO 34 flyback input/sandcastle output
AUDEXT/QSSO 35 external audio output / QSS intercarrier out / AM audio output
EHTO 36 EHT/overvoltage protection input
PLLIF 37 IF-PLL loop filter
IFVO/SVO 38 IF video output / selected CVBS output
VP1 39 supply voltage TV processor
CVBS1 40 internal CVBS input
GND 41 ground for TV processor
CVBS/Y 42 CVBS/Y input
C 43 C input
AUD/AMOUT 44 audio output /AM audio output (volume controlled)
INSSW2 45 2nd RGB / YUV insertion input
R2/VIN 46 2nd R input / V (R-Y) input / PR input
G2/YIN 47 2nd G input / Y input
B2/UIN 48 2nd B input / U (B-Y) input / PB input
BCLIN 49 beam current limiter input
BLKIN 50 black current input / V-guard input
RO 51 Red output
GO 52 Green output
BO 53 Blue output
VDDA 54 数字解码器电源 (3.3 V)
VPE 55 OTP Programming Voltage
VDDC 56 数字电源 (3.3 V)
OSCGND 57 oscillator ground supply
XTALIN 58 crystal oscillator input
XTALOUT 59 crystal oscillator output
RESET 60 reseV
VDDP 61 digital supply to periphery (+3.3 V)
P1.0/INT1 62 port 1.0 or external interrupt 1 input
P1.1/T0 63 port 1.1 or Counter/Timer 0 input [Page]
P1.2/INT0 64 port 1.2 or external interrupt 0 input
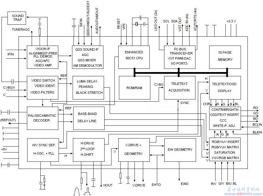
飞利浦TDA955X内部方框图

TDA955X芯片外围功能图
网友评论