一、SVP-CX12功能和特点
(1)5路输入CVBS1/2、SVideo、YCBCR、YPBPR、VGA,不需外加切换和ADC芯片;
(2)3D梳状滤波器解码;
(3)带有DCDI的隔行变逐行处理,帧变换;
(4)模拟RGB输出,行场同步输出。
二、SVP-CX12内部方框图
三、模拟信号电路特点及维修
1.模拟信号输入过程
SVP-CX12相关引脚中标有YPbPr字符,如(190)、(198)、(182)和(189)、(197)、(181)和(188)、(196)、(180)脚,可输入三路HDTV(YPbPr)信号(包括YCbCr),这些输入端口通过软件设置其功能,既可作为YPbPr信号输入端,如长虹CHD-6机芯软件命令使用两路YPbPr输入端口,而康佳彩电则用了一路;还可作为像TV这样的模拟信号的输入端口(因HDTV信号带宽高于TV视频信号,故视频信号也可从这些脚送入),如(190)、(198)脚被定义为CVBS2、CVBS3端口(康佳TT机芯将AV3端子视频信号送入(190)脚,而长虹CHD-6机芯没有用(190)脚。康佳AV2视频信号从(198)脚输入,长虹(198)脚送入的则是TV视频信号)。(169)脚标有CVBS1,表明此脚送入的是视频信号,康佳电视由此脚送入主板中放产生的TV视频信号,而长虹由此脚送入AV2端子视频信号。显然,各厂家软件编写有差别,但理念相似DS端子输入的Y、C信号,康佳由(182)、(192)脚送入;而长虹S端子Y信号由(182)脚送入,与AV1端子的视频信号共用,C信号则从(192)脚送入。
这些模拟信号输入通道通常采用阻容耦合方式,其目的是防止不同设备间电位差引起的相互干扰、打火问题。TV信号(康佳主板中放电路TDA9881送出)由Tvin经R7、R167(有保险作用)分压后、由电容C9耦合送入(169)脚。CVBS2经电容C13送入(198)脚(AV2)。CVBS3经电容C17送入(190)脚,而S端子的Y、C信号分别经电容C10、C14送入(182)、(192)脚(AV3、S端子)。芯片内部除设计有完整的视频切换开关、亮度信号处理、色度信号处理、同步分离等多个模拟信号处理模块电路外,还设计有电视信号自动识别系统,对输入的信号制式、类别进行自动识别,并根据识别结果启动对应电路进入工作状态,对输入信号进行处理。SVP-CX12芯片内部在视频信号、色度信号、亮度信号、色差分量信号处理方面与普通CRT电视超级芯片完成TV、SVP-12AV、S端子或DVD送入YUV信号的接收处理一样,当然,虽然同样是模拟信号处理,但处理后的信号去向是不一样的。普通CRT电视最终形成的模拟信号去视放电路,而从SVP-CX12不同输入端口输入的视频信号、Y、C信号、色差分量信号、VGA信号经内部相关电路处理后产生的YUV信号,则是送往三通道ADC转换电路形成数字YUV信号,送入变频单元。经变频电路处理后进入DAC转换电路,还原成模拟言号输往后续的模拟信号处理电路TB1307。
2.SVP-CX12模拟信号输出过程
不同模式的模拟信号经SVP-CX12内部电路处理后,最终输出能被CRT所显示的RGB模拟信号。因CRT行场偏转工作频率是固定的,故变频后的RGB信号及行电路工作频率是同步的,频率均为33.75kHz。三路RGB信号从SVP-CX12(8)~(10)脚送出,然后分别经R45、R74、R1O4隔离(都为OΩ),C206、C207、C209高频滤波后,电容C126、C127、C128耦后加到TB1307(1)、(2)、(48)脚(长虹RGB信号经分压电阻R151、R152、R153(都为75Ω),耦合电容C117、C118、C119去TB1307(1)、(2)、(48)脚)。无论是长虹还是康佳电视,SVP-CX12(8)~(10)脚输出不正常时,测量三脚电压均可判定故障在IC内还是IC外电路。正常时,上述三脚对地电阻均为75Ω(因上述三脚都并接一只75Ω电阻到地)。
3.模拟单元电路常见故障
SVP-CX12内部单元电路出故障的表现与普通电视信号的故障一样,SVP-CX12所涉及的信号处理引脚数少。模拟单元电路引发的故障常有:
(1)TV自动搜索节目号不翻转普通CRT电视出现此类故障需查调谐器或中放电路、图像识别电路、AFT电路。长虹CHD-6机芯将调谐与中放组合在调谐器组件内(TMI1—C2311),AFT检测信号随总线送入CPU(注:长虹CHD-6使用的调谐器有两种,一种是TDA-6B7-FM3,一种是TMI1-C2311,两种错换就会出现节目号不变),其图像识别信号在SVP-CX12处产生。而康佳TT机芯调谐器(ETA-SFO3/12)送出的是中频38MHz信号,再经TDA9881(NM10)输出视频信号和AFT信号(去CPU),中放块NM1O不受总线控制,送出的视频信号通过插座送入数字板SVP-CX12。显然,康佳自动搜索节目号不变检修要复杂些,不仅需查中放及以前的电路,还要查CPU的AFT通道和SVP-CX12。TV自动搜索节目不变,对于长虹电视来讲,需查(198)脚外接元件C5、R1O((198)脚工作电压为0.78V,对地电阻为147.5kΩ,如果对地电阻异常,可判定SVP-CX12可能损坏)。对于康佳彩电,则需查(169)脚的C9和R7(还要查去CPU的AFT),以及主板电路。如果确认上述电路无故障,便可判定SVP-CX12有故障。
(2)TV、AV信号无彩或彩色不稳定TV、AV信号切换开关、梳状滤波器、亮色解码均在SVP-CX12内完成。色解码工作,需要色副载恢复信号。观察SVP-CX12设置的引脚,除(204)、(205)脚接有14.318MHz晶体外,没有其他振荡元件,显然色副载波的恢复需要此时钟振荡提供(长虹、康佳使用的晶体一样)。故与检修普通CRT超级芯片一样,无彩色或彩色不稳定,可按顺序查(204)、(205)脚晶体及两脚上的移相电容C27、C28(长虹是C22、C23)和SVP-CX12,即可排除故障。
(3)AV无输出AV输出只针对TV输入信号经视频切换后从(163)脚输出CVBSOUT1信号。此信号再经R18、C20、插座XSO2(23)脚、主板三极管V801至AV输出端口(长虹是经过C19隔直、3分压送入主板),经插座送入主板。如果出现AV输出没有图像,检查上述元件即可。(163)脚对地电阻正常时为109.2kΩ。
(4)AV1输入无图、AV2输入图像正常,或AV2没有图像、AV1输入图像正常这种故障在普通CRT电视上也能遇到,只需测(190)、(198)两脚对地电阻是否一样,就能很快判定。如一台长虹CHD-6机芯产品CHD32600(F29),接收AV1信号无图像,测(182)脚电容C13对地电阻只有1.1kΩ,对比(169)脚C9、AV2输入脚对地电阻为165.1kΩ。显然(182)脚C13处对地电阻异常,故判定SVP-CX12已损坏。更换SVP-CX12或数字板JUC7.820.1454,故障排除。
(5)黑屏(无图、无字符、有伴音故障或光栅偏色)先测SVP-CX12(8)、(9)、(10)脚输出电压或波形。正常工作时,三脚有高于0.2V的电压(不接信号时电压非常低,几乎为OV。接上信号,不断切换信号源,如果三脚有超过0.3V的电压,且在变化,黑屏故障应与SVP-CX12没有关系,故障可能在后续的TB1307或视放电路中)。如果三脚均没有输出,故障肯定在SVP-CX12,需查供电,晶体Y1及(174)、(175)、(184)、(185)脚外接基准电压滤波电容C23、C24、C25、C26和SVP-CX12(11)脚外接电阻560Ω(康佳为R163,长虹为R6,此电阻决定DAC输出RGB信号电平,此电阻损坏程度不同,(8)、(9)、(10)脚输出RGB电平幅度不同,轻者出现光暗,重者出现黑屏)。同样,偏色故障也可通过测量三脚电阻、电压或波形都做出准确判定。当然,SVP-CX12的变频电路有故障,也会导致黑屏、图异故障等。
通过采用同一个芯片的不同品牌机芯应用时的表现可以看出,高清电视只要用的IC型号相同,其电路故障的判定方法是可互相参考的,就像检修普通CRT电视一样,差异在于元件的编号。模拟信号处理电路故障的判定。
四、VGA信号接收特点及维修
VGA信号的带宽、行场频率不同。高清电视是如何判定这些格式的呢?首先,控制系统按标准编写软件,如VGA格式为640×48O/60Hz,软件设定好此标准信号的行、场频率、一场内有效行扫描线、一行消隐时间、有效显示象素点等数据,电视工作时发出这些指令,与电视机接收信号进行比较,如果两者一致,便启动相应逻辑电路输出指令,控制SVP-CX12内的相关电路去工作,这样,VGA信号的自动识别、接收、处理便能进行下去,在屏幕上显示VGA画面。否则,屏幕将显示提示语言,若屏幕上显示请确认PC状态等,则表明电视机已进行了识别,但经识别后判定信号不是它能处理的格式,故屏幕显示不了或显示不全的画面。其实,VGA信号的自动识别,主要依据(158)、(159)脚送入的VGA行场同步信号的频率和幅度。故VGA状态不能显示图像时,首先要查(158)、(159)脚通道的元件。康佳TT机芯产品查VGA插座、数字板插座XSO7及其(8)、(9)脚送入U13(74LVC14A)(1)、(5)脚的通道,整形块U13,耦合电阻R157、R159等,见上图。长虹CHD-6产品则需查下图所示的U22、U23等元件。
型号
* * * 32600
接收制式
彩色制式:PAL、NTSC3.58声音制式:D/K、B/C、r、M
接收频道
VHF:1~12频道.UHF = l3~57频道,CAW= Zl~Z37频道
YCbCr输入格式
480i , 576L
YPbPr输入格式
480P/ 60,576P/ 50. 1080i/ 50. 1080i/ 60 ,720P/50.720P/60,lO80P/50,lO80P/6σ
VGA输入格式
VGA @60. VGA @7s. SVGA @60. XGA @60.XGA @75. 1280x768@60/ 75 . DOS
VGA接收不能显示的另一个原因,是要确认PC机送出的VGA信号格式是否与电视机说明书上标识的参考指标相同。表1列出了CHD32600高清电视对送入VGA格式的要求,它要求VGA信号最高格式为1280x768,帧频为60Hz或75Hz,而超过此格式的VGA信号将无法正常显示。这与PC机显示器不能完全兼容显示所有显卡送出的信号一样。故高清电视机不能显示VGA信号,首先要确认VGA格式设置是否正常,PC机格式设置在PC机桌面上进行;其次应查VGA通道中行场同步处理是否有故障:然后测PC机显卡输出信号是否标准。
上面讲述了VGA信号识别相关问题。下面对VGA信号接收画面偏红、偏紫或偏青等故障作简单分析。
VGA偏色问题肯定出在RGB输入通道,查(183)、(199)、(191)脚外电路即可。RGB通道通常不会造成VGA信号不显示,但会导致偏色,测上述三脚对地电阻便可确认。上述三脚对地电阻均为无穷大。
五、HDTV(YPbPr)信号接收特点及维修
康佳电视HDTV信号由主板插座XSO2(18)、(20)、(21)三脚送入数字板,此三脚均为接防打火二极管D7、D8、D9后,分别送入SVP-CXl2的(188)、(196)、(180)脚。HDTV信号的格式也很多(包括480P/60、lO80i/50等),包括DVD送入的YCbCr信号(575P/50就是这种格式信号),也是由这三脚送入的。显然,HDTV信号格式也需进行格式识别后再作处理oHDTV识别主要依靠(180)脚送入的Y信号。Y信号既代表图像的壳暗成分,也代表图像信号的行场同步信号。Y信号由(180)脚送入后,输往IC内同步分离电路,分离出行场同步信号,同时送入图像识别电路和时钟振荡电路,同步跟踪接收的HDTV频率与相位。故Y信号异常,必出现接收HDTV信号无图故障或图像不稳定现象。同样,U、V通道引起的故障最多是偏色或色调异常故障,不会引起接收HDTV无图或图像不稳定现象。
六、供电及维修
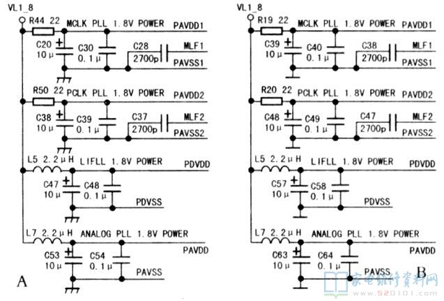
下图B中康佳VL1_8电压经R19及滤波电容C39、C40等送入(208)脚(标有PAVDD1),在C39处标有“MCLKPLL1.8VPOWER”,表示此1.8V电压是给MCLK时钟锁相环供电。而MCLK是做什么的?如果仔细去看变频部分的引脚功能,你会发现,MCLK是动态帧存储器进行数据交换时的时钟,故R19开路(长虹为R44下图A),会影响TV、VGA、HDTV信号处理。同样,PAVSS1表示此时钟振荡的地端,开路时与没有供电是一样的故障。再看VL1_8经L7形成的PAVDD接到(200)脚,此电压是给模拟信号处理时钟锁相环供电的(ANALOGPLL1.8VPOWER),显然L7开路或(200)脚虚焊,TV、AV等模拟信号处理出现行场不同步或呈黑白图像故障。1.8V还经R20(长虹为R50)送入(3)脚内部电路,此电压不正常可能出现黑屏故障。
显然,SVP-CX12呈多路供电,原因是内部单元电路太多。故检修TV、AV、HDTV、VGA信号不正常或开机保护、黑屏等故障时,除要查时钟振荡、帧存储器这些关键电路外,还要查供电。数字板供电检查,无法与普通CRT电视使用的直插IC检测相比,但可采取先测各路供电电路中关键元件两端电压,如康佳电视数字板R19、0、L5、L7、L1、L3、L6、L8元件两端电压,如果电压不正常,查DC-DC降压电路[如长虹CHD-6要查U13(输出对地电阻0.3kΩ)、U16(输出对地电阻0.5kΩ)、U14(输出对地电阻0.7kΩ]。SVP-CX12供电支路多,目的是防止单元电路间的相互干扰,如ADC转换、DAC转换、时钟振荡等都有自已的供电。其实,长虹CHD-6机芯SVP-CX12供电脚所需电压与康佳TT机芯是一样的,不同之处在于同一个脚外接元件编号不同。当然,也有相同的,如。虹、康佳的SVP-CX12(200)脚输入1.8V,位号仍为L7(2.2μH)。而给(208)脚供电电路上的电阻康佳为R19,长虹为R44(22Ω)。
七、在长虹CHD-6机芯彩电上的维修数据
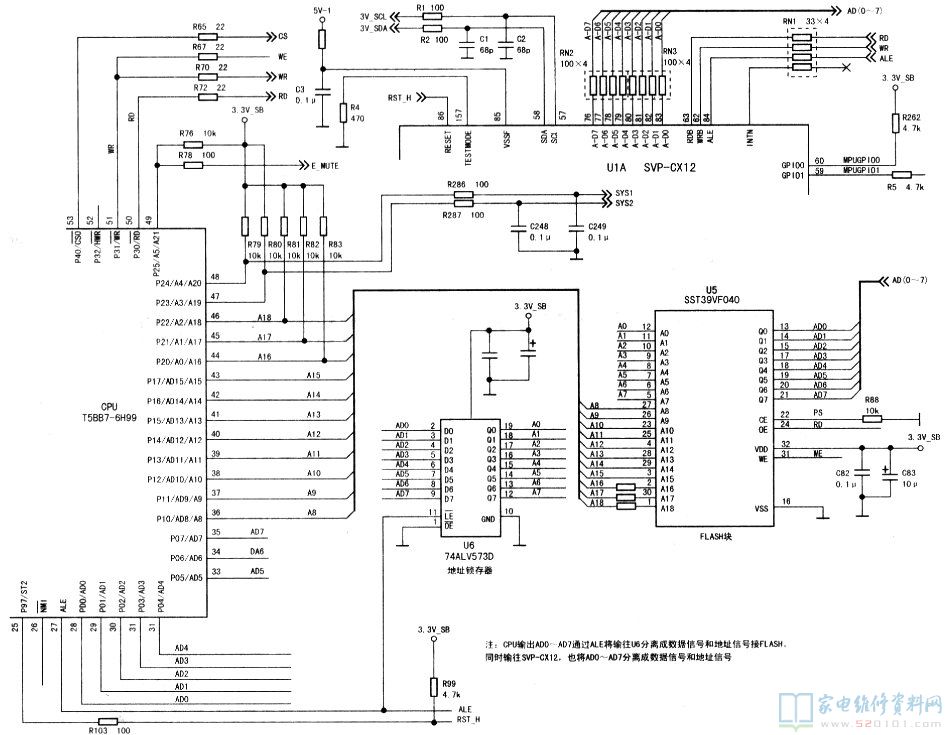
八、并行总线控制特点及维修
并行总线,说简单点就是由多路数据信号、地址信号、指令控制信号组成。传统电视使用的串行总线由时钟与数据两条线组成,所有被控电路均通过较小的电阻跨接在两条线上,串行总线控制的负载较多。而并行总线由多根线组成,传输信息量大、速度快,能控制的电路数量小,通常为两块。SVP-CX12与控制系统的关系便采用了并行总线控制方式,如下图所示。
下图中SVP-CX12(57)、(58)脚虽然接有传统电视上能看到的串行IIC总线,但SVP-CX12的工作几乎与此无关,它只不过用于对SVD-CX12进行软件设计。再看(62)、(63)、(84)、(76)~(83)和(86)脚接有普通电视信号处理芯片上不曾见过的信号。(84)脚接ALE,它来自CPU(27)脚,为地址锁存控制信号(经RN1(3)脚送入,康佳则由R201直接送入(84)脚),(62)脚WR读写指令控制信号(经电阻RN1(2)脚送入),(63)脚读指令控制信号(经电阻RN1(1)脚送入),(86)脚送入的复位信号RST_H信号,(76)~(83)脚标为ADO~AD7,它们是地址与数据信号复用的信号(A为地址,D为数据),这12路信号共同协作完成对SVP-CX12的控制,这些信号俗称为“并行总线”。由此可见,并行总线与IIC总线相比,传送信号类别相近,但一个是采用混合方式,一个采用分离方式。IIC总线传递按时分复用方式传送,而并行总线将部分指令独立传送,如RD等。并行总线的优势是传送指令速度快、传输信息量大,但容易受干扰,且检修难度较大。
SVP-CX12为何要采用并行总线呢?原因是SVP-CX12实现的功能强大,且字符显示丰富。如画质改善方面,在SVP-CX12内设计有“动态亮色瞬态改善电路、动态速度调制、动态数字梳状滤波、动态运动检测及边沿去齿检测处理、去隔行扫描处理、动态伽玛校正、动态黑电平延伸、动态亮度对比度调整、动态锯齿滤波、动态帧转换率控制、动态白峰电平校正、动态色混同控制等众多功能电路”,SVP-CX12能直接接收TV、AV、PC、HDTV各类信号,这些信号的接收有各自的自动识别电路,各类时钟锁相环同步及相位跟踪、电影模式自动识别转换(4:3与16:9切换,伸缩模式的切换等)、画中画及画外画显示等无不在软件指令下完成。这么多软件指令,如果按传统I2C总线传送是不能满足要求的。大家观察普通高清便能发现,有些显示画面效果差,画面上有黑点闪动,特别是人的脸部本应感觉细腻,但却感觉有斑状,似贴上了一层纱,且边沿有齿状,这其实与产品内部数字芯片自身处理数字信号的速度及内部设置的数字处理单元有关。
采用SVP-CX12生产的电视机电路上既采用了IIC总线控制,也采用了并行总线控制。并行总线优于串行总线。只有并行总线控制的电路检测成功,控制系统输出的IIC总线才能对它所控制的电路进行检测,两者将结果送入CPU。并行总线控制电路有故障时,如并行总线与SVP-CX12间的通道出了故障,或SVP-CX12自身电路工作不正常、动态帧存储部分工作异常,CPU会关闭对被控电路的控制,表现在即使11路通道能测出波形,但仍不能正常二次开机,测量(86)脚复位电平会不断跳变(R1O3处、康佳为R75处),且跳变范围会因电路故障点的不同而变化。即使11路总线通道已将控制信号送入SVP—CXl2,但若此IC内部多个单元电路工作不正常,也会影响并行总线的控制,就好比传统I2C总线被控电路出了故障,也会影响IIC总线的控制一样。
SVP-CX12哪些单元电路出故障会影响11路总线控制?具体表现在什么地方呢?答案是SVP-CX12供电、(59)、(60)脚总线控制模式选择电路。(59)、(60)脚电平关系决定IIC总线控制方式采用并行分离式还是复合式总线控制方式。两脚电平发生变化也会影响并行总线控制。(60)脚正常待机时为3.2V,开机后为0V;(59)脚开/待机时均为0V。
又如动态帧存储部分,这部分电路出了故障不但会出现图异,还会出现反复自动关机,测量复位脚、开/待机控制脚等处的电平在反复变化。
另一种情况并行总线会受到串行IIC总线的影响,并使其工作不正常。那就是串行IIC总线负载有故障会导致(86)脚复位电平反复变化。串行IIC总线控制的电路有主板上的相关电路,主板上的电路通过电阻R1、R2(康佳也是R1、R2)接入SVP—CX12(57)、(58)脚,串行总线出问题,为什么会使并行总线工作不正常呢?若串行总线上的负载出敌障,会引起串行总线电压偏离正常值,导致SVp-CXl2内部软件工作异常。另外,串行I2C总线通过电阻R121、R122检测TB1307的4路供电(见上期TBl307相关内容)。TBl307供电不正常,也会导致并行总线控制不正常。维修中进行故障范围确认时,可采用将主板总线断开的方式。如将SVP-CX12与主板串行总线间的电阻R1、R2断开,断开后通过反复开/关机,检查TB1307供电判定是否存在故障。
并行或串行总线负载出了故障都会影响二次开机。电视机没有二次开机动作,可不查串行IIC总线,但SVP-CX12要作为控制系统总线负载进行检查,如SVP-CX12并行总线跨接脚内部短路,就可能导致控制系统并行总线出现故障,因为并行总线还接在程序块FLASH上。并行总线正常,在待机时测FLASH块U5或U6的地址、数据信号脚都应有波形。但因其传送速度快(频率高),常在测量电压或波形时出现死机现象。故建议最好在待机时测这些数据通道的波形加以故障判定故障部位。还可以测量孔与孔,孔与对应排阻间的通断作故障判定。下表列出了CPU与SVP-CX12控制系统脚间的关系,供维修时参考。
| 康佳CPU与FLASH块地址铀存器、SVP一CXl2总线通道 | 长虹CHD-6机芯CPU引脚 | 长虹电视上测 | 备注 | |
| 电阻(C2) | 待机(V) | |||
| 经R75按VPCX12(86)脚 | R1O3接SVPCX12(86)脚 | 3.2开机后0.17 | 待机时,这些脚都能测出波形。测量电压时会出现停机现象,可采取反复开机测量这11路通道有无待机时的电压,如果没有表明SVPCX12或控制系统等电路有故障 | |
| 经R201接U6(11)脚和SVP-CX12(84)脚 | 接U6(11)脚,电阻RN1(3)脚接SVP-CX12(84)脚 | 6.5k | 0.53 | |
| 经R37按U6(31)脚:经R40接SVP-CX12(62)脚 | 经R70、RN1(2)脚按SVP-CX12(62)脚 | 6.5k | 3.3 | |
| R43接U6(24)脚和SVP-CX12(63)脚 | 经R72、RN1(1)脚接SVP-CX12(63)脚 | 6.5k | 1.4 | |
| R43接U6(24)脚和SVP-CX12(63)脚 | 经R72、RN1(1)脚接SVP-CX12(63)脚 | 6.5k | 1.4 | |
| 接U6(2)脚、U5(13)脚和经RN3(1)脚接SVP-CX12(83)脚 | 5.88k | 0.88 | ||
| U6(3)脚、U5(14)脚和经RN3(2)脚接SVP-CX12(82)脚 | 5.88k | 1.61 | ||
| U6(4)脚、U5(15)脚和经RN3(3)脚接SVP-CX12(81)脚 | 5.88k | 1.66 | ||
| U6(5)脚、U5(17)脚和经RN3(4)脚接SVP-CX12(80)脚 | 5.88k | 1.89 | ||
| U6(6)脚、U5(18)脚和经RN2(1)脚接SVP-CX12(79)脚 | 5.88k | 2.17 | ||
| U6(7)脚、U5(19)脚和经RN2(2)脚接SVP-CX12(78)脚 | 5.88k | 1.56 | ||
| U6(4)脚、U5(20)脚和经RN2(3)脚接SVP-CX12(77)脚 | 5.88k | 2.43 | ||
| U6(7)脚、U5(21)脚和经RN2(4)脚接SVP-CX12(76)脚 | 5.88k | 1.53 | ||
注;表1中未测开机电压的原因是上述脚在测量电压过程中容易出现死机现象。对地电阻会因为使用表不同而有差异,无论如何采用二极管挡测量,存储器相关脚的数据应该接近,如果某脚显示数据差异大大,表明此脚有故障。
总之,并行总线信号控制不正常牵扯的电路很多,引发的故障呈多样性,这有别于CHD-3机芯。具体表现在二次开机后待机脚电平处于开机状态低电平(OV)、行不工作,或在二次开机后指示灯闪烁又返回到待机状态,或干脆不能二次开机。并行总线工作不正常、串行总线或SVP-CX12自身工作不正常都可能导致CPU输往SVP-CX12的复位信号不能正常复位(复位脚,长虹的R1O3处,康佳的R75处),正常电压变化过程是:待机时为3.2V,二次开机后由3.2V跳变为0.18V,再降为0.17V,表明复位正常。如果复位电压在0.64V~O.18V或1.2V~O.5V或2.5V~0.16V间,或其他电压范围变化时,都表明复位不成功。复位要成功,襦要SVP-CX12、TB1307及主板总线负载工作正常{可断开主板总线负载来判定)。
九、变频电路的特点及维修
CXMDO~CKMD31送出的信号便是变频数据信号,分别经排阻RN5~RN12送入U2,MA0~MA11为SVP-CX12送出的地址控制信号(康佳TT机芯送数据信号也是通过RN5~RN12送入U2,而地址信号则是通过电阻RN13、RN14、RN15送入U2)。地址信号与数报信号传送受动态帧存储器(17)~(19)、(22)脚和(68)、(67)脚送入的指令信号和时钟信号控制。实际上,以上信号通道也可以称作“并行总线”,只不过此信号是由控制系统送出的指令通过SVP-CX12识别、运算后,重新送出的并行控制信号,再通过U2的译码器转换成控制存取数据的控制信号。(17)脚送入的WE信号为写入帧存储器有效的使能信号。(18)、(19)脚送入的己、信号为帧存储器内部地址单无选择控制的行列控制信号,(22)脚送入的是BA信号,是指令数据读取程序运行的中断控制信号。程序运行有周期性,一个周期将中断程序一次,中断的目的是让程序运行又返回到起点。(68)脚输入的是SVP-CX12(111)脚送出的时钟控制信号。(67)脚送入的是时钟使能控制信号,它由SVP-CX12(112)脚进出。所有并行总线、地址、数据控制信号,各类指令控制信号均在时钟控制下,严格地按时序关系进行数据读写处理。故时钟发生错误或指令信号CAS、RAS、WE中断或未按时序送出都将出现变频混乱现象,出现异常的画面。所有控制信号的频率会随信号格式的不同发生变化。信号不同SVP-CX12运算速度、程序运行指令都将不同,故SVP-CX12及动态帧存储器在运行时,IC表面温度都比较高。
SVP—CX12(129)、(61)脚送出的CSO#和CS是片选信号。当SVP-CX12外挂一块动态帧存储器U2时,电路上只用了(129)脚送出的片选信号CSO#,它经电阻R281送入动态帧存储器U2(20)脚。康佳电视也是用(129)脚送出的片选信号,此信号直接送入动态帧存储器U2(20)脚。
动态帧存储器也叫SD同步随机存储器,其特点是传送双向的数据,速度快。长虹CHD-6机芯使用的SDRAM型号为M12L64322A-6T,康佳TT机芯使用的SDRAM型号为S42S322OOC1—6TL。虽然两个SD型号不同,但仔细观察引脚功能,会发现完全相同。下图为M12L64322A-6T内部信号处理框图,从图中不难理解S42S322OOC1-6TL的工作方式。
下图中有些字符的定义在前面的内容和图中给大家作了说明,在此不做更多说明。这里再给大家介绍U2(16)、(71)、(28)、(59)脚送入的DQM信号的用途。由于SD具有双向传输信号的能力,当系统SVP—CX12发出DQM1~DQM3数据输出方向控制信号时,如一个写入命令时,一个DQS信号便会由内存控制器送出至SD(U2)信号,实现数据写控制,即将数据从SVP-CX12调入存储器中,反之也一样。
由上面介绍的内容可以看出,不同品牌电视只要采用同样的变频芯片,其电路组成方式几乎相同,即使元件位号、参数有些不同,但电路的工作方式、电路结构非常相似。既然如此,凡遇到电路上采用SVP—CX12芯片生产的电视机,接收TV、AV、VGA、HDTV信号图像均异常,如呈马塞克、花屏(字符也花)等图异故障时,都通过查动态帧存储器相关脚电路便可将故障排除。但要特别注意的是,SVP-CX12组成的变频电路还有别于其他变频芯片,变频通道出故障不但会导致图像、字符异常(字符信息由并行总线送入SVP-CX12与图像信号叠加一起变频处理),还会出现自动关机现象。故出现反复自动关机且画面也不正常时,首先应当想到变频电路有故障。变频电路的检修可采取测量排阻两端电压、两端对地电阻。
十、变频电路工作原理图
十一、引脚功能与维修数据

十二、典型应用电路


网友评论