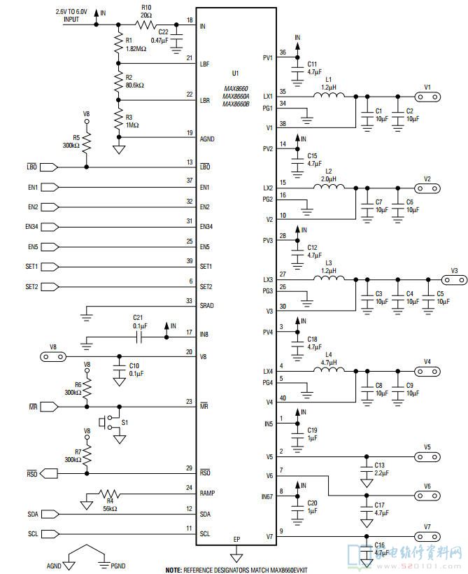
概述:MAX8660采用无铅、5mm×5mm×0.8mm、40引脚TQFN封装。2.6V至6V输入电压范围以及7.5V最大极限电压允许使用1节锂离子(Li+)电池,3或4节NiMH电池,或经过稳压的5V作为输入。

一、MAX8660功能和特点:   
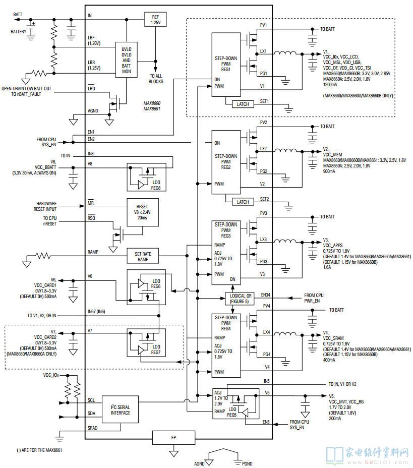
    ●针对MarvellPXA300和Armada100系列处理器进行优化
      ●7.5V过压保护—高于6.3V时关断保护
      ●四路同步降压转换器
      ●REG1、REG2、REG3、REG4
      ●四路LDO稳压器
      ●REG5、REG6、REG7、REG8
      ●2MHzPWM开关频率允许使用更小的元件
      ●深度休眠状态下耗电仅20uA

     ●低电池电压检测与复位输出


二、MAX8660引脚功能


三、MAX8660内部方框图


四、MAX8660典型应用电路


五、MAX8660电气参数