常说的阻容降压就是指电容降压式电路,实物如图1所示,其作用是将输入的220V交流电转换为低压直流电。这类电路通常用于低成本非隔离的小电流电源中,其输出电压通常可在几伏或数十伏,所能提供的电流大小正比于电容容量。
电容对于交流信号具有阻碍作用,其大小用容抗(Xc)来表示。容抗与交流信号的频率成正比,与电容的容量成反比,即Xc=1 /(2ΠfC)。例如:在市电电路中(频率为50Hz),一只容量为1uF的电容的容抗约为3180Ω。当220V的交流电加在该电容的两端时,则流过该电容的电流约为70mA。虽然流过电容的电流有70mA,但在电容上并不产生功耗。
众所周知,如果将一只8w/110V或5W/65V的灯泡直接接在220V市电电路中,灯炮肯定会烧毁;如果将灯泡与一只1uF的电容串联后接到220V市电电路中,灯泡会正常发光,不会被烧毁,这是因为8W/110V与5W/65V灯泡额定电流分别为72mA( 8W/110V)、77mA(5W/65V),均与1uF电容允许的最大电流(约为70mA)接近。由此可见,如果在电容后再串联一只阻性元件,则流过阻性元件两端的电压及功耗完全取决于阻性元件自身的特性,电容实际上起到一个限制电流和动态分配电容和负载两端电压的角色。
二、阻容降压电路分析
在图2中,若不接稳压二极管,整流后未经稳压的直流电压一般会高于30V,并且会随负载电流的变化发生很大的波动,这是因为此类电源的内阻很大,故不适合大电流供电的场合。
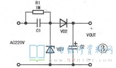
在实际应用时,可将VD1换成稳压二极管,如图3所示,让VD1既起稳压作用,又在市电负半周时给C1提供放电回路。
上述电路均是采用半波整流方式,输出的直流电流约为整流前输人交流电流的0.44倍,若上述电路中的C1容量为1uF,流过该电容的最大电流约为70mA,则半波整流后输出的最大直流电流约为30mA。若想向负载提供较大的电流,则可采用桥式整流电路,如图4所示,这是因为桥式整流输出的直流电流为半波整流方式的两倍,即为整流前输人交流电流的0.89倍。也就是说,在图4中,若C1容量为1uF,则整流后输出的最大直流电流约为60mA。
值得一提的是,虽然全波整流电路的输出电流也较大(与桥式整流相同),但一般采用浮地方式,稳定性和安全性均较差,所以在此类电路中基本不采用。
三、元件选择
1.降压电容
在制作阻容降压电路时(以图3为例),应先测定负载电流的值,然后选择降压电容的容量。这是因为流过负载的电流均来自市电对C1的充电电流(Ic),C1的容量越大,容抗Xc越小,C1的充、放电电流也就越大。当然,并不是说C1的容量越大越好,因为当负载电流lo小于C1的充放电电流时,多余的电流就会流过稳压管VD1,当VD1的最大允许电流小于lc-Io时,VD1会损坏。在AC220V电路中,降压电容的容量与充电电流(Ic)的对应关系见表1,供选择时参考。

另外,为了保证C1可靠工作,其耐压应大于两倍电源电压,即大于400V,一般选择630V。
2.泄放电阻
泄放电阻R1的选择原则是在要求的时间内泄放完C1中残存的电荷。泄放电阻的阻值与电容的大小有关,电容的容量越大,残存的电荷就越多,泄放电阻的阻值就应选小些。该电阻经验数据见表2,供参考。

提示:1.由于阻容降压式电源是一种非隔离电源,未和市电隔离,在使用和检测中须注意安全,以防触电;2.注意稳压二极管的功耗选择,并严禁断开稳压二极管上电试机。
四、实际应用电路示例

图5是一款LED照明灯电路,可控硅SCR及R3组成保护电路,当流过LED的电流大于设定值时,SCR导通一定的角度,从而对电路电流进行分流,使LED工作于恒流状态,从而避免LED因瞬间高压而损坏。图6也为Led照明灯电路,C1、R1、L1、R2与压敏电阻组成电源初级滤波电路,能滤除市电输入中的瞬间高压。C2、R2组成降压电路;C3、C4、L2及压敏电阻组成整流后的滤波电路。此电路采用双重滤波电路,能有效地避免LED被瞬间高压击穿。

图7是一个最简单的阻容降压电路,电路中利用两只反向并联的LED对降压后的交流电压进行整流。该电路广泛地用于要求不高的指示灯电路中,如夜光灯或按钮指示灯。

图8、图9是简单的装饰灯控制电路。在图8中,当开关K闭合时,小灯泡熄灭;当K断开时,小灯泡亮,开关K的控制方式正好与通常的开关相反。在图9中电路中串有几只小灯泡作为装饰用。电容C1起功率补偿作用,并能消除部分市电电网干扰。
网友评论