温度传感器多为负温度系数的热敏电阻,即温度上升,阻值下降;温度下降,阻值上升。当温度变化使温度传感器阻值变化时,温度检测电压也会随之发生变化,CPU据此判断相应点的温度,并发出相应的动作指令。
提示:在常温下,用万用表测量传感器阻值,所测阻值应与该传感器25°C时的阻值接近;若把传感器放入热水中,电阻值应减小。
一、内盘管温度检测电路
内盘管温度即室内热交换器盘管的温度。室内管温传感器使用铜头探头,安装在室内热交换器侧面“U"形管道的专用铜筒内。内盘管温传感器通常有5k/25°C、10k/25°C和15k/25°C三种规格,其典型应用电路如图1所示。内盘管温度与空调的控制方式见表1。
降,RT2与相对应基准电阻R118对+5V分压取样, RT2分得的电压变低,则CPU的内盘管温度检测脚Trc的电压降低,这个电压的变化反映了RT2的阻值变化,即内盘管温度的变化,CPU通过监测Trc内盘温脚的电压变化,对空调的电控系统进行控制,作出相应动作。
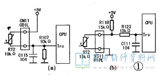
二、室温检测电路
室温即室内环境温度、回风温度。室温传感器使用塑料探头,安装在室内热交换器的进风口侧,由塑料件支撑。室内环境温度传感器通常有5k/25°C 、10k/25°C、15k/25°C和25k/25°C四种规格,其典型应用电路如图2所示。
在实际运行中,空调电控板会根据室温与设定温度的差值ΔT(制冷:ΔT=室温-设定温度;制热:ΔT=设定温度一室温)来控制内风机及压缩机转速,具体控制关系见表2。
当室温传感器开路时,整机制冷时不启动或启动一下就停机;制热时工作正常,且一直是高频运转。当室温传感器阻值漂移时,压缩机的运转频率升不上去或降不下来。
三、外盘管温度检测电路
外盘管温度即外部热交换器盘管温度。外盘管温度传感器使用铜头探头,安装在室外热交换器侧面“U"型管道的专用铜筒内,用于采集室外热交换器盘管的温度,作为制冷防过热保护(限定压缩机运行频率),并在制热时作为自动除霜的依据。外盘管温度传感器通常有5k/25°C、10k/25°C、15k/25°C和50k/25°C四种规格,其典型应用电路如图3所示。外盘管温度与空调的控制方式见表3。

当室外盘管温度传感器开路时,制冷正常,但制热时,每隔45min就化霜一次, 10min解除化箱,如此反复。四室外环境温度检测电路室外环境温度传感器使用塑料探头,安装在室外机热交换器背部表面的进风口侧,由塑料件支撑,用于采集室外环境温度,作为控制室外风机速度,限定压缩机最高运行频率、辅助化霜的依据。室外环境温度传感器通常有5k/25°C、10k/25°C和15k/25°C三种规格,其典型应用电路如图4所示。室外环境温度与空调的控制方式见表4。

当室外环境温度传感器开路时,制冷不受影响,但制热时空调一直以低频率运转,频率不上升。
五、压缩机排气管温度检测电路
压缩机排气管温度传感器安装在压缩机排气管专用铜套内,用于采集压缩机排气管温度。 当排气管过热时,CPU会限制压缩机运转频率,有的机型还会控制电子膨胀阀的开启度。压缩机排气管温度传感器通常有10k/25°C、15k/25°C和50k/25°C三种规格,其典型应用电路如图5所示。压缩机排气管温度与空调的控制方式见表5。

当压缩机排气管温度传感器开路时,压缩机一直处于高频(不会降频)运转状态;短路时,制冷、制热状态均无法开机。
六、压缩机壳顶温度检测电路
压缩机壳顶部温度传感器或温控器,安装在压缩机外壳顶部,用于采集压缩机壳顶部的温度,与软件数据比较后确定是否限定压缩机运行频率或实施保护。压缩机壳顶部温度传感器通常有15k/25°C、25k/25°C 60k/25°C几类。图6为两种典型的压缩机壳顶部温度检测电路,图(a)为传感器采集温度式,(b)为温控器采集温度式。压缩机壳顶温度与空调的控制方式见表6。

七、热交换器温度检测电路
热交换器温度传感器紧贴安装在热交换器上,用于采集室外热交换器的散热片温度。某空调的热交换器温度检测电路如图7所示,该传感器与取样电阻R50对+5V分压,通过L6供给CPU的13脚,CPU据此判断室外热交换器的温度。
网友评论