

1.室内部分电脑板接线图(图1)
室内部分电脑板电路原理如图2,其核心是单片微电脑IC5(M37451M8-151FP)。IC5的64,65脚是模拟信号输入端,用于接收热敏电阻送来的温度信号。IC5的74,75,76,77,78脚是与室外电脑板交换信息的通信端口,当然这种通信不是直接的,必须通过专门的收发接口电路IC10(SN751178N)来完成。IC5的16脚向操作显示电脑板发送命令和数据,IC5的19脚接收来自操作显示电脑板的命令和数据。板上的BCD码开关SW1、SW2用于设置该设备的编号(正确设置范围是0~47)。系统正常工作时绿色指示灯LED·G闪烁,当系统工作异常时,空调的一切操作立刻停止,此时红色指示灯LED·R闪烁,故障部位以代码形式显示在LCD屏幕上。室内电脑板上使用了相当数量的贴片元件,无元件型号及数值。例如W5是共阳极微型半桥,LE是NPN微型三极管。


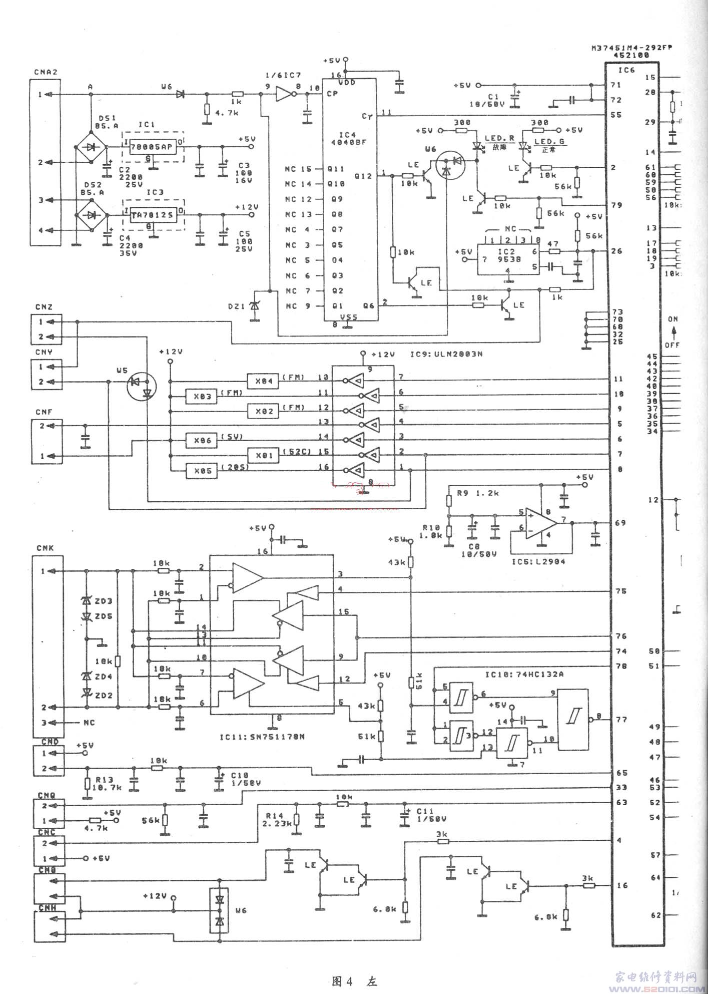
2.室外部分电脑板接线图(图3)
室外部分电脑板电路原理如图4,其核心是单片微电脑IC6(M37451M4—292FP)。室外电脑板电路结构和原理与室内电脑板完全类似,故不再赘述。
3.操作显示电脑板电原理图
该电脑板电路如图5,其核心是单片微电脑uPD7514G。操作显示电脑板与室内电脑板的联系是通过X、Y、Z三线实现的。其中X线为供电+11.2V;Y线是输入/输出通信线;Z线是公共地。
网友评论