三菱电机空调在业界一直有高稳定性、高质量和高性能的口碑,它是采用一级能效比的全直流变频空调,其舒适性耐用性、节能性较好;同时较其他品牌空调售价也更高,一直深受对空调有品质追求的高端客户所青睐。该机主要采用三菱专利技术的龙骨直流变频压缩机,松下或芝浦的内外直流风机,不二工机电子膨胀阀,华鹭四通换向阀等。电控板设计复杂、保护完善,采用了大量的贴片元件以及双面走线工艺。笔者修理过数台该机,大部分均为内机板故障(反而外机变频板相对故障率较低),因此本文先对内机进行解剖,讲解器件安装位置、拆卸方法和器件特点,实绘内机电控实物板电路图供大家维修参考。
内机拆解见《三菱电机MSZ-SC09VC全直流变频分体空调内机的拆解(图)》一文。
一、内机电控板
该空调室内机电控板采用双面印制电路,线路密集,采用大量的贴片电阻、电容、二三极管等。电控板由电源输入电路、开关电源电路、通信电路、传感器输入电路、风摆步进电机控制电路、直流风机控制电路、外机电源供电电路、空清控制电路、动态地面测温电路、应急开关电路、遥控接收及指示灯显示电路等组成。
1.电控板接插端口功能
该系列的机子在内机的电控板上安装了外接器件的接插端子,以便于维修拆装更换器件、板子,而且每个接插端口的规格、尺寸不一样,这样可有效避免安装外接器件时装错端口导致损坏的潜在危险,且每个器件端口都是一--对应的,不同编号端子是对接不上的。为了便于学习维修, 笔者对板子的外接器件端口作一一介绍,如图21所示。
2.内机电控板原理
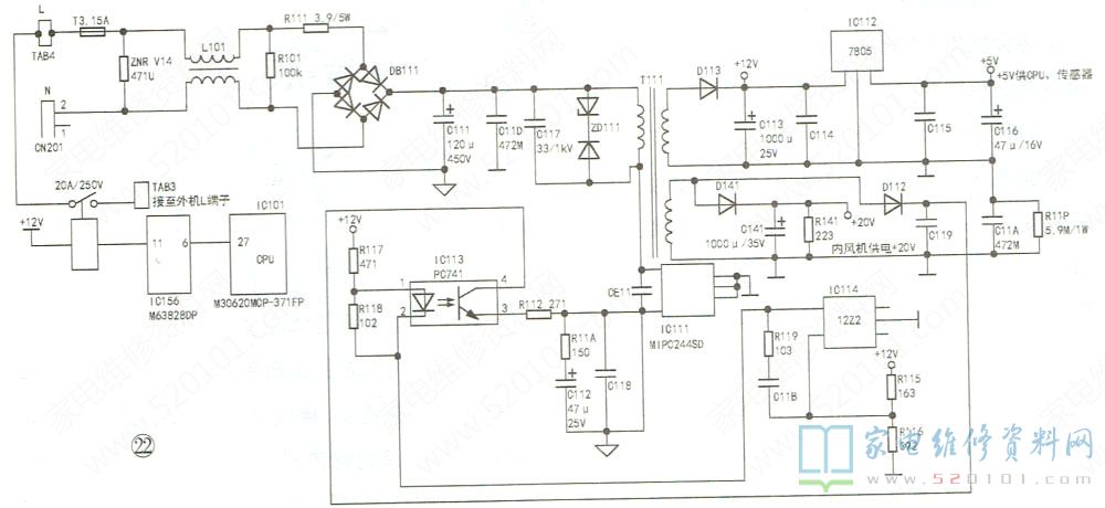
(1)开关电源工作原理开关电源电路原理图如图22所示。
1)瞬间高电压保护电路原理
内机电控板电源L接TAB4端子,N接CN201端子的②脚,经T3.15A保险管后并接了ZNR V14 471U (表示直径为14mm,最高承压470V )的压敏电阻。此压敏电阻两端的电压超过470V就会击穿短路,从而导致其前面的T3.15A保险管被短路大电流瞬间烧断,防止高电压进入之后的电路,起到瞬间高电压(例如:雷电、错接AC380V等)过高的保护作用。
2)瞬间高电压保护电路检修要点
如果遇到压敏电阻击穿损坏、保险管熔断的电控板,先别急着更换这两个器件,应该使用万用表检查一下之后的L、N输入电阻,以及主要的器件是否正常,例如,整流桥、开关变压器、开关管是否炸裂或烧焦等,无异常后再更换损坏的压敏电阻和保险管。压敏电阻的更换,如果是AC220V输入电压,建议使用ZNR471U系列(承压470V),而其直径问题,要结合电控板的空间,只要电控板安装位置能牢固、安全放置就好,大小直径对性能没有影响;如果使用的电压是AC100V场合的空调,压敏电阻使用ZNR241U或ZNR271U都可以。
3)整流滤波电路原理
压敏电阻之后,电源L.N接入滤波电感L101,用于抗高频谐波干扰,提高其功率因数,降低损耗,延长产品使用寿命,稳定机子性能。L101后电源L串接了一只3.92/5W的限流电阻R111,之后接入整流桥使交流电变直流,在直流电源+.-端再并接C111, 120uF/450V滤波电容,使直流电源更平滑,同时还并接了C1ID,C472M无极小电容用以滤除高频波干扰,确保电控板得到一个纯净,高质量的直流电源。
4)整流滤波电路检修要点
整流滤波电路空载时滤波电容两端电压为DC 340V左右,带载情况下约DC 310V。该电路使用器件比较高端,如日本尼吉康品牌的滤波电解电容等,损坏的几率小,但是由于该电容的体积大焊接脚承重有引脚虚焊的现象。该电容虚焊时可能导致直流电压下降,纹波系数过大,开关电源会发出吱吱”的工作噪声,因此在维修时要注意观察与测量。
5)开关电源电路原理
经滤波后的+310V左右的直流电流经开关变压器的初级线圈至场效应开关管组成的电源模块,在开关管工作与截止时,就会在开关变压器的次级感应出电动势,经二极管整流及滤波后输出三路直流电压,一路是+12V电压供步进电机、M63828DP反相器、继电器使用;另一-路是+5V电压供CPU、传感器电路使用;还有一路是+20V作为室内直流风机供电用。
调压过程:当某时因市电输入电压突变导致瞬时T111次级输出电压也同时变高(低)时,IC114稳压模块导通量以及流过电流跟着变化,光耦IC113发光量以及光敏管流过电流也同步变化,对开关管的C极进行开关脉冲调整,调节开关管的开/关频率,从而调整与稳定开关电源的次级输出电压。
反峰吸收电路:开关管在截止期间,会在开关变压器初级产生高压的反峰电压,如果此电压得不到吸收(泄放)通道,久而久之就会击穿烧毁开关管,因此在开关变压器初级线圈端并接了由ZD111和C117组成的反峰吸收网络(电路),用于保护开关管。
检修提示;此开关电源设计相对比较简单,如果遇到电源电路异常,无直流电输出屡烧开关管的时候,切勿一换了之。重点检查反峰吸收电路,调(稳)压电路的IC114和光耦IC113,正常情况下,测量光耦IC113的输出端直流电压是20V;测量开关管的C极对热地的直流电位大约在5.88V左右。
(2)通信电路原理
内机通信电路原理图如图23所示。
内机通信电路工作原理:通信电路是变频空调实现内外机控制的主要手段与电路方式。通信电路有内机发送端、接收端;也有外机发送端、接收端,本文主要讨论内机电控板的接收与发送端。
该机的通信电路供电由外机提供,内机电控板接插端口CN201中S是通信线,N是接零线在这两端并接了+24V的稳压二极管ZD132,为内机通信电路提供稳定的+24V电压。
内机电控板的IC131是内机往外机发送信号光耦,IC132是外机往内机发送信号的接收光耦。工作原理是:当内机往外机发送信号时,CPU 22脚输出信号至三极管Q131,三极管工作给光耦IC131内部发光二极管正极供电,而负极通过电阻R134接地,电流流过发光二极管进行光电信号传输,光耦器导通输出,从而使S通信线R132、D134、IC132光耦内部发光二极管的正极,负极通过IC131、N零线提供供电环路。当内机发送高/低电平脉冲信号,室外机也得到高/低电平脉冲信号;当外机向内机发送信号时,通过供电环路,IC132光耦直接加到CPU 21脚,从而实现内外机的通信互传与控制。
检修提示:通信电路在目前变频空调中故障率相对比较高。主要表现在通信电路的+24V供电故障;光耦性能老化导致接收数据异常;通信线接线端子或通信线接触电阻太大导致数据通信错乱;电控板工作于粉尘比较大或环境比较差的场合,CPU及相关器件布满灰尘或污浊空气导致密集的线路腐蚀、零件老化或尘埃轻微短路、漏电等现象。
(3)室内直流风机控制原理
室内直流风机控制原理图如图24所示。
1)室内风机类型与常用品牌
目前空调的室内风机一般有交流抽头调速风机、PG电机和全直流变频空调采用的直流风机。就室内风机而言,直流电机由于采用永磁转子,具有效率高、发热量低、无极调速精度高噪声低等特点,是当前高端变频空调的必配。市场中常用的直流风机品牌-般有松下、芝浦 、威灵大洋电机等。本系列机子采用的是芝浦或松下(不同批次,空调制造供应商有变更)电机,而本机使用的是芝浦的直流风机,型号是:RCOJ30-CH,功率30W,工作电压DC280~340V。直流风机外部设置了5根线,内部放置了一块驱动板,其控制电路比较复杂。外部线路的5根线分别是内驱动板变频模块的工作电压VDC+310V供电线、接地线、Vcc+15V板子供电线Vsp调速控制线FG转速脉冲反馈线组成。
2)室内直流风机引线介绍与控制原理
VDC:直流风机驱动模块供电。机子的直流风机内部镶嵌了-块驱动板,该板子驱动模块需要DC310V左右(带载)的电源,通过驱动信号带动MU.MV.MW三相直流电机运转,其工作原理与空调的直流变频压缩机控制原理相似。
Vcc:风机内部的电控板及相关器件需要提供+15V电源,以确保板子能正常工作。直流风机+15V供电原理是:当CPU接收到开机及风机运转信号,就会从CPU的73脚输出高电平,进入IC153反相器的②脚从15脚输出低电平,而IC144光耦输入级一端接+5V,另一端接低电平,此时内部发光二极管工作,进行光电信号传输,使输出级导通对Q141电源模块等进行调节与稳压使风机接插端口CN211的Vcc稳定在+15V电压进行供电。Vsp:直流风机转速控制。当cPU接收到转速控制调整指令后,就会在CPU的26脚输出对应的高电平,进入IC153反相器的④脚,从13脚输出对应的低电平至IC142光耦输入级的负极,此时如果风摆的微动开关正常(也就是说导风板正确安装上),+5V电压就会通过微动开关供电给IC142光耦输入级的正极,光耦工作,内部进行光电信号传输,从光耦的输出级就会得到对应转速的控制信号电压,再通过直流风机内部的电控板驱使风机以设定的转速或模式运转。
FG:直流风机转速反馈。为了精准对直流风机转速控制以及实施保护控制,在直流风机端设置了转速反馈的FG线。直流风机运转时FG线输出的是含高低电平的脉冲,当输出低电平脉冲时接至光耦IC143输入级的负极,而正极通过R145与R149电阻分压后接+15V,光耦工作进行光电传输,输出级导通,此时CPU 15脚通过R147、R148电阻后接地。因此CPU 15脚得到低电平;当直流风机FG输出高电平脉冲加到IC143光耦的负极时,由于光耦输入级没有电压差或电压差偏小,未能有效驱动光耦发射光信号而进行光电转换,光耦的输出级不工作,此时CPUS脚保持高电平,风机正常运转。因此,CPU 15脚应该得到高、低电平的脉冲信号,用以反馈转速数据给CPU,便于CPU调整更精准的Vsp转速控制信号来驱动直流风机。同时,该反馈信号如果异常(例如,直流风机不运转),CPU 15脚接收不到风机运转的脉冲也会报故障停机。
检修提示:该电路比较复杂,贴片元件多,检修难度较大,遇凤机不转故障重点检查供电+310V、+15V是否正常;风机开启时Vsp调速端口是否有2.5V~7V左右的直流电压,当以上数据有一个异常都会导致风机不运转。如果运转一会儿停转,重点检查FG脉冲反馈信号,如在CPU 15脚没有得到连续的高、低电平脉冲,说明控制电路或电机有故障。
(4)传感器电路
工作原理传感器电路原理图如图25所示。

传感器电路的作用就是把实时的管温、室温温度转化为电压信号供给CPU进行开/停机、压缩机转速调节、电子膨胀阀开度、防冻结保护等控制的输入电路。室内机安装了三个传感器,热交换器中设置了主、副两个负温度系数的热敏电阻(传感器),在内机右下角安装了室温温度传感器。三个传感器的阻值随着温度的变化而改变,从而改变了电路下侧并接电阻后的分压,使CPU得到不同的电压,机子根据电压值进行功能判断并执行。检修提示:该电路中室温传感器输入电路故障率很低,从业多年未遇到器件损坏,而管温传感器故障率较高,主要是由于管温传感器老化,对温度的感知变弱,导致空调不开机报故障等现象。检修时可以对这些传感器进行升温(把传感器放入温水中或用吹风机、电烙铁加热等)或降温(把传感器放入冷水中),使用万用表电阻挡观察电阻数据是否会随着温度变化连续发生改变,如果不变或在较大温差范围内变化幅度过小就可以判断该传感器故障,需要更换。更换时要换用相同规格的(同温度下测试阻值与原机完好的传感器数据基本一致为宜,一般空调常用的有15k、10k、5k三种)。
(5)遥控接收与指示灯显示电路工作原理
遥控接收与指示灯显示电路原理图如图26所示。
当遥控器发射红外信号时,在室内机右下角有一个接收窗口,内部放置了一颗接收头,工作电压是5V,接收到信号时就会经电阻R302、R192把信息送到CPU的20脚,让CPU去判断、执行相关的功能。室内机右下角还放置了指示灯板,分别是运行指示灯LED4、空清指示灯LED3、动态地面测温右指示灯LED2和动态地面测温左指示灯LED1。其控制原理比较简单,例如,运行指示灯的控制,当执行开机信号时,CPU④脚输出高电平,Q1E4三极管集电极与发射极导通,运行指示灯LED4正极接+12V,负极接电阻R1E4限流降压后通过Q1E4接地,LED4得电导通。其余三颖指示灯工作机理相同,不再一一描述。如遇故障时,也会从CPU 20脚输出相应的高、低电平使LED4指示灯闪烁等告知故障信息,便于检修。
检修提示:在环境比较潮湿时,遥控接收头接收信号异常是常见故障,简单处理只需用吹风机对着接收头部位加热即可,为了一劳永逸则建议换用市售的接收头,但要注意三根引脚的接法是否正确。指示灯电路多是由于腐蚀导致指示灯引脚霉断,不亮,虽机子仍然可正常使用,但建议更换指示灯并给板子、器件引脚涂上防潮清漆。
(6)风摆步进电机控制电路工作原理
风摆步进电机控制电路原理图如图27所示。该机子导风板具有上下和左右导风功能,分别使用两个步进电机进行各自的控制,实现业界所称的360°立体送风,使房间的温度更均匀和舒适。CN151 是两个步进电机的接插端子,CPU分别从77~84脚相关管脚送出脉冲信号,通过反相器IC151和IC153反相后驱动上下导风板和左右导风板的步进电机实现遥控设置的导风位置或模式,对房间送风。
二、内机电控系统常见故障检修
例1:上电后室内机右下角面板的4颗绿颜色LED灯(运转、空清、测温左、測温右)同步闪烁,整机不工作。
故障检修:从故障现象看估计是出风口上下动作的导风板安装不到位或微动开关接触不良所致,如图31所示。
细查后发现微动开关时而接通时而不通,检查线路无异常,使用除锈润滑剂喷洗后故障排除,有条件的也可换新。提示:空调在粉尘或油烟比较大的场合使用,易导致此微动开关失效,出现接触不良现象。
例2:上电后室内机出风正常,运行指示灯点亮,3min后运行指示灯一直在闪烁,机子不工作。
故障检修:上门检修,用户说该机在前一天用得还好好的,突然就不能用了,上电后发现出风、风摆等一切正常,但是3min后就出现室内机右下角运行指示灯一直闪烁。为了查清故障,撬开内机右下角接线端子底壳角盖,使用万用表测量端子电压发现送往外机的L与N之间没有AC220V;S(信号线)与N(零线)之间无直流电压,估计问题在内机板。重新上电开机,3min后内机继电器吸合,没有电流送往外机,细查后发现内机继电器52C/x10线圈虽能得电,也听见动作声但触点不吸合,导致没电送往外机,外机板没电,内外机之间不能正常通信而出现故障。现场维修中没有一模-样的欧姆龙DC12V,20A/250V的继电器,就从工具袋中找出一块其他电控板子进行拆卸,也是一个DC12V,20A/250V,泰国产的Matsushita(松下)继电器,如图32所示,替换后试机故障修复。
例3:上电后每隔3s指示灯闪烁2次,整机不工作。
故障检修:上门检修,指示灯能亮说明内机板的电源是正常的,估计是内机传感器问题。拆下电气盒盖,分别测量管温、室温传感器,其中一个管温传感器的阻值接近500k,如图33所示,而另一个管温传感器阻值为12.1k,室温传感器的阻值与之接近,看来问题就在500k这个管温传感器上。用烙铁给该传感器加热,发现阻值一直没变化,说明已经损坏(或者可以看成是近似开路损坏),将其更换后故障排除。
提示:传感器在不同环境温度下其阻值是随之相应变化的。目前在空调中常见的是负温度系数的热敏电阻(传感器),随着热交换器温度的变低(制冷时)其阻值变大或者说热交换器温度变高(制热时)阻值变小,检修时要予以区分。
例4:上电开机,内风机转10s后指示灯每隔3s闪烁3次,机器不工作。
故障检修:上门检修,测量内机板各组供电正常,通信电路正常,转动几秒钟后报故障,说明内风机是可以运转的,内风机的+310V和+15V供电正常,估计问题出在风机或转速反馈FG电路,如图24所示。
测量CPU的15脚转速反馈脉冲一直是高电平,说明转速脉冲没有送到CPU的⑤脚。细查后发现,内风机在运转期间,CN211接插端子⑥脚送出的脉冲一直为高电平,导致光耦不工作,无法发送光电信号,当CPU的15脚多次没有接收到反馈的转速脉冲时就认为风机或控制电路异常,报故障运行指示灯每间隔3s闪烁3次,致使整机停机。换用同规格的内风机后故障排除。
提示:内风机必须换用直流风机,不能用其他风机替代,否则无法正常运行。更换直流风机时可以使用松下RCOJ40-EB、芝浦RCOJ30-CH型号,两者虽然是不同品牌,但都是该款空调三菱电机不同批次的供应商,这两款直流风机可以互换,如图34所示。
例5:插上电源,整机无反应。
故障检修:上门检查,三脚插座有AC220V电压,拆开内机塑料外壳,发现线路板已经不见金属盒盖,抽出电控板闻到一股类似烧焦的异味,细看发现一只小壁虎在电源开关管附近已烧焦。检查内机电控板的保险管已经熔断,R111 (3.9Ω水泥电阻)损坏,整流桥击穿损坏,如图22所示。
再细查开关管、开关变压器以及次级输出正常,逐一对损坏器件更换后故障排除。
提示:不管拆装机、维修、保养后电气盒盖一定要盖好复原,避免小动物跑到内外机电控板导致短路的现象。
例6:上电开机,室内机出风正常,运行指示灯点亮,3min后运行指示灯一直在闪烁,整机不工作。
故障检修:上门检查,线路无破损,供电正常,次级输出的各组直流电压正常。如图23(5期9页)所示,测量通信电路S(通信线)与N(零线)之间的直流电压在18V~19V之间,变化幅度很小,正常应该在8V-22V之间变化,什么原因导致?电压能达到18V~19V,说明供电正常,估计信号传输异常。在线测量其他的元件未见异常,维修陷入困境。
对一些贴片或大引脚的元件补焊,故障依旧,因此估计光耦老化导致光通量严重衰减。网购通信电路用光耦NEC701A将其更换后试机,故障排除,如图35所示。
提示:对于一些器件老化等的“软”故障,一般在线测量元件很难查出问题,遇到此情况,建议拆下测量或者直接用替换的方法尝试。


网友评论