一、 本机特点
a) 微电脑控制
内置的微电脑功能强大,使用LED指示,显示简洁。遥控器操作简单,易于使用。空调器可以调节室内温度、湿度,无需您劳神,为您提供一个舒适的空间。
b) 12小时开/关机定时器
定时器可以预约12小时定时开关空调器。
c) 强力除湿
除去潮湿空气中多余的水分,给您以凉快干爽的感觉。
d) 风向自动控制
通过自动控制室内机水平导风叶片的转动,将调节后的舒适气流送到房间的各个角落。
e) 自动及3级风速
室内风速可设定于自动/高/中/低四种状态。
f) 睡眠节能功能
此功能能够科学的改变房间温度设定,在保证给您提供舒适的房间环境的前提下,有效的为您节省电力。
g) 超宁静运转
千锤百炼的风道设计,最佳的进出风角度,使气流宁静顺畅,噪声降到最小。
h) 精巧外观
该型号的空调器与具有相同能力的以往产品相比,外观更新颖。
功能说明
A、主要通用技术参数
1、使用条件:环境温度(-15℃~ +45℃),相对湿度(45% ~ 85%)。
2、遥控接收距离: 8 米。
3、遥控接收角度:小于80度。
4、温度控制精度:±1℃。
5、时间误差:小于1%。
6、空调器电源为交流220V、50Hz,电源的波动范围(160V~253V)。
7、变频控制器符合GB 5956-91 房间空调器电气设备的安全要求 和GB/T 7725-1996 房间空气调节器 。
8、振动试验:频率50Hz,加速度2.5g。
9、印刷线路板符合GB4588.1和GB4588.2的规定。
10、电磁兼容性符合国家有关标准要求。
B、控制器功能
1、显示面板
VFD显示方式
(a)频率显示:表示压缩机频率,高效以全亮显示。
(b)可显示室内和室外温度(通风时不显示室外温度),显示温度范围为(-19℃~99℃)。当设定温度改变时,室内温度显示区变为显示设定温度,5秒钟后恢复显示室内温度;按遥控器温度传感器切换键四次后,室外温度显示区显示空调当前状态测试结果,没有故障显示零,否则显示相应的故障码。
(c)风速显示:VFD风叶分别以6,4,3个叶片显示高、中、低风速,风叶中心自动图标表示自动风速。
(d)模式显示:自动、制冷、制热、除湿用面板上LED图标表示;通风用VFD上风叶转动表示。
2、应急开关
2.1按动应急开关一次为开机,再按一次为关机;按自动模式工作,室内控制温度设定为24℃,室内风速设定为自动,风门扫掠。
2.2空调器通电后(关机状态下)按住应急开关停留5秒以上,蜂鸣器响三声,控制器进入试运行。试运行为强制制冷,室内风速设定为高速,风门扫掠,空调运行与室温无关。
2.3应急运转中,如接收到遥控信号,则按遥控信号命令运转。
3、人机对话
3.1空调设有温度传感器检测室内温度,遥控器上装有温度传感器(这种遥控器具有人机对话功能),另外室内进风口处也装有温度传感器。在遥控器装有温度传感器的情况下,室内温度默认设定以遥控器检测为准。遥控器每20秒检测一次室温,间隔3分钟或检测室温改变时自动发射一次。室内控制器如果超过10分钟仍未收到遥控信号,则自动切换到室内机上的温度传感器进行控制。
3.2开关机操作不能取消人机对话功能。
3.3空调器默认值为人机对话功能启动。
4、定时功能
4.1定时开机:通过遥控器设定定时开机后,空调器进入定时开机状态,设定时间到达后,空调器收到遥控器的信号后按照设定状态开机运行;如果达到设定时间后,空调器仍未收到遥控器发送的信号,空调器自动按照设定状态开机运行。
4.2定时关机:通过遥控器设定定时关机后,空调器进入定时关机状态,设定时间到达后,空调器收到遥控器的信号后关机;如果达到设定时间后,空调器仍未收到遥控器发送的信号,空调器自动关机。[Page]
4.3开关机操作不能取消定时器功能(遥控器上具有一小时便捷定时关机,此操作除外)。
5、并用节电功能
5.1按动遥控器并用节电键,进入节电运行状态,再按动一次该键,功能解除。
5.2进入并用节电后,通过调节压缩机运转频率,限制压缩机运转的最大电流,使电流不超过5A(此值随机型不同而调整)。
5.3开关机操作不能取消并用节电功能。
6、睡眠
6.1在制热、制冷或除湿模式下,按动遥控器上睡眠键,可以依次启动或取消睡眠功能。
6.2制热模式:启动睡眠功能后设定温度在1小时后降低3℃,再运行2小时后降低再降低4℃。
6.3制冷模式下:启动睡眠功能后设定温度在1小时后升高1℃。
6.4睡眠功能有效期为8小时,8小时后空调器自动关机并取消睡眠功能。
6.5默认设定状态为取消睡眠功能,关机操作后取消睡眠功能。
7、高效运行功能
在制热、制冷或除湿方式下可设定高效运行,室内风速转为高速风,压缩机以尽可能高的频率运行。运转15分钟后自动恢复原运行状态。
8、自动运行模式
开机后如果没有人机对话功能,室内风机先在“微风”状态下运转20秒钟后,再确定运转模式;在此期间检测室内温度,为确定运转模式作准备。
9、制冷运行模式
9.1温度补偿
补偿目的:对室内环境温度的测量更准确
补偿原因:1、室内温度的不均匀性,上部温度高,下部温度低。
2、室内温度传感器受室内蒸发器的影响
补偿原则:只有当用本体传感器时才进行补偿,当以遥控器上的传感器为准时不进行补偿
9.2室外风机
室外风机单速。
9.3室内风机
当风速设定为高、中、低风速时按设定风速运行。
当风速设定为自动时,根据室内温差来设定风速大小。
9.4 防止室内低风速时的凝露及换热不充分
当室内风速设定为低风速时,压机功率按低温制冷进行限制。
9.5 四通阀
状态:制冷时处于断电状态
切换:首次上电进行制冷时,四通阀立即断电。
由制热转换到制冷时,四通阀由上电状态转换到断电状态需要间隔一段时间。
9.6 风门控制
风门如下图所示
(1) 当设定为如图所示的1~6的某个位置时,按设定固定于相应位置。
(2) 当设定为自动时,在3~6之间摆动。
(3) 当设定为扫略时,在1~6之间摆动。
9.7防冻结保护
防冻结停机条件:室内热交换器温度小于“防冻结停机温度”时,且维持一段时间后,进行防冻结停机。
防冻结停机动作:压缩机停机,室外风机停,室内风机照常运转。
防冻结停机解除条件:当室内热交换器温度升至“防冻结解除温度”时,解除防冻结停机。
9.8制冷过电流保护:
过电流保护条件:电流大于等于“制冷电流保护停机电流值”,且维持一段时间,进行过电流保护。
过电流保护动作:以室内显示屏、室外指示灯进行提示,压缩机停机。
过电流保护解除条件:当电流降至小于“制冷电流保护解除电流值”时,解除过电流保护。
10、制热运行模式
10.1温度补偿
补偿目的:对室内环境温度的测量更准确。
补偿原因:1、室内温度的不均匀性,上部温度高,下部温度低。
2、室内温度传感器受室内蒸发器的影响。
补偿原则:只有当用本体传感器时才进行补偿,当用遥控器或线控器上的传感器为准时不进行补偿。
10.2 室内风机
当风速设定为高、中、低风速时按设定风速运行(防冷风强制为微风或停)。
当风速设定为自动时,根据室内温差来设定风速大小(防冷风除外)。
10.3防冷风
在制热运行时,防止室内机吹出冷风。
10.4吹余热
制热运转关机时,室内风机并非马上停止运转,而是直至室内蒸发器温度一定温度时才停,但最长为30秒。
10.5室外风机
室外风机单速
10.6 四通阀
状态:制热时处于上电状态。
切换:首次上电进行制热时,四通阀立即上电。
由制冷转换到制热时,四通阀由断电状态转换到上电状态需要间隔一段时间。
10.7 风门控制
风门如下图所示
(1) 防冷风时,无论设定状态如何,都强制固定于位置6,直到防冷风解除。
(2) 设定为如图所示的1~6的某个位置时,按设定固定于相应位置。
(3) 设定为自动时,在1~4之间摆动。[Page]
(4) 设定为扫略时,在1~6之间摆动。
10.8 防过载保护
过载停机条件:室内热交换器温度大于等于“防过载停机温度”,且维持一段时间后,进行防过载停机。
防过载停机动作:压缩机停机,室外风机停,室内风机照常运转或防冷风运行。
防过载停机解除条件:当室内热交换器温度降至小于“防过载解除温度”时,解除防过载停机。
10.9 制热过电流保护
同制冷
10.10压缩机排气温度过高保护
同制冷工作模式
11、送风模式
室外机不工作,室内风机运转,风速可选:自动、低速、中速、高速。
风速自动时按制冷模式判断风速。
高、中、低风速大小同制冷模式。
12、维修
在维修过程中,借助显示工装,将空调器的当前运行状态显示出来,帮助分析问题。
方法一:
将显示工装接入室内外机通讯回路,并接通电源。单独按下显示内容选择按键(0号按键),工装将显示序号,在显示序号期间,分别按动1、2、3号按键,序号将加1,按住0号按键的同时分别按动1、2、3号按键,序号将减1。3秒后,工装将显示序号所对应的内容,对应关系如下。
0:显示运行频率(Hz)
1:显示直流母线电压(V)
2:显示电流(A)
3:显示室内温度(OC) T_ROOM
4:显示室内盘管温度(OC) T_COIL_ROOM
5:显示室外温度(OC) T_OUT
6:显示室外盘管温度(OC) T_COIL_OUT
7:显示压缩机排气温度(OC) T_COMP
10:显示设定频率(Hz)
11:显示STOP_FORCED(如下解释)
12:显示STOP_FORCED1(如下解释)
13:显示REDUCE_F(如下解释)
14:显示HOLD_F(如下解释)
15:显示RISE_F(如下解释)
16:显示设定温度(OC) T_SET
255:显示目标频率(Hz)
方法二:
将简易显示工装接到室外控制板的输出接口,可选择显示的内容,如下所示:
单独按下显示内容选择按键,显示工装将显示序号,与此同时,按动上升按键或下降按键,显示序号将加1或减1,松开显示内容选择按键后,工装将显示序号所对应的内容,对应关系如下:
0:显示运行频率(Hz)
1:显示直流母线电压(V)
2:显示电流(A)
3:显示室内温度(OC) T_ROOM
4:显示室内盘管温度(OC) T_COIL_ROOM
5:显示室外温度(OC) T_OUT
6:显示室外盘管温度(OC) T_COIL_OUT
7:显示压缩机排气温度(OC) T_COMP
10:显示设定频率(Hz)
11:显示STOP_FORCED(如下解释)
12:显示STOP_FORCED1(如下解释)
13:显示REDUCE_F(如下解释)
14:显示HOLD_F(如下解释)
15:显示RISE_F(如下解释)
16:显示设定温度(OC) T_SET
19:显示压缩机累计运行时间,以16进制。(高字节)
20:显示压缩机累计运行时间,以16进制。(中字节)
21:显示压缩机累计运行时间,以16进制。(低字节)
255:显示目标频率(Hz)
13、压缩机运行状态指示
在压缩机运转状态下,室外机控制板上的3个LED指示出压缩机当前的运行频率受限制的原因。
(2) 室内机显示
连续按遥控器上传感器切换键或高效按键(具体由EEPROM数据选择)四次,有故障则显示相应的故障码,否则显示零,显示时间为十秒。
13 压缩机排气温度过高保护 41 室内过零检测故障
15、特别说明
本机型室外机是通过室内机控制来上电的,开机运行后室内机给室外机上电(通风模式除外);接通电源后,如果EEPROM数据读取正确,室内机蜂鸣器响一声,否则蜂鸣器响两声,并且无法开机运行。正常情况下,室内机接收到遥控器或应急按钮控制信号时,开机蜂鸣器响两声,其它情况蜂鸣器响一声。
四、遥控器
1、遥控器概貌

4、基本技术参数
1).使用温度范围 -10℃~+50℃
保存温度范围 -20℃~+60℃
2).电源电压
额定电压 DC3.0V
电压范围 2.4V ~3.2V[Page]
静态电流 小于30A
3).控制有效距离 小于10m
4).定时精度 10s (12小时定时)
5、功能说明
(一)液晶屏
液晶面板上需显示的图标包括: 运行方式(自动、制热、制冷、送风、除湿)、室温、设定温度、设定温度上下限、传感器切换、风速(自动、高、中、低)、上下风门位置、开机定时器、关机定时器、并用节电、睡眠运行、信号发射。
1、运行方式
自动、制热、除湿、制冷、送风。
2、室温
遥控器每隔30秒检测一次室温,并显示于液晶屏上。
(二)功能键
遥控器功能键分为“快捷功能键”、“普通功能键”和“特殊功能键”三种。“快捷功能键”是外露的可直接使用的功能键;“普通功能键”是指必须先打开盖板才能使用的功能键;“特殊功能键”是指一些不易碰到的键,或通过几个键组合使用的键。
1)、快捷功能键
遥控器上的“快捷功能键”包括:“运行/停止”、“设定温度上升”、“设定温度下降”、“睡眠”、“高效”、“风速”。
(1)运行/停止键:
该键按动一次,空调器进入运行状态,液晶面板上显示各种显示图标,再按动一次,空调器停止运行,液晶面板上只显示运行方式、开机定时器、关机定时器和设定温度。
(2)设定温度上升键、设定温度下降键:
按动一次上升或下降键时,空调器的设定温度相应地上升或下降1℃。设定温度范围为16℃~30℃,设定超出以上范围时,液晶面板上出现“上下限”符号,同时设定温度不能再上升或下降。
(3)睡眠键
按动该键,空调器进入“夜间节能运行”状态,同时“夜间节能运行”图标出现于液晶面板上,直到再次按动该键或运行/停止键解除该功能,“夜间节能运行”图标消失。在“夜间节能运行”作用期间,如果按动其他键,“夜间节能运行”功能将按新设定开始运行。该功能仅运行在“制热”、“除湿”和“制冷”模式下。
(4)高效键
按动该键,空调器的压缩机(定速机除外)、室内风机都将在保护模式允许的前提下以最高转速运行15分,在高效运行时,温度控制同时起作用。高效运行方式只能运行于“制热”、“制冷”和“除湿”模式下。
(5)风速设定键
按动该键,风速设定依次在“自动”(图A)、“高速”(图B)、“中速”(图C)、“低速”(图D)之间转换,并以相应的图标显示于液晶面板上。
(3)定时器开键、定时器关键
用于设定定时开、关机的时间。
(4)预约、取消键
用于定时开关机的确认和取消。
(5)并用节电键
按动该键,空调器将启动“并用节电”功能;再按一下,将取消该功能。
(6)背光键
按动该键,空调器室内机液晶屏的背光将在有背光和无背光状态之间切换。
3)、特殊功能键
特殊功能键包括:“重设”、“传感器”。
(1)重设键
按动该键,遥控器将被复位,以前所有的设定被清除,遥控器设置被恢复为出厂时的初始设定。
(2)传感器键
按动该键,空调器的环境温度检测将以室内机本体传感器为准,同时在遥控器液晶上显示“传感器”图标;再按动该键,空调器的环境温度检测将以遥控器传感器为准,同时在遥控器液晶上不显示“传感器”图标。
五、电气接线图
室内机
室外机
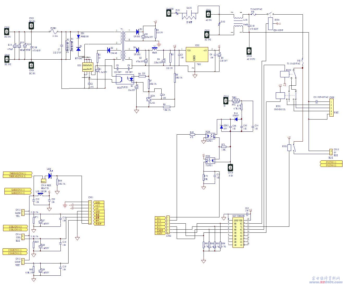
六、电气原理图
室内机
IPM板:
室外机
网友评论