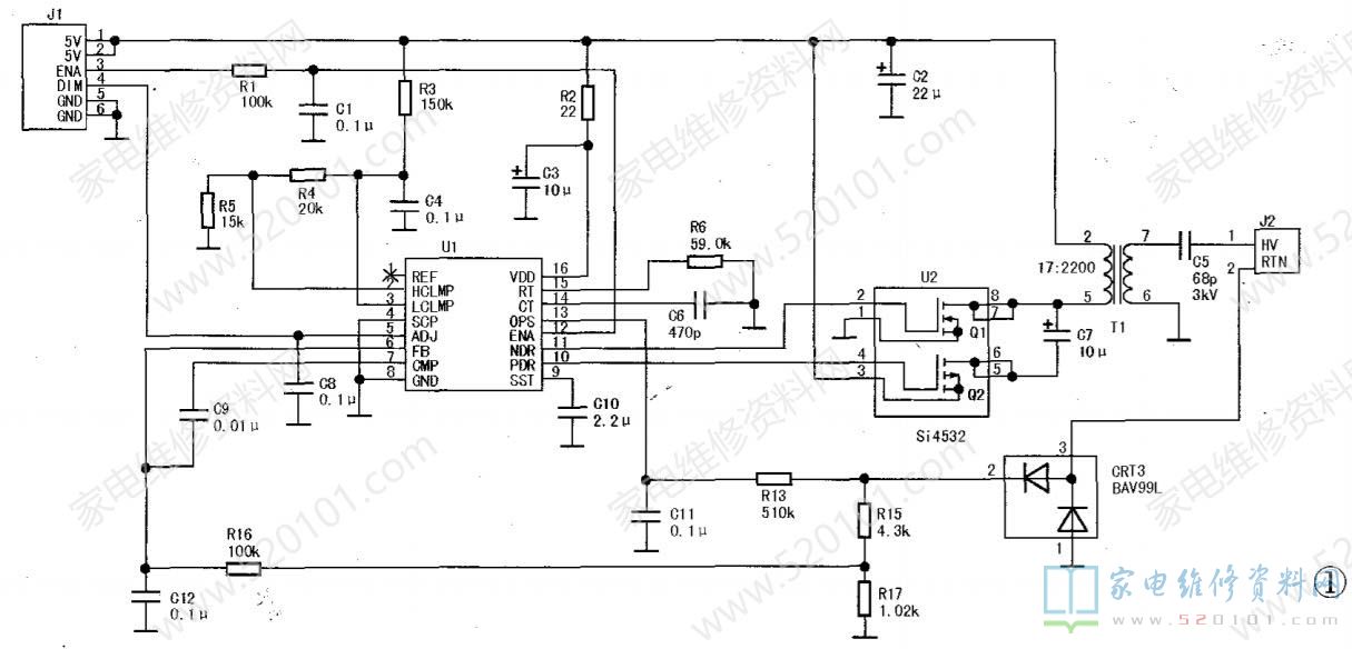
• PHILIPS飞利浦180P液晶显示器开关电源电路分析与维修

    Philips 180p显示器是以L5991为核心组成的开关电源,电路如图1所示,该机型市场占有量大,笔者在大量机型维护中得到很多经验。下面首先分析一下工作原理,然后再具体总结其常见故障及维修方法。 一、工...

    李金成   2023-09-05

  • 液晶升压变压器代换并不是很难

    接修一台“山寨”产的22英寸液晶显示器/电视一体机,开机液晶屏闪亮一下,然后立即熄灭,但遥控功能正常,插入TV或AV信号有伴音。将电视置于光亮处,可以看到很暗的图像内容。从故障现象上分析,因为遥控功能正常,有伴音和很...

    张议   2023-08-29

  • 宏基B193R液晶显示器电源电路与维修

    宏基B193R型液晶彩显电源电路由LD7552B构成,这种电源还广泛用于飞利浦191EW9FB、宏基B193W、优派VA1703WB、优派VX2262等型号的液晶彩显中。 一、LD7552B介绍 &...

    王忠诚   2023-08-25

  • 液晶显示器中24Cxx芯片的作用详解

    现在的液晶显示器,为了保存机器出厂时的设置和在使用过程中对亮度和对比度的调整值,以及为了显示器和主机进行通讯,使用了一个或多个24Cxx芯片。可不要小看这几个24Cxx芯片,它的作用非同小可,如果这些芯片 ...

    崔江涛   2023-08-25

  • 联想L196WD液晶显示器黑屏的故障维修

    近日接修一台联想 L196WD液晶显示器(实为深圳群康代工产品),机主描述的故障现象是:在正常使用过程中突然黑屏,断电重新开机依旧。笔者接手机器后将其接上电脑,发现确实是黑屏(注意:此处排除是保护电路异常造成的,因为一般若是保护...

    陈晓军   2023-08-21

  • BENQ明基Q7T4液晶显示器故障维修3例

    例1:接修一台明基Q7T4彩显,通电无反应。小心拆下外壳后取出电源、逆变板,发现电源100yF/400V滤波电容鼓起开裂,拆测已无容量。交流输人滤波线圈已发黑,电源调整管Q601(K3530)击穿短路,交流保险熔断。再查IC60(...

    卢锦炽   2023-08-21

  • AOC冠捷1780PS液晶显示器黑屏的故障维修

    该液晶彩显不久前发生开机黑屏故障,经笔者检修是因为电源12V电压输出滤波电容鼓包失效所致,故障排除后工作至今近四个月,又出现开机光栅出现约两秒就黑屏的故障。联机时按动开/关机按钮,显示“AOC"字样,约2秒钟后,光栅灭,又过2秒后,再...

    吴鹏   2023-08-18

  • 联想L193 Wide液晶显示器拆卸和故障维修

    拆卸联想L193 Wide显示器时要注意台座后面的标签下面有2粒螺钉,必须撕下标签后才能拆卸,其他部分就和一般的显示器拆卸方法一样,详见图1~图3所示。一般显示器标签下面极少有螺钉。 ...

    张兵   2023-08-15

  • 清华同方XP911W液晶显示器通电后指示灯闪烁的维修

    接修一台清华同方XP911W LCD液晶显示器一通电指示灯就一亮一暗闪烁(通电后不按开机键),仔细听机内发出有节奏的嚓嚓声,按键失控,显示器呈黑屏状。拆机后检查电源高压一体化板上的16V/5V供电电压正常,测量驱动板上3.3V也正...

    张兵   2023-08-15

  • 明基FP71G和FP756液晶显示器通病故障维修

    笔者在检修明基FP71G和FP756型液晶彩显时,发现它们存在一个通病,即开机后电源指示灯亮,但黑屏。经检查数台液晶彩显后,发现故障大多数是三极管C5707及场效应管E52(用IRF9024可代换)各电路之间短路和保险丝管PF801开路...

    倪耀成   2023-08-12

  • BENQ Q7T3系列液晶显示器通病故障维修

    BENQ Q7T3 系列显示器,经常出现开机黑屏、开机屏幕一闪即灭的故障,应是该系列机的通病,笔者总结以下经验供同行参考。 本系列机采用TL1451高压驱动控制芯片PWM方式二...

    霍汉明   2023-08-10

  • DELL戴尔20英寸液晶显示器提示self test feature

    一台DELL20英寸液晶显示器(DELL2001FP),开机指示灯绿灯亮,随后变为橙色,就像主机无信号输出一样。断开信号线时,屏显“self test feature check”警示语。经查主机正常,说明显示器有问题。从液晶显示...

    雷隆声 汤力跃   2023-08-07

  • 液晶显示器单灯高压板电路图7例

    1、典型单灯高压板电路图 2、采用LX1188的单灯高压板电路图 3、采用1025的单灯高压板电路图 4、采用1010B的单灯高压板电路原理图 ...

    梁小林   2023-08-07

  • 明基G775彩显电源电路原理分析与维修

    明基G775 CRT彩色显示器的电源电路采用STR-G5643D芯片,电源外围电路更加简单,待机功率在1W以下;芯片特点:(芯片内部结构见图1)启动电压16V,关断电压10V,正常工作时Vcc电压32V,其中⑤脚为同步行频率及取...

    逢雅琪   2023-08-06

  • 联想LXB-HF769A高亮数控彩显的故障维修

    据我校电教信息老师讲,该机最初开机时有“啪啪”的响声,画面图像出现忽明忽暗的现象,随后自动关机,电源指示灯变为橙色。该机故障检修颇为棘手,具有普遍性,特详记之。打开显示器后盖检查,保险丝完好,静态下先对电源滤波电容C509...

    海春辉   2023-08-06

  • 清华同方17英寸液晶显示器故障维修

    客户送修时,机器已经拆开,只拿着屏和板子过来的,当时现象为不开机。+5V供电的两个电容巳经被更换。清华同方的机器比较特殊,一体板的供电只对+5V采样,不对+12V采样,所以在关机或休眠(背光不亮时,高压板的供电电压会...

    崔江涛   2023-08-05

  • 如何快速判断液晶高压板故障

    液晶显示器高压逆变电路故障率高,电路元件布局紧凑,更多电路采用的是双面PCB板,因此查找具体元件或走线都比较困难。特别是末级升压变压器很难购买到合适型号的维修配件,因此对-些单独高压板的设计方式(特别是笔记本电脑的此种电路)都采用更换...

    方跃斌   2023-08-02

  • 液晶显示屏背光灯是否损坏的检测方法

    通常情况下,笔记本液晶屏开机时黑屏应重点检查点亮灯管的高压条和灯管(CCFL-冷阴极荧光灯管)这两部分电路。而用灯管测试仪(见图1)判断灯管是否损坏是最快捷的方法。大部分灯管测试仪具有很强的驱动能力。一台联想笔记本电脑开机屏亮一下...

    孙承庭   2023-07-26

  • 东芝AD-AD15R液晶显示器高压板代换方法

    此款显示器为二灯高压板,电源为直流12V,元件为贴片式,损坏后可用市售二灯高压板直接进行代换,原板插座的⑤、⑥脚为+12V ,③、④脚接地(板上有编号标注),把⑤、⑥脚对应的插头线剪断接到代换板的+12V的红线上,3、④脚对应插...

    罗干   2023-07-22