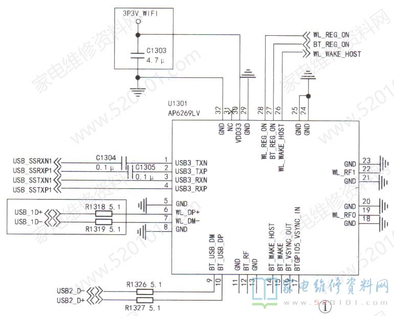
接修一台乐视超3-X55(928平台)液晶电视,故障表现式无法连接WIFI。此故障的原因主要有三点:一是无线WIFI密码或网络设置异常,可参照用户手册重新设置即可;二是软件异常,可换上已烧好程序的Flash存储器,或通过U盘重新升级;三是WIFI模块U1301 ( AP6269LV )或天线不良,此时先检查同轴天线与主板的连接是否正常,再测量该模块的3P3V_WIFI(3.3V )供电(测试点为U1303的30脚或电容C1303的非接地端)及控制信号WL_REG_ON(测试点为U1301的28脚,正常时为高电平)是否正常,电路如图1所示,接着检查电阻R1318、R1319处的USB_1D+、USB_1D-信号是否正常,最后更换模块U1301。