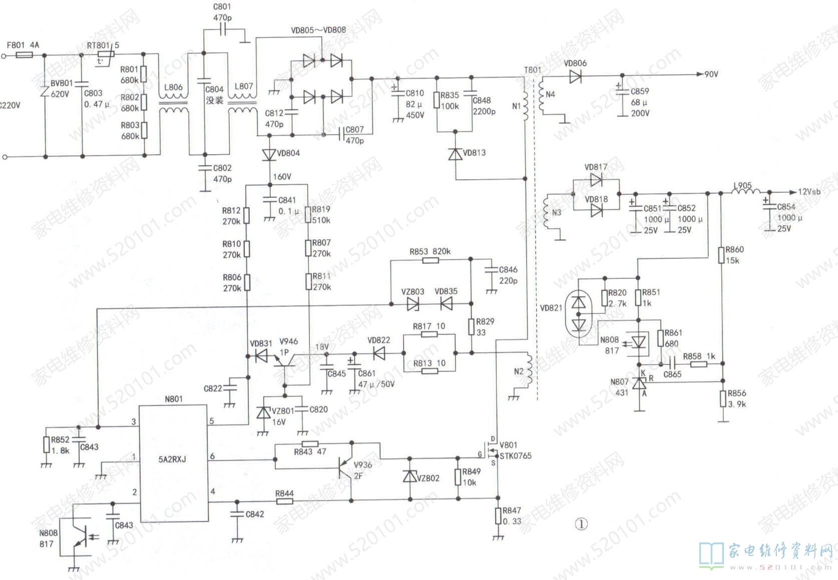
海信LED32K160JD型液晶电视的开关电源电路与背光电路在同一块板上,其开关电源不受CPU控制,通电后就输出90V和12V电压,实绘电路如图1所示。
一、工作原理分析220V交流市电通过C803、L806、C804、L807滤波后,由二极管VD805~VD808桥式整流,电容C810滤波,产生约300V直流电压。电阻R801~R803的作用是给安规电容C803、C804放电。
300V直流电压通过开关变压器T801的初级绕组N1加到开关管v801的漏极。与此同时,AC220V电压经二极管VD804及整流桥中的一只二极管半波整流,在C841两端产生约160V直流电压,通过电阻R812、R810、R806给电源芯片N801 (丝印号:5A2RXJ)⑤脚外接电容C822充电,当C822两端电压达到阈值时,N801启动,从⑥脚输出开关脉冲,开关管V801工作于开关状态,开关变压器T801的初级绕组N1产生电流。
热端的N2绕组两端产生感应电压,经电阻R817、R813限流,二极管VD822半波整流,在滤波电容C861上产生约18V直流电压,加在三极管V946的c极;160V电压经限流电阻R819、R807、R811限流,由稳压二极管VZ801稳压成16V, 加在V946的b极,则V946的e极输出15.4V电压,经过二极管VD831加到N801⑤脚,来取代启动电压。
N4绕组两端产生的感应电压,经二极管VD806整流、电容C859滤波,产生90V直流电压,供给背光电路。
N3绕组两端产生的感应电压,经二极管VD817、VD818整流、电容C851、C852滤波,产生12V直流电压,再经由电感L905、电容C854滤波供给主板。
稳压过程:12V电压升高时,由R860、R856组成的分压电路的分压升高,即三端精密稳压块N807的R极电压升高,则N807的K极电压下降,光耦N808内部的热端光敏管的导通程度加深,N801②脚电压下降,⑥脚输出的驱动脉冲占空比下降,V801在一个周期内的导通时间变短,T801储能减少,次级输出电压下降,从而达到稳压的目的。
当12V电压下降时,其稳压过程与上述相反,在此不再多言。
电容C848、电阻R835、二极管VD813组成尖峰吸收电路,抑制V801截止时N1中产生的反峰电压,避免V801过压损坏。
电阻R847、R844,电容C842及N801内部电路组成过流保护电路。当流过开关管V801的电流过大,R847两端电压超过一定值时,N801内部过流保护电路启动,⑥脚停止输出激励脉冲。
二、故障检修实例
例1:一台海信LED32K160JD型液晶电视,三无。分析检修:上电,测12V、90V输出电压均为0v,C810两端电压约为310V ( 正常),N801⑤脚电压为0V,判断启动电路异常。经查,电阻R812开路。更换R812后试机,故障排除。
例2:故障现象同“例1”。分析检修:拆机检查,发现保险丝F801烧断,开关管V801击穿。在路测量12V .90V输出端对地电阻,发现12V输出端对地短路。经查,12V整流二极管VD817击穿。更换上述损坏元件后试机,故障排除。

网友评论