用一块万用表很难判断三端稳压集成电路的好坏。本检测仪可对正压输出的三端稳压集成电路作定性检测,检测其输出电压是否与其标称值相符,进而可判定所购买的稳压集成块是否属于“赝品”。
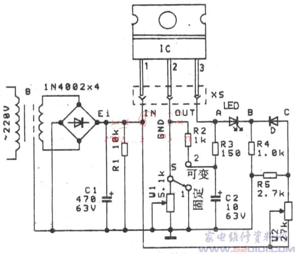
电路见图,B是220V/36V线间变压器,桥路整流输出电压Ei约为40V供测试之用。下面举例说明该检测仪的使用方法:
1、固定输出式稳压集成块的检测(以IC7812为例)
将7812的三只脚对应插入XS测试插座中,选型开关S置“1”位,将读数电位器W2的阻值调至最大,这时由于开关S在“1”位使IC的②脚接地,故IC③脚(A点)对地应有12V电压,这时LED点亮。如LED不亮,则说明IC的③脚开路,如LED过亮,则说明IC内部短路。再调W2,使C点电位Uc升高,Uc升到一定数值时,D导通,B点电位升高。当UB=UA时,LED熄灭。由于W2的旋钮位置事先是用直流电源“标度”的,所以可从W2的旋钮位置(即LED熄灭时的位置)读出IC的输出电压。 
2、可变输出式稳压集成块的检测(以ICLM317T为例)将LM317T的三只脚对应插入XS测试插座,选型开关S置“2”位。W2调至最大阻值,这时XS插座的“GND”插孔接在R3和W1组成的分压器上。改变W1的阻值可使输出电压EA改变,并且EA=(1+W1/R3)。UADJ、UADL为被检IC的基准电压,这里UADJ=1.25V。当改变W1的阻值时,若LED的亮度也随之而变,则表明被检IC性能良好。
LED可选2EF105型Gap发光二极管(IFM≥40mA);R3为RX27—3型水泥电阻(5W),R2和R4为1W电阻,其余电阻均为0.5W;W1和W2为1W线性碳膜电位器。电路安装完毕需对W2和旋钮位置进行“标度”;可取一直流电源,正极接A处,负极接地,依次使直流电源输出5V、6V,……36V。对于直流电源的每一个电压值,都调节w2使LED由亮至熄即停,记下W2旋钮的每一个位置。
网友评论