电子市场上的温控开关,其温度控制点是固定的,事实上,生产上用的温控开关.应在温度的某个范围任意设定。如一些高可靠电子设备所需的一些电子元器件、电子部件,或一些电子模块,常常要求对它们预先进行高温存储老炼后,对其电参数再测量,合格的才能使用。现有的一些干燥箱、烘箱设备,虽然具有可设置的温度调控功能,但它们是上千瓦的设备,这对于一些单位,往往没有这样的设备,同时这些设备耗电也太大。
这里介绍一种在加温空间不大的温控开关电路,很适合研究单位的需求,其电路如附图所示。该电路的重要器件是温度传感器LM35集成电路。
1.LM35集成电路的性能
LM35是一种常用的温度传感器,因售价低(零售价1.5元/只),所以被很多厂家选用。
LM35的主要性能如下:
工作温度:0℃~155℃。
变换特性:输出信号(电压)与温度变化成线性关系。
温度与电压:温度(摄氏)与电压按增量10mV/1℃转换。
输出电压:0mV/1℃—1V/100℃(指环境温度)
2.电路配置和工作原理
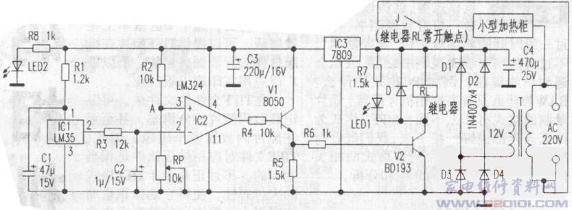
附图中IC1是温度传感器,该传感器固定在一铝片上,并放在小型加热柜内。IC2是用LM324(四运放)的一只运放组成的电压比较器,其同相端③脚接R2和RP的基准电压(分压器)A点。比较器的输出端①脚经R4接到射随器V1的基极,V1在电路中起缓冲隔离作用,射随器的输出驱动V2带动继电器工作。调节RP的输出电压,可设置加热柜0—150℃的任一温度值,设置的电压按LM35的电参数设置。
电路中的电源,采用变压器T降压供电,变压器T的输出电压经D1~D4、C4滤波后供继电器(+12V)的工作电源,因继电器工作电压允许的变化范围较大,所以无需稳压,整流后电压再经IC3 7809稳压输出+9V电压供IC1、IC2的工作电源。
电源输入端接上220V电源时,电路工作,此时,加热柜内的温度低,其IC1的输出电压,即IC2反相端②脚电压低于同相端③脚电压,IC2①脚输出高电平,该高电平经V1、V2(此时均导通)驱动继电器RL工作,其常开节点J接通加热柜的热源升温,当温度升高,IC1输出电压高于IC2同桐端电压时,IC2输出低电平,V1、V2截止,继电器被截断电源而停止工作,加热柜停止加热,柜内温度下降,直到IC2同相端高于反相端电压时,继电器又工作,加热柜又加温,这样反复循环进行,结果加热柜内温度就在给定的一个温度小区间内工作,直到断开交流电源为止。
3.电路实验调试
附图电路可以进行模拟实验,方法如下:1)将附图电路的各元器件安装在印制板上,但IC1 LM35单独处理。2)用薄铝片、尺寸约15cmx15cm,将LM35固定在铝片的中央,再用引出线与IC2相连。3)可不接加热柜,接通电源,用吹风机对铝片加热,调节RP,观察继电器的工作状态,该工作状态由发光管LED1显示,LED1亮,继电器通,LED1灭,继电器断。一旦LED1亮时,停止对其加热,待一定时间LED1灭。只要调节RP不同的输出电压,即可观察LM35随温度而控制继电器的通断。
4.说明
1)工程上用的加热柜制作非常严格,原因是要保证加热柜内空间温度均匀,除了加热源(如电热丝或红外热源)的安装考究外,柜内还置有小型风扇以保证柜内空间温度均匀。
2)这里介绍的,LM35温度开关是点温控制开关,如果要设置温度段的控制,则把LM324剩余运放用起来组成窗口比较器,即可完成温度段的控制。
3)LM35是模拟电压温度传感器,常用于单片机(MCU)作A/D转换,组成温度的全方位控制,实现智能功能。
4)图中的继电器,若用固体继电器代换会效果更好。 
网友评论