本人自制了一简单充电器,不仅充电电流可调,而且充满后自动断电,使用两年来一直很好。

一、充电原理
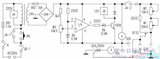
    如图所示,当需要充电的电瓶的“+”“-”极接入电路时,先将w1左旋到底,再打开电源开关,然后按下AN按钮,JA动作,JA-1吸合而自锁;JA-2接通充电电路。以36Ah铅蓄电瓶为例。慢慢调整W1改变BT33的振荡频率,从而改变单向可控硅的导通角。使电流表的指针为1.8A左右,此时充电器对电瓶进行充电,随着充电时间增加,充电电流逐渐减小,电瓶两端电压逐渐增加,当电瓶两端电压为16V时,JB动作,JB-1断开220V供电电路;JA释放,JA-1解锁,同时JA-2断开电瓶与检测电路,充电器停止工作。
  

二、元件选择
    电瓶的安全充电电流一般为容量的1/20。如36Ah电瓶充电电流为1.8A左右。为了使充电器具有通用性,变压器的功率最好选大一点.输出电压高一些,我选择次级输出10A/24V变压器,可以给150Ah以下电瓶进行充电。整流用20A/200V硅堆,单向可控硅为20A/200V。JA继电器的触点电流大于10A,JB继电器及按钮的触点电流要大于5A。集成电路电路用LM324比LM741好一些,市场上74l的正品买不到。次品输出⑥脚不动作时有1.3V左右的电压。电阻用1/2W,其他如图所示,没有特殊要求。

三、安装与调试
    元件固定在铁皮制作的金属机壳内,体积视变压器的大小而定。电流表头、电压表头、电源开关、按钮、充电”+”、“-”极接线柱、电流调整电位器W1安装在前面板的适当位置,保险丝及电源线引线安装在后面板上。整流硅堆和单向可控硅要加装散热片。将元件焊接在万用电路敷铜板上,按照电路图连接无误就可以调试。用一个外接16V电源给以运放LM324为中心组成的电压比较器供电,调整W3使继电器JB刚好动作.保护电路调整完成。找一个150Ah的待充电的铅蓄电池,接入进行充电,慢慢调整W1和W2,即调W1使充电电流增加,调W2使充电电流减小。当W1调到最大时使充电电流为7.5A,从而使充电电流小于变压器的运行电流。调整完后将W2更换成与调整后阻值相近的固定电阻。

四、使用注意充电前必须将W1左旋到底;充电时电瓶不能接反:要慢慢调整充电电流的的大小;充电结束时要关掉电源开关。