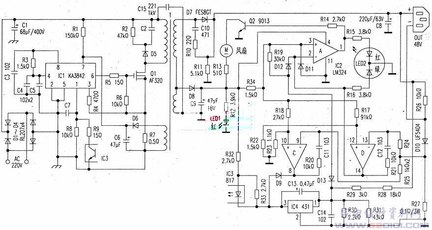
1.主充电电压和辅助电源电压的产生:IC1及外围元件组成反激电源,为电路提供主电源, IC2只利用三组比较器,输出主充电电压为48V,辅助电源也是16V。
    2.待充状态:红色电源指示灯LED1始终亮着;在待充时检测电阻R27电压降为0V.所以D组比较器(14)脚输出高电平.点亮双色LED2的绿灯;(14)脚高电平又使A比较器①脚输出低电平,则LED2的红灯灭.同时Q2截止,风扇不转动;c组比较器⑧脚输出高电平。使二极管D9截止,起隔离作用。那么,光耦IC3反馈到高压电路的信号为高阻,使高压电路振荡呈微弱待充状态。
    3.充电期间:检测电阻R27因有了被充电池端电压而产生电压降,通过R24的取样,经D比较器放大和比较而翻转,则(14)脚输出低电平,使LED2绿灯灭;同时(14)脚低电平又使A比较器翻转,其①脚输出高电平.使LED2亮红灯,同时Q2导通,风扇得电转动扇风:C比较器保持输出低电平.使充电正常运行。
    4.充电饱和:当电池被充至饱和时.R27电压降升高达到设定值,c组比较器翻转,则⑧脚输出低电平,D9导通.使IC4(3)脚电位下拉。光耦IC3发光管负极电位下拉.光耦内光敏管深度导通,把充电饱和信号反馈至高压电路,控制高压电路的振荡进入微弱状态,而使电池停充或浮充;这时D比较器翻转,(14)脚输出高电平。点亮LED2绿灯,而A比较器①脚输出低电平,LED2红灯灭,风扇停止转动,表示充电结束(实现自动控制.具有无需人员看护的功能)。