利用太阳能电池提供能源,离不开储存电能的装置,如蓄电池等。随着超大容量电容器制造工艺的进步,已生产出了小体积大容量的电容器,其容量达到了法拉级,使利用电容器储备电能进入实用化。
  本试验利用太阳能电池为报警装置提供电源,而利用电容器储存的电能为功率输出级提供短时高电能,构成不用电池或市电的报警设备,适用于白天家中无人时的警戒。
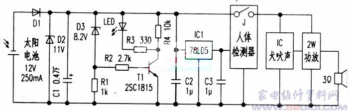
  电路见图,由供电电路、热释电红外人体检测电路、犬吠声产生电路、功率放大电路组成。热释电红外人体检测电路采用市售人体感应灯成品,利用其内部继电器常开触点;犬吠声电路采用成品语音芯片;功率放大器采用最大输出功率2W的乙类功放板,为了在低电压下获取大的输出电流,选用低阻抗的3Ω纸盆喇叭作负载。下面介绍其供电电路。
  太阳能电池选择25cm×25cm的硅单晶电池板,标称值为12V/250mA,这样在阴天时可保证有12V、60mA的输出能力。
  电容器的选择:现只有56F(法拉)/2.3V,1F/5.5V,0.47F/11V三种,当然容量以大为好,但因电路工作电压的需要,只能选用0.47F/11V的品种,其直径仅指头粗。图中,D1为防逆流二极管;D2为11V稳压管,作用是限制储能电容C1两端的电压;D3为8.2V稳压管,当电容C1充足电时,D3击穿导通,使T1导通1ED发光,表示电容已充满。三端稳压器IC1提供5V电压给人体检测器,而太阳能电池的输出电压通过人体检测器内部的继电器触点J给犬吠声电路及功放电路供电。
  当人体检测器检测到有人接近时,其常开接点J闭合,后续电路得电,喇叭发出犬吠声,此时由电容C1为功放电路提供需要的高电能。
  经试验,触发一次,人体检测器的触点闭合约10s,期间喇叭发出低沉而响亮的犬吠,若不知情,必然心慌;10s后又恢复警戒状态,此时大阳能电池又给C1充电,因天气的不同,充满电(1ED亮)的时间在数十秒之间不等。