1.功能
随着汽车的普及,越来越多的家庭拥有了自己的汽车。而汽车中的电瓶是有寿命的,用个两三年就会失效。如果汽车因为电瓶的失效而抛锚在路上,是很烦人的。汽车电瓶监视电路就是为解决这个问题而设计的。它不仅可方便地监视汽车电瓶的电压,还可以监视汽车充电电路的工作状况。
汽车电瓶监视电路也是为电子爱好者而设计的,通过制作这个小电路,不仅能满足自己的需要,还可以从制作过程中学习到一些电路知识。
2.设计过程
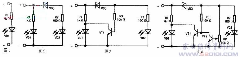
图1是发光二极管电路。一般情况下在电路中发光二极管一定要串一限流电阻器,电阻器阻值的大小根据发光二极管的工作电流来决定。这里VD1选用红色Φ3的发光二极管和电阻器R1的阻值为1kΩ,使输入电压在3-12V变化时发光二极管的工作电流约为1~10mA。 
图2又增加了一只绿色Φ3的发光二极管VD2,同时在它的前边还串接了一只10V的稳压二极管VD3,这样只有输入电压超过12V时绿色发光二极管VD2才会亮。电阻器R2也是一只限流电阻器。只是因为稳压二极管VD3可以有10V的电压降,所以电阻器R2的阻值只有100Ω。
为了使电瓶电压超过12V时只有绿色发光二极管VD2亮,而红色发光二极管VD1不亮,电路中设置了三极管VT1和电阻器R3,见图3。这样当电瓶电压超过12V时,电阻器R3使三极管VT1导通,红色发光二极管VD1两端得不到应有的工作电压(一般在1.8~2V左右),所以红色发光二极管VD1不亮。
如果输入电压继续升高,超过13.5V时,表明汽车发电机工作正常,在给电瓶充电。为把这种状态指示出来,而又不再增加发光二极管的个数,电路设置了三极管VT2和微调电阻器RP。使电压超过13.5v时三极管VT2导通,迫使三极管VT1不能导通而截止。这样红色和绿色发光二极管都亮。表示汽车在充电状态。完整的电原理图如图4所示。
3.制作过程
电路中使用的电阻器为1/8W,三极管型号为9014等NPN型三极管,红色和绿色发光二极管为Φ3高亮管。稳压二极管要求较严,找不到合适的,可以用两稳压二极管或串联硅二极管来满足要求。制作过程如下:
第一步:安装红色发光二极管VD1和电阻器R1。再安装稳压二极管VD3和绿色发光二极管VD2及电阻器R2。然后用一可调的直流稳压电源进行调试,要求在12V电压时绿色发光二极管VD3才正常。如果稳压二极管VD3的稳压值稍低,那么电压没有升到12V时绿色发光二极管就会亮,这时可以找一两只二极管串接在电路中。也可以使用两只稳压二极管串接成一只10V的稳压二极管,如图5所示。 
第二步:安装三极管VT1和电阻器R3,然后接通12V电源,这时红色发光二极管VD1应熄灭。
第三步:安装三极管VT2和微调电阻器RP,接上直流稳压电源进行调试,使电压从12V上升到13.5V,仔细调整微调电阻器RP,使微调电阻器RP的中点电压从低渐渐升高,在13.5V时绿色和红色两只发光二极管都亮。至此电路调整完毕。
4.安装及使用
使用这个电路时只需把它连接在汽车点烟器的插头上,然后直接插到汽车点烟器的插座上就可以监视汽车电瓶了。注意汽车点烟器的头部是12V电路的正极。本人把这个电路装在了一个废弃手机充电器的外壳,如图6所示。按照充电器的形状给出了电路板安装图,如图7所示,尺寸为30mm×35mm,图中稳压二极管处预留了几个位置,可以串联几只二极管。
使用时如果红色发光二极管亮,说明电瓶电压不足12V。如果绿色发光二极管亮,说明电瓶电压正常。启动汽车发动机,绿色和红色两只发光二极管都亮说明充电电路正常。
网友评论