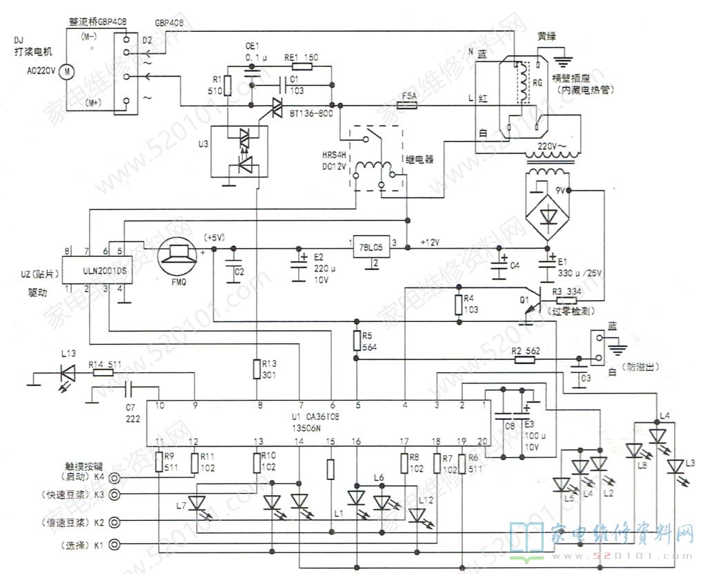
接修一台九阳DJ13B-DB68SG豆浆机,通电后不能正常打浆。该豆浆机款式新颖,采用触摸控制技术,按键电路与电脑控制电路安装在一块电路板上,实绘电路如图1所示。拆机直观检查,发现5A保险管(小体积)已经 发黑熔断。用万用表检测,双向可控硅BT136-800的三个电极均击穿,在路测其余阻容元件完好。双向可控硅BT136- 800参数为600V/4A,用手头的BCR8PM(700V/8A,塑封)代换。因找不到5A保险管,暂时用CRT彩电的3.15A延时保险管代替。在豆浆机桶中加适量水,通电试机。开始加热正常,当要转入打浆程序时,突然听到机内“嘭”的响了一声,立即断电检修。

      经查,新换的双向可控硅、整流桥堆D2(GBP408)及相关阻容元件均正常,唯见刚换的保险管爆裂。那么,是什么样的短路大电流能使3.15A的延时保险管(额定电流8A )熔断呢?怀疑打浆电机损坏。拆下打浆电机,从电机端部观察,内部换向器已烧焦,碳刷磨损严重。用万用表测量电机阻值,时大时小,判断电机确已损坏。更换同规格的打浆电机及保险管后,装机实验,加热、打浆一切正常。