您好,欢迎您访问家电维修资料网
登陆 免费注册
实用工具手机版

用手机访问

手机访问家电维修资料网
家电维修资料网
  • 首页
  • 维修资料
    • 彩电维修资料
    • 彩电总线调整
    • 维修基础
    • 电子线路
    • 电子制作
    • 空调制冷
    • 家用电器维修
    • 音响功放
    • 卫星有线
    • VCD、DVD
    • 通讯设备
    • 办公设备
    • 数码摄录
    • 计算机设备维修
    • 软件下载
    • 培训教材
  • 电路图纸
    • 长虹彩电图纸
    • 康佳彩电图纸
    • TCL彩电图纸
    • 海尔彩电图纸
    • 创维彩电图纸
    • 海信彩电图纸
    • 其他彩电图纸
    • 合资彩电图纸
    • LG彩电图纸
    • 松下彩电图纸
    • 三星彩电图纸
    • 索尼彩电图纸
    • 东芝彩电图纸
    • 夏普彩电图纸
    • 飞利浦彩电图纸
    • DVD功放图纸
    • 家用电器图纸
    • 数码相机图纸
    • 显示器图纸
    • 维修工具图纸
  • 数据下载
    • 长虹彩电数据
    • 康佳彩电数据
    • TCL彩电数据
    • 海尔彩电数据
    • 创维彩电数据
    • 海信彩电数据
    • 其他彩电数据
    • 合资彩电数据
    • 厦华彩电数据
    • DVD机顶盒数据
  • 说明书
    • 彩电说明书
    • 显示器说明书
    • 家用电器说明书
    • 遥控器说明书
    • 影音系统说明书
  • 视频
    • 彩电维修
    • 空调制冷
    • 电脑软件
    • 办公设备
    • 显示器维修
    • 电子线路
    • 维修基础
    • 电工技术
    • 通讯维修
    • DVD维修
    • 生活电器
    • 仪器仪表
    • 其他技能
    • 电子制作
  1. 首页
  2. 家用电器维修
  3. 正文

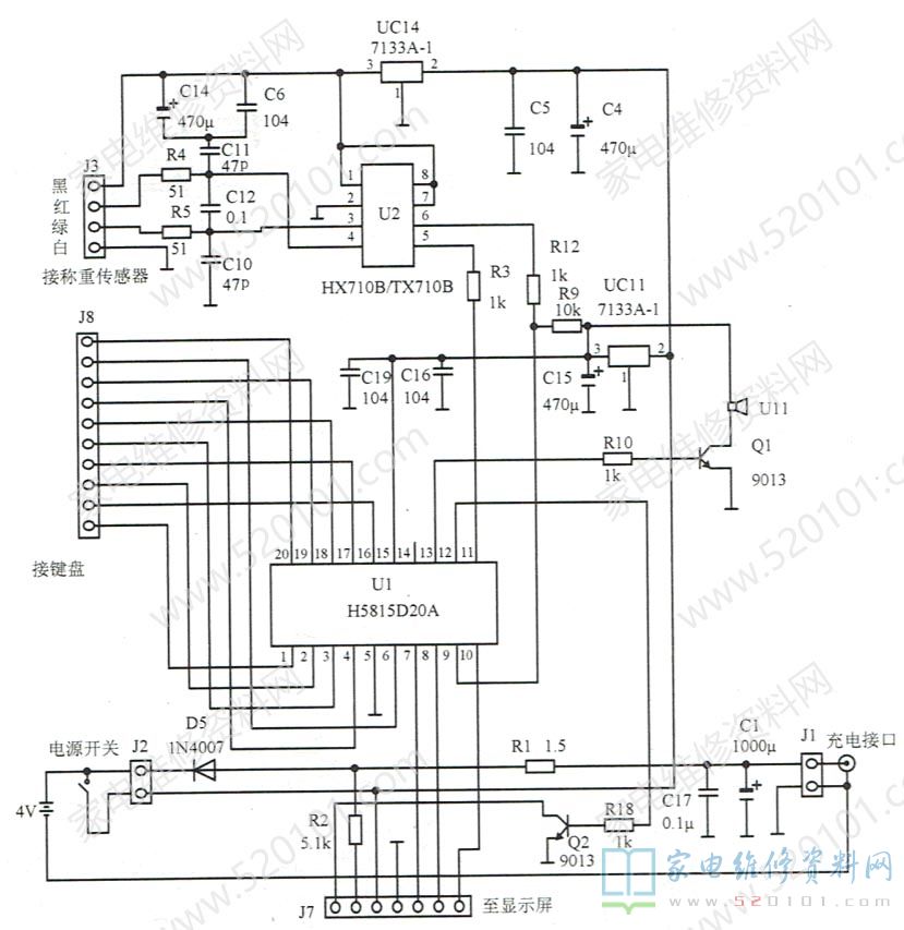
金康鑫电子秤主板电路原理图

2022-09-13作者:曹金停2708评论

其他推荐

  • 苏大JGL-18A电热炉电路原理图
  • 三星WF1802XEU滚筒洗衣机不通电的故障维修
  • 美的C19-SH1983电磁炉不通电的故障维修
  • 美的MY-12CS502A电压力煲实绘电路图
  • 九阳DJ13B-DB68SG豆浆机不打浆的故障维修
  • 海尔D3和D5系列燃气热水器工作原理与故障维修

网友评论

发表评论

所有评论

目前还没有网友评论

热门资料

  • 1西门子滚筒洗衣机通病的维修技巧(多图)
  • 2电磁炉原理分析与讲解(多图基础教程)
  • 3小天鹅滚筒洗衣机故障代码以及清除方法
  • 4多图解说:教你如何修复微波炉上的磁控管
  • 5电炒锅的电路原理与检修(图)
  • 6家用燃气热水器的内部构造及各部件名称(图)
  • 7金灶电磁炉原理与维修(图)
  • 8美的电磁炉加热线圈盘的正确接法(图)
  • 9燃气灶热电偶熄火保护装置电路原理与检修
关于我们 - 网站帮助 - 广告合作 - 网站声明 - 友情链接 - 网站地图
©2006-2024 www.520101.com All Rights Reserved
浙ICP备12036345号-1