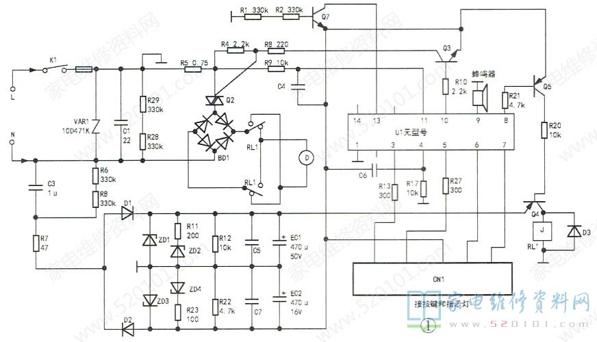
本机型号是JE220-020E01,主要功能是榨汁和粉碎,配一个150W的直流电机(工作电压为DC220V,电流1A,额定转速为每分钟3500转),实绘电路如图1所示。K1是一个微动开关,只有当料杯装到位时,K1才会闭合。VAR1是一只压敏电阻,在输入电压过高时击穿,使F1烧断,保护后面电路。因可控硅调速会产生大量的脉冲波,加之市电电网中也有高频干扰脉冲,所以设计由C1和R28、R29组成阻容脉冲吸收电路。本机采,用电容降压方式得到低压直流电压,C3取值1uF,可以得到约50mA电流。降压后的电压经R7限流后由D1产生一个正电压,由D2产生一个负电压。正电压由ZD1稳压、EC1滤波,得到24V电压,供应正反转控制继电器RL1;负电压由ZD3稳压、EC2滤波得到-5.4V电压,供控制芯片U1及指示灯。
因电机功率较大,如果全压启动会产生很大的启动电流,对机械的冲击很大,为此设置了双向可控硅Q2,启动时缓慢提高输出电压。可控硅调压需要一个交流电源过零检测电路,Q7的b极通过R2、R1接地(实际是接电源输入L线),e极接-5.4V。当L线电压大于-4.8V时,Q7导通,U1 13脚得到一个过零脉冲(实际上此时L线上还有-4.8V电压)。当U1接到一个正转指令以后,U1 10脚发出一个高电平信号(从-5.4V变为0V),由于Q3的e极接-5.4V,Q3导通,Q2因G极得到负电压(相对于K极而言)而导通,经BD1整流通过继电器RL1的常闭触点给电机供电。
如果由于加工物料过多引起卡堵,需要电机反转以退出过多的物料,这时可以长按“反转”键,U1接到反转指令后3s(防止操作者快速交替按动“正转”和“反转”按键, 所以设计为要按下“反转”键3s后电机才会启动),⑧脚发出高电平,Q5.Q4得到偏置电压而导通,RL1得电吸合,随后Q2导通,BD1输出的直流电压被RL1变换极性后供给电机。
R5是电机电流取样电阻,当电机过流时,R5两端的电压升高,此电压通过R9送往U1 11脚,
U1据此发出停止工作的指令,Q2截止,电机断电。本电路比较特殊的是采用负电压控制,u1①脚和L线接地,实际上是5V电压的正极,U1 11脚是5V电压的负极。另外,本电路利用D1.D2产生正负两组电压,把交流电源的正负半周都利用起来,这比一般的电容降压半波整流效率更高。在此稳压电路中,增加了R11、ZD2(20V)和R23、ZD4(4.7V)等元件比较少见。在电机转动时,实测一5.4V电压降为4V,在电机反转时,24V电压降为21V。
本机的马达属于S2工作制(即短时工作制),最长连续工作时间不能超过30分钟,使用时要注意。

网友评论