一、整机电路分析
1、感应加热回路
该机的感应加热电路与其他品牌电磁灶的电路基本相同,主要由加热线圈L、谐振电容C5(0.3uF/1200V—DC)及门控管IGBT(FGA20N120AND)组成。由驱动控制部分Q6、Q7的激励信号驱动IGBT导通与截止使L和C5形成并联谐振,产生高频磁场。使放在电磁灶面上的铁质锅具感应出强大的涡流,从而产生大量的热量,对食物进行加热。
2、电源电路
交流220V电源经变压器T2降压并经整流、滤波及稳压后,得到+5V及+21V两组直流稳压电源,给相关电路供电。
3、开/关机及散热风扇驱动电路
接通电源后,电源指示灯POWER点亮,此时整机处于待机状态,单片机U2(S3F9454X22-DKB4)⑩脚输出低电平,Q2截止,散热风扇电机不转。同时,U2 16脚输出高电平,Q8饱和导通,将U3(LM339N)④脚及13脚电位拉低,U3②脚输出高电平,Q4饱和导通,保证IGBT曾在待机时不致导通。放置好合适的锅具后,按下电源“开/关”键,U2⑩脚输出变为高电平,Q2饱和导通,散热风扇电机开始转动。同时,U2⑥脚输出的脉冲信号经Q4、Q6、Q7驱动IGBT管工作。
如果电磁炉灶面上未放置合适的锅具,按“开/关”机键40秒钟后,整机自动进入待机状态。另外,电磁灶正常工作一段时间关机后,U2 10脚仍会持续输出一段时间的高电平,保证电磁灶内的热量能顺利地散发出去。4、交流电压监测电路
为了防止IGBT在电源电压过高或过低时继续丁作而损坏,本机设置了220V交流电压监测电路。220V交流电呀经电阻R1或R2降压,R3分压,C13滤波后形成取样电压。该取样电压被直接送到U2 15脚,检测电路据此判断220V交流电压是否正常。如果该电压超出正常范罔,单片机的保护控制电路将启动,U2 13脚停止输出脉冲信号;同时,16脚的输出变为高电平,Q8饱和导通,使IGBT可靠地截止,并在数码管上显示出故障代码。另外,该取样电压还送到U3⑥脚(反相输入端),当U3⑥脚电压大于U3⑦脚电压时,U3①脚输出变为低电平,将U3 13脚输出的脉冲信号经D22对地短路,保证门控管在220V交流电压过高时可靠地截止。
5、高压峰值检测电路
为了保护IGBT不被过高的反峰电压击穿损坏,设置了反峰电压值检测电路。加热线圈L的LOUT端(即IGBT集电极)的电压经R10、R11降压,R12分压取样,C28滤波,再经过R13、R49*分压后送到Q3的基极。当IGBI集电极的电压超过设定值时,Q3将进入放大状态或导通状态,并通过电阻R14及D23使电容C12两端的脉冲信号幅度减小,U2据此控制使门控管的导通时间缩短,保护IGBT管不被击穿损坏。
6、锅具及电流检测电路
整机工作电流取样互感变压器T1次级感应出的脉冲电压经D11~D13整流后,得到与T1初级线圈电流同步变化的脉动直流电压。该电压经电位器VR1调整,R19、R20分压取样,C14滤波后得到一个电压信号,送到U2 14脚,U2的检测控制电路根据该电压信号自动调整输出功率,防止门控管因过流而损坏。同时,该电压信号也作为灶面有无锅具及锅具是否合适的检测信号。如果灶面上未放置锅具或放置的锅具不合规格、放置的位置不正确,U2 14脚的电压将达不到设定值,其内部检测电路据此判定无锅具。单片机U2 17脚将输出报警信号,驱动峰鸣器BUZ发出无锅提示报警声。
7、过热保护电路
过热保护电路分为灶面过热保护电路和门控管过热保护电路。
(1)灶面过热保护电路 灶面过热保护电路由灶面温度检测热敏电阻、分压取样电阻R41和R42、c19及U2 11脚内部电路组成。在加热过程中,安装在灶面陶瓷板与加热线圈之间的热敏电阻阻值变小,而U2 11脚的电压升高。当灶面温度达到设定值时,U2 11脚的电压也相应地升高到了设定值,其内部保护电路启动,13脚停止输出加热脉冲信号。另外,U2 16脚输出变为高电平,Q8饱和导通,使门控管立即停止工作。同时,蜂鸣器发出报警声,并在数码管上显示出故障代码。(2)门控管过热保护电路 主要由门控管温度检测热敏电阻、分压电阻R40、电容C20及单片机U2 19脚内部电路组成。电磁灶在工作过程中,当其门控管IGBT的温度达到设定值时,固定在门控管上的热敏电阻阻值相应地减小到设定值,单片机19脚电压也相应上升到设定值,其内部保护电路启动,13脚停止输出加热脉冲信号,16脚输出变为高电平,Q8饱和导通,使门控管IGBT停止工作。同时,蜂鸣器发出报警响声,并显示故障代码。
8.同步电路 为了保证门控管在导通和截止时,免受大电流冲击而损坏,本机设置了同步电路。加热线圈L的LIN端的电压经R4、R5及R6分压取样后送到U3 ⑨脚同相输入端,而LOUT端的电压经R7、R8及R9分压取样后送到U3⑧脚(反相输入端)。当门控管饱和导通时,加热线圈L的LIN端电压为“正”,LOUT端电压为“负”,对U3 11脚输出的脉冲信号无影响;当门控管截止时,加热线圈L的LIN端电压为“负”,LOUT端电压为“正”,U3⑧、⑨脚内部的比较器翻转,将U3 11脚输出的脉冲信号对地短路,使门控管截止而得到保护。
9.脉冲信号驱动电路 脉冲信号驱动电路主要由Q4-Q7及其外围元件组成。当U3②脚输出的脉冲信号为高电平时,Q4饱和导通,Q5、Q6截止、Q7饱和导通,门控管截止;而U3②脚输出的脉冲信号为低电平(0V)时,Q4截止、Q5、Q6饱和导通、Q7截止,门控管饱和导通。如此循环,使门控管不停地工作在开关状态。
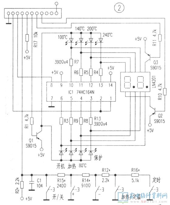
10.按键及显示电路 电路见图2所示,按键及显示电路主要由按键、数码管、数码管驱动二极管(Q2、Q3)、8位移位寄存器lC101(74HC164N)、指示灯及其他外围电路组成,并经排插与主板电路进行连接。
二、检修实例
案例1、开机后风扇电机不转,电源指示灯熄灭,数码管显示“E3”,蜂鸣器响10次后进入待机状态。
分析检修:根据故障现象,说明该机已经进入保护状态,但不知其代码含义。打开机盖,目测检查,未发现表面损坏的元件。通电开机,在电磁灶尚未进入待机状态时测U2的各个检测保护输入端。当测到U2 15脚电压时,发现其电压值与正常值相差较大(在AC220V时该脚电压为2.3V左右,正常值应在1.5V左右)。说明该机的交流监测保护电路已经启动了。断电,用万用表对u2 15脚外围元件进行检测,结果发现R3(3.3k)阻值变大(6k左右),将R3按原规格更换后,试机一切正常。
案例2、有时能正常工作,有时开机即显示“E2”,风扇不转,蜂鸣器响10次后进入待机状态。
分析检修:根据故障现象,初步判断该机可能出现接触不良或保护电路误启动的故障。打开机盖,在出现故障时测u2各脚电压,结果发现U2 19脚电压为0.05V左右(正常值应为lV左右),说明故障点在门控管温度检测电路。用万用表对门控管温度检测热敏电阻进行检测,发现其已开路。更换后试机,一切正常。

网友评论