电磁炉不加热故障的原因有许多,例如检测不到锅、市电电压不正常等等,而且上述原因往往使MCU进入保护状态,从而控制加热电路不工作,同时有故障提示(数码管显示代码或蜂鸣音提示)。例如一台美的EF197电磁灶,现 象为按下电源键开机所有显示正常但不能加热,且即使不放置锅时也不能够发出检测无锅的报警声。 
        首先打开机壳观察机内并没有明显的短路、断路或烧糊等迹象。测量电磁灶线盘处的300V、控制电路供电5V和 18V都正常。为便于检修找来一台好的该型电磁灶进行对比检修。 

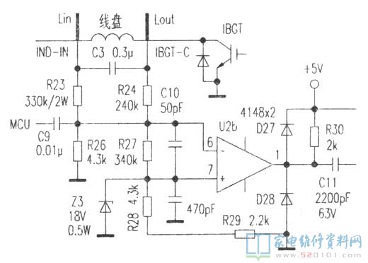
        对比发现在待机时故障机U2(LM339)的①脚电压为0.25V,而正常机的此脚电压实测为4.8V。其他的电压都相差不多。更换一块U2后故障依旧。该机的同步振荡部分线路如图所示,以U2b、U2c为核心的这部分线路,产生十几千赫兹的方波去推动IGBT功率管工作。电磁灶线盘圈左侧电压经R23、R26分压后加到U2b的反相输入端⑥脚。以直流电压为300V来计算该脚电位应该为3.86V,而IGBT管在不导通时其C极电位也应为300V,此电压经过R24、R27和R28、R29分压后也将会有4.0V的电位加到U2b的同相输入端⑦脚。根据电压比较器LM339特性。同相输入端的电位高于反相输入端时,其①脚电位应为高电位。依此分析判断故障应该是这些分压电阻阻值变化或电磁线盘开路故障。实测⑦脚电位为3.81V,拆下检查R24、R27这两个电阻其中前者阻值为240k,另一个已经变为261k,更换后故障排除。

         此机型U2b的两个输入端的电位设置得很接近,主要因为在电磁灶启动时,MCU将通过C9输出一个负的启动脉冲,使⑥脚电位瞬间低于同相端⑦脚的电位,使U2c输出状态翻转,振荡电路起振来进行检锅过程。这种设计使得启动信号容易触发振荡器,但也会由此而引起故障。本机在出现故障时由于U2b的①脚已经变为低电位,启动脉冲无法使IGBT导通从而无法检锅。此时MCU一直工作在等待检锅反馈信号的逻辑死区中,所以就不会发出无锅的报警声(当然有些机型的MCU中“看门狗”会很快终止这种循环而自动关机)。二是这样较低的翻转电平门限可以使IGBT管开关脉冲的前沿和线圈峰值电压的后沿相位差很小,以减小IGBT管的功耗。本例中R24和R27是碳膜电阻,这种电阻在高压电路中比较容易出现阻值增大,例如彩电开关电源中的振荡启动电阻就容易开路。