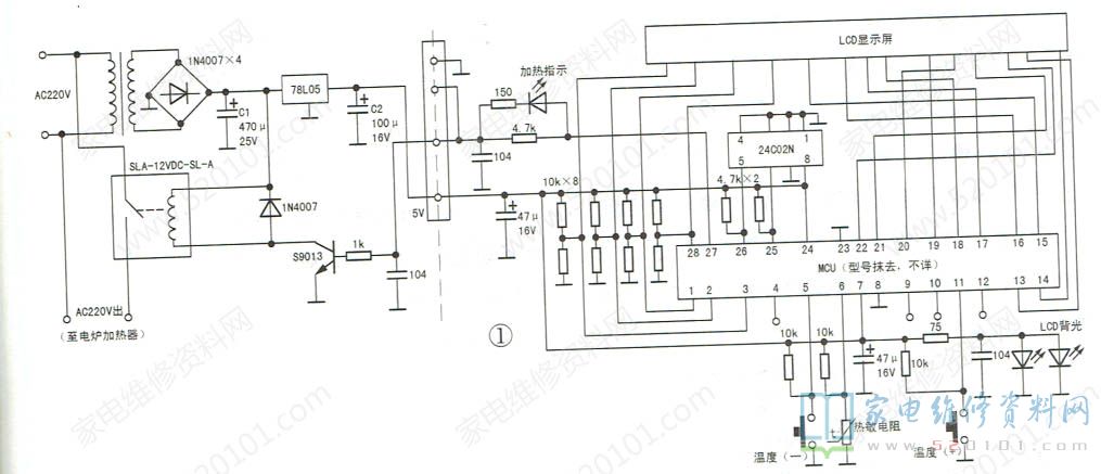
接修一台为农牌WK2012-A蚕用自动温控器,能显示温度,但不加热。该机实绘电路如图1所示。上电后测量MCU⑥脚温度检测电压能随着温度变化而变化,但2脚(加热信号输出端)无高电平输出。观察显示屏设定温度值是“25" ,这不对,因为该温控器设定温度是华氏温度(华氏度=32+摄氏度x1.8)。试着将其温度设定到82°F后,温控器工作正常。该温控器设定温度为什么会自动大幅度变化呢?在测试中显示屏背光有时忽明忽暗,经查,控制板上的5V供电不稳,而稳压块78L05的5V输出电压稳定,怀疑连接线接触不良,用电子清洁剂清洗连接线插头后试机,故障排除。

网友评论