接修一台HYUNDAI QC-LL2427型多功能料理机,上电后蜂鸣器就发出“嘀嘀"声,不工作也不加热。
一、工作原理分析
1.整流稳压电路
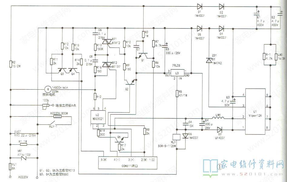
该机电源板实绘电路如图1所示,开关S和电源插座都安装在底座上,当杯体放上底座并且对正位置旋紧上面盖子后,s被压通;提起杯体则断电。压敏电阻VR1、电阻R1和电容C1起滤除浪涌电压作用。AC220V 分成两路,一路给搅拌电机M、电热管L供电;另一路经D1、D2半波整流和E1、E2滤波后得+300V的直流电压,供给U1(VIPER12A)的⑤-⑧脚(芯片内部场效应管漏极)。u1③脚为电压反馈端,与外接zD1(12V)稳压管形成稳压电路。u1④脚为芯片供电端(也与芯片内部漏极高压电流源相连),得电后芯片启动工作,U1的①、②脚接芯片内部场效应管源极,与电容E4、电感LM4和快速恢复二极管D3及U1④⑧脚内部电路组成串联降压(BUCK)电路,三端稳压块U3(79L05 )③脚(OUT)输出-5V 电压,送给主控板供电插座CON④脚(- );U3①脚(GND )作为后级主控板供电的正极,接coN③脚(+),即CON③、④脚电压为+5V。
2.过零检测电路
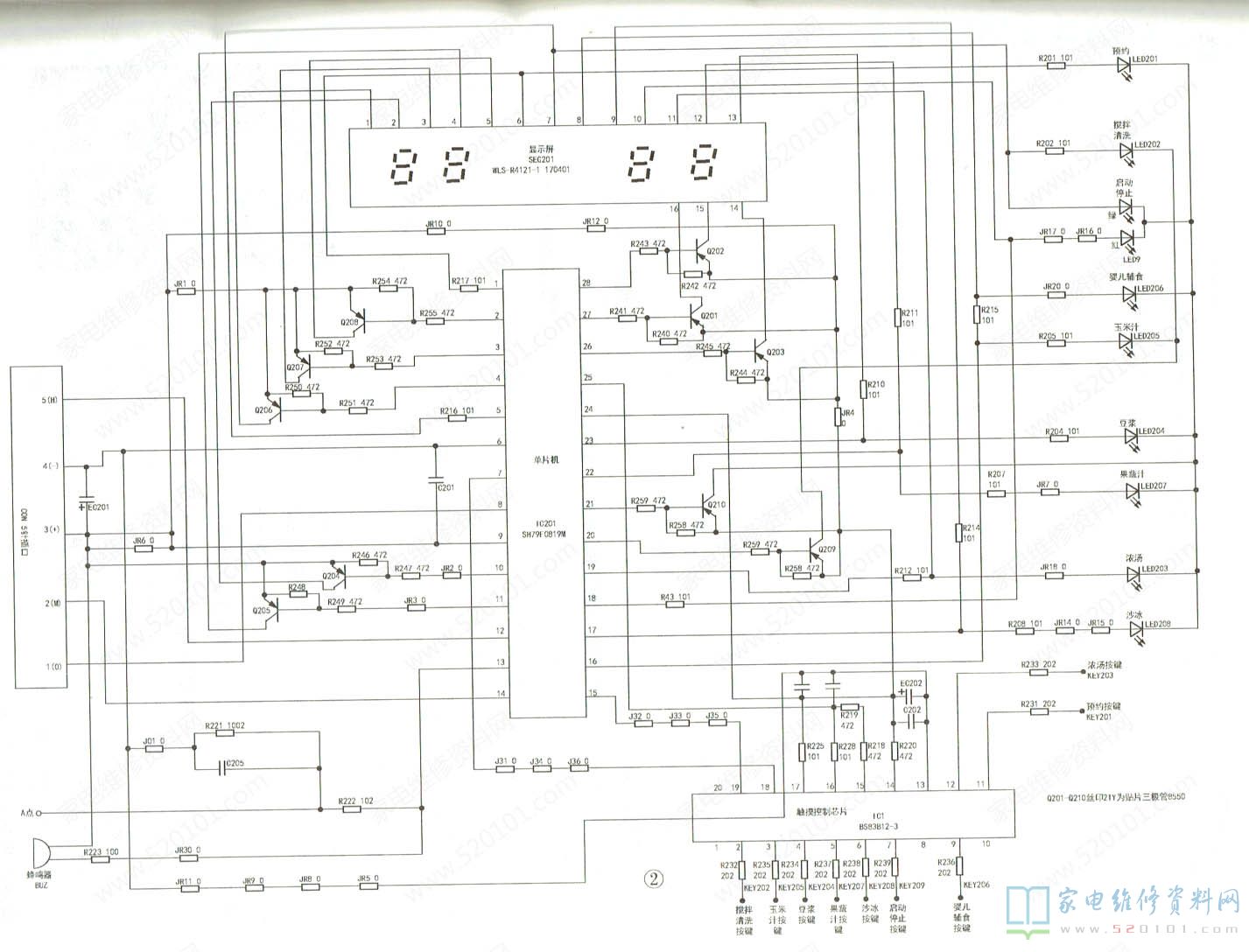
CON①脚(O )连接至主控板单片机IC201⑧脚(过雾检测端),如图2所示。
220V 交流电通过R3为Q1提供基极电流(见图1),当220V交流电过零时,Q1因基极电压为0V而截止,此时Q1集电极为高电平,即IC201⑧脚为高电平。IC201 据此信号控制双向可控硅(BT1.BT2)触发角(导通.角)。若IC201检测不到过零信号,BT1.BT2截止,搅拌电机停止工作。过零检测电路让可控硅在交流电过零时导通,以减小浪涌电压对可控硅的冲击,让可控硅的损耗降到最低,从而延长可控硅的寿命。
3.搅拌电机、电热管控制电路
CON②脚接IC201 14脚。当IC201 14脚发出双向可控硅的同步触发信号后,一路信号通过Q2、R9使BT1导通,另一路通过Q5、R19使光电耦合器U2(MOC3021 )的①、②脚导通,U2④脚向BT2注入正向触发电流,BT2导通,B让搅拌电机M得电旋转。C6、R13 和C8、R16分别为BT1、BT2的阻容吸收电路。
CON⑤脚接IC201 12脚。当IC201 12脚输出低电平时,Q3、Q4导通,继电器RLY-1吸合接通,控制电热管L得电工作。二极管D6为续流二极管,吸收继电器线圈产生的反峰电压,以避Q3、Q4过压损坏。
4.温度检测电路
RT为100k负温度系数热敏电阻,紧贴热管L安装,一端经R222接至IC201 13脚。在理机工作后,随着电热管温度的升高,RT阻值降,IC201 13脚电压也逐渐下降,这时IC201内程序会与设置值进行比较,当达到设定值时IC201 12脚输出高电平,Q3、Q4截止,电热管L止加热,随后IC201 13脚输出触发信号,可控硅通,搅拌电机M运转。
二、故障检修
本机故障现象是不加热,这说明电热管未通电。上电测量CON⑤脚电压为+5V,Q3、Q4均处于截止状态,RLY-1线圈中无电流通过。检测发现热敏电阻RT阻值为092,这明显异常。经查RI短路。这时IC201 13脚的电压为0V,IC201进入停机保护状态,其13脚输出脉冲信号,蜂鸣器BUZ发出“嘀嘀"声。该机RT的外形如图3所示,外表面为金属体。
由于笔者手头无此型热敏电阻,于是找来一只普通的100k负温度系数热敏电阻,先在其引脚上接上耐高温的细软线,然后在其外面裹上一层薄铁皮(笔者用的是手机主板.上的屏蔽罩),最后注入导热硅脂制成温度探头,并紧贴电热管L安装。改动后试机故障排除。

网友评论