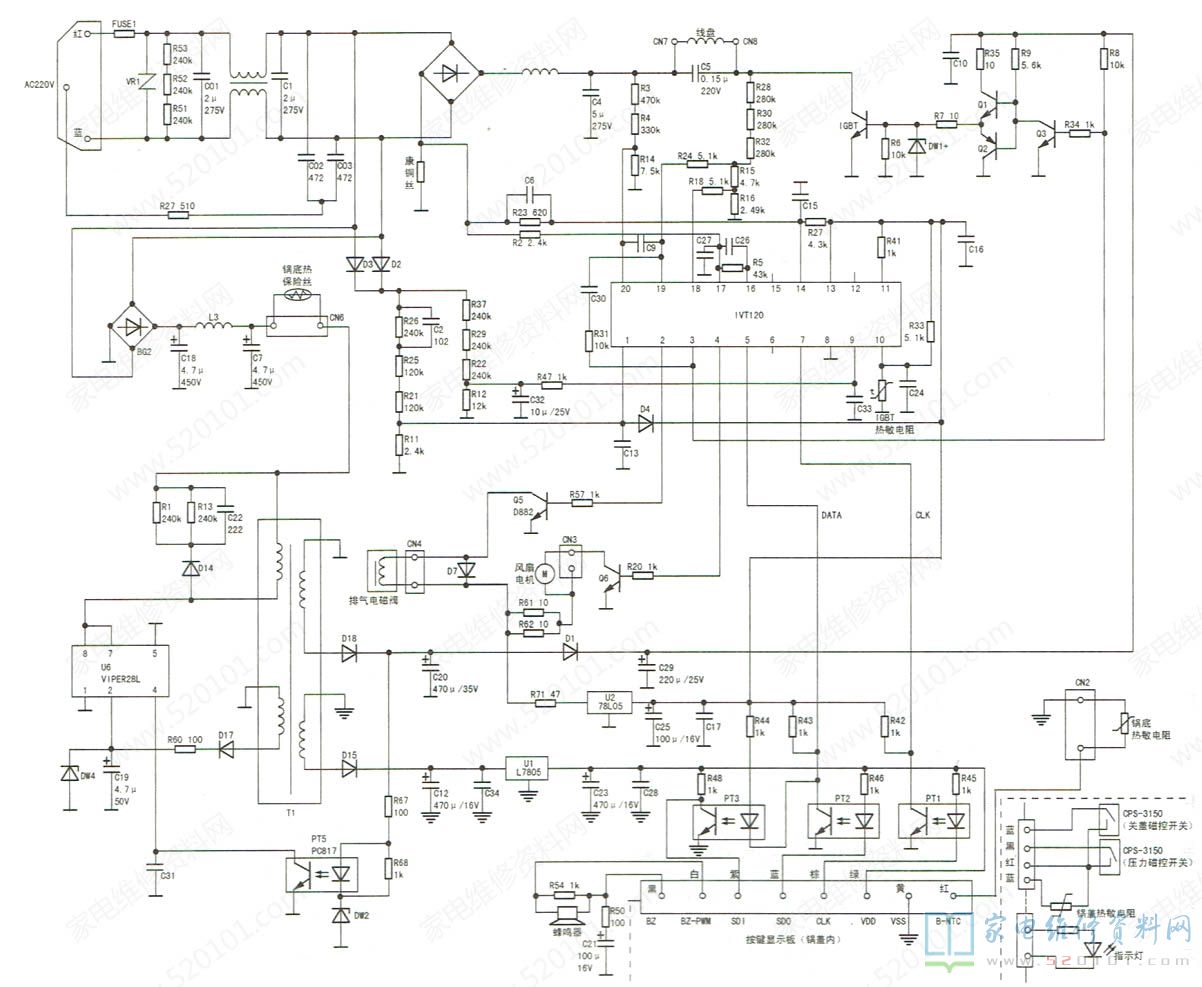
接修一台苏泊尔cYSB50FH2- 130( sY0699 )型电压力锅,上电后屏显"E4"代码,不加热。查看该机故障代码资料(见下表1),"E4"表明IGBT功率管开路或短路,但检测IGBT管无异常。上电试机,屏上先显示“E7"代码,然后再长时间显示"E4"代码,怀疑高压检测电路有问题。该机实绘电路如图1所示。
测主芯片IVT120⑨脚外围电阻均正常,①脚(浪涌电压检测)及19脚、20脚(同步电压检测)、18脚(IGBT管c极高电压检测)的外围电阻均正常。在检修中发现,有时开/关锅盖时,锅盖上的显示屏及指示灯均熄灭。测量锅盖内按键显示板的供电正常,怀疑该板与主板相连的线束有断裂现象。拆开锅盖测量,SDO、SDI数据线断裂。用导线连接好断点后试机,故障排除。须说明的是,本机为保证安全,按键显示板采用单独一组5V供电,其地线与主板的地线无电气连接,信号传输用光耦进行电气隔离。光耦PT1传输CLK信号,光耦PT2、PT3传输DATA信号。主芯片IVT120的引脚功能及实测电压见表2,供参考。

网友评论