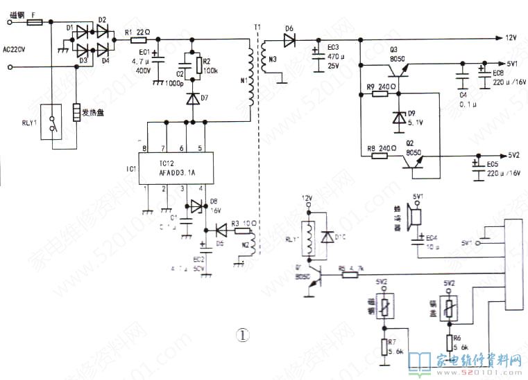
韩酷智能电饭煲采用开关电源电路,输出12V、5V电压,其实绘电路如图1所示。220V市电通过磁钢内温度保险后,加到由二极管D1~D4组成的全桥上,经全桥整流和电容EC1滤波,产生约300V直流电压,通过开关变压器T1的初级绕组N1加到IC1(AFADD3.1A)⑤~⑧脚,电路起振。T1产生的感应电压经电阻R3限流、二极管D5整流、电容EC2滤波,产生约16V直流电压,作为IC1的二次供电。电容C2、电阻R2、二极管D7组成尖峰吸收电路。T1次级N3绕组两端产生的感应电压经二极管D6整流、电容EC3滤波,产生12V直流电压,一路供给继电器,另一路供给由Q2.Q3.D9等元件组成的串联稳压电路,在电容EC8上产生5V直流电压,供给蜂鸣器及面板;在电容EC5上产生5V直流电压,供给磁钢及锅盖温度检测电路。

故障现象1:通电后显示故障代码“E4”,且不停地闪烁,无法煮饭。

分析检修:经查是锅盖温度检电路的连线断路,断路点在锅盖转轴处,换用新连线后,故障排除。

故障现象2:通电显示故障代码“E2”,且不停地闪烁,无法煮饭。

分析检修:经查,磁缸内的热敏电阻开路,换新后试机,故障排除。

故障现象3:上电后面板无显示。

分析检修:经查,限流电阻R1开路,IC1击穿。更换R1和IC1后试机,故障排除。

故障现象4:上电后显示、操作均正常,但加热不停。

分析检修:经查,继电器RLY1内部触点黏连。更换继电器后试机,故障排除。