接修一台老旧的三角电磁炉,客户说不加热,但是风扇又转,按按键都能看到数码显示变化,比如按增大,减小都能看见数码板的数字变化,但是,就是一锅冷水,也没有报警,也没有代码。由于近日来要忙着安装监控,就粗略的检查一下(就是平时常见的电容电阻什么的)都没发现问题。看到电磁炉一插插头,风扇就转,也没什么心情研究,就和朋友说MCU坏了,不修了。
这两天,没什么事,看见电磁炉放在那里,想想还是研究一下,也顺便提高一下自己的技术。不加热。这个问题有点复杂,根据修多年电磁炉的老师傅说,检查主回路,两端的大电阻,电容,如果没有问题,基本上没戏了。于是,就先检查什么200K电阻呀,5uF电容呀,IGBT呀。一番折腾,但是,没有坏的,这下真是没戏了。
会不会是驱动电路那些8050 8550的问题,又拆下来检查,没有问题呀!(事实上,修这么久都是因为万用表垃圾,故障就是这3个三极管,但是万用表检查正常),于是又装回去,弯路就此开始。
一插电风扇就转,平时正常的电磁炉不是这样的呀!!应该是转一下就停才对,不会是控制风扇那个三极管坏了吧??又检查那里,没有坏的,那是什么原因导致MCU一直输出高电平让风扇一直转呢??真不会是MCU失常了吧??再想想,风扇是散热,它一直转,说明MCU认为内部发热严重,就让它一直转,应该是那些检测温度的电阻问题,就检查那两个NTC,发现IGBT那个只有2.45K,这不对呀!!应该是10K或者100K的,以为不加热故障就在这里了,先找一个10K的换上,故障还是那样
又找一个100K的换上,再试机,只见数码管显示1400几秒,又停住加热,但风扇却是转一下就停,再开机就转,正常了。哦,原来风扇狂转是因为这个电阻,又学到一招,哈哈哈!
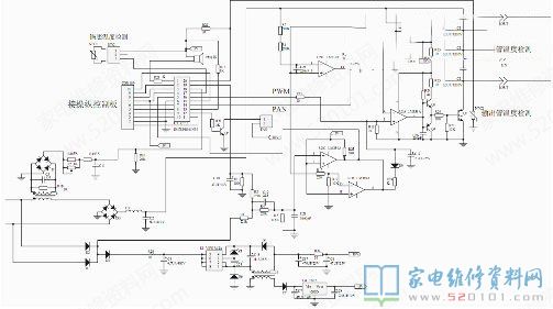
但还是不加热,风扇正常有什么卵用??但是,这时的故障跟开始不一样了,按开机键,数码管显示一下:1400,而且,盘里的水微微动一下,这就说明MCU输出了驱动脉冲,但是,不知道是什么原因导致加热振荡停止,看看图纸,从LM339的8 9脚入手,当9脚电压高于8脚,14脚输出高电平,与后面的电路形成振荡,待机时,8脚3.35V,9脚0V,当按开关时,9脚出现一次7V的高电平(好像是这样),然后就没有了。
不会是保护电路动作了吧?保护电路动作就LM339 13脚,1脚为低电平,电磁炉要加热 13脚无论什么情况,都应该是高电平,否则,就是保护,检查13脚,待机,开机都是5V高电平,这就说明,根本就不是保护引起的。那原因就只有,驱动电路那里,把万用表放到339的5脚,反复的开机,发现5脚出现:0--5--0--5.....这样的电压跳变。
这下明白了,就是那3个驱动三极管8050 8550的问题,果断3个一起换掉,电磁炉正常了。(这些垃圾的万用表)

经过这次折腾,对电磁炉又更进一步了解了,电磁炉是不值钱的,折腾是辛苦的,经验是宝贵的,做维修的就应该具备这种阿Q精神,哈哈哈!!好,谢谢观看,顺便给加点分!
由于用电脑不知道是什么原因,不能上传图片导致图纸模糊不清,那图纸里从上往下依次是LM339的U2B:8 9 14脚, U2A: 4 5 2脚,U2C:6 7 1脚,U2D:10 11 13脚,LM339保护,我理解是:在5脚脉冲输入和13脚那里接了一个D9,如果D9的正极电压大于负极,D9导通,将MCU16脚的脉冲信号拉掉。如果D9的负极电压大于正极的脉冲,就截止。也就是13脚和1脚必须是高电平,就不保护。不对之处请指正!
网友评论