接修一台格兰仕G90F25CN3LV -Q6(GO)变频微波炉,按启动键后风扇和照明灯工作正常,屏显从30s开始倒计时,刚过5s屏显“E-1",蜂鸣器报警。分析检修:在AC220V供电插座中串入电流表试机,从电流表读数看,磁控管未工作。启动时测得变频板已得到AC220V电压,并且电脑板也已送出启动脉冲到变频板的CON2插座中,看来故障在变频板上。
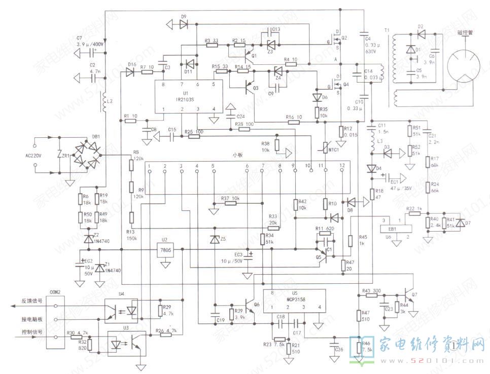
为便于检修,特实绘出变频升压电路,如图1所示(控制芯片安装在小板上)。启动时,变频板得到AC220V电压,经桥堆整流得到300V电压,经R6、R19、R49、R50降压及Z2、Z1稳压,输出20V电压,一路供给驱动芯片UI(IR2103S),另一路由U2(7805 )稳压成5V,供给小板上的控制芯片。电脑板发出的控制信号通过光耦U3送给小板,小板发出两路驱动信号送给U1,经U1放大后驱动大功率场效应管Q2、Q4,经开关变压器T1升压后驱动磁控管。
在升压电路正常工作后,Q2的S极和Q1的D极连接处A点会产生一个高频脉冲,C11和L3对脉冲降压后,由D4.D3整流、EC1滤波,再经R18限流后送往Z1稳压,以代替上述启动电源。
Q4的S极接一只小阻值电阻R12,以检测流过Q4的电流。R12 两端的电压通过R20送往运放块U5(MCP3158),本机只用了U5中的一个运放,其放大倍数由R23和R21的比值决定,本电路设计为15倍。放大信号从①脚输出送往小板,与电脑板输出的控制信号相比较,以控制开关管的工作状态。Q7和外围元件组成过流保护电路,如果流过R12的电流过大,R12上电压(这是一个脉冲电压)升高,Q7导通,小板②脚变为低电平,电脑板收到控制芯片的反馈信号后,输出指令使变频板停止工作。
提示:R12是一只体积较大的贴片电阻,阻值为0.015Ω。如果R12阻值增大或引脚接触不良,会引起过流保护。Q6和外围元件组成300V电压过高保护电路,R8、R9、R13是300V电压取样电阻。当300V电压过高时,Z5被击穿,Q6导通,后续控制同过流保护。
芯片U6及外围元件组成输出电压过高保护电路,C21、R17、R24、R40、R41组成取样电路,取样电压(实为脉冲电压)经D7整流后,通过R22送给U6①脚。U6是一个3脚贴片元件,丝印为EB1,根据电路分析及实测数据,估计该元件是三端精密稳压器TL431,当开关电源输出电压过高时,U6③脚变为低电平,Q5导通,小板③脚变为高电平,控制芯片发出过压信号,电脑板据此发出保护信号,变频板停止工作。
另外,靠近开关管的地方安装有一只负温度系数热敏电阻NTC1,当开关管过热时,该电阻阻值变小,小板①脚电压降低,控制芯片让开关电源停止工作。对于本机,首先要确定变频板是否工作过?如果工作过,又是什么原因使变频板进入了保护状态?测量A点电压,发现启动时指针万用表(直流250V或500V挡)指针摆动了一下,这说明开关管导通过;用示波器测量该点,确有高频脉冲。这样可排除电源电压过高和开关管温度过高保护(或误保护),因为在这两种状态下,控制芯片不会发出驱动脉冲。接下来判断电路是否过流保护,先将变频板和磁控管分离开,并拔去磁控管灯丝引脚连线,用万用表R X 10k挡测磁控管灯丝和外壳电阻为oo,由此判断磁控管正常(这里误判了)。 然后让变频板空载工作,屏仍显“E-1" ,但出现“E-1"的时间延长到15s,这说明问题还是和磁控管有关。再用自制的1500V电压表测磁控管灯丝和外壳之间的电压,发现只有400V,这肯定不对,因为正常工作时,灯丝和外壳电压要超过300OV。看来故障原因应是磁控管灯丝和外壳软击穿,引起变频板过流保护。
本机磁控管型号是M24FB-710AB,因手头没有同型号配件,加之以前曾用普通磁控管成功代换过变频专用磁控管,于是装上型号为M24FB- 610A 的普通磁控管上电试机仍不工作,但屏显“E-1”的时间点为倒计时15s时。启动时用试电笔靠近开关变压器,试电笔指示灯亮,这说明开关电源已输出高压。用4只10M2电阻串联在指针式万用表表笔中,空载时测得灯丝处的高压为5800V ,这说明变频板工作正常。难道该机不能换用通用磁控管?
在检修中因嫌风扇声音太吵,拔了风扇线,连续多次开机检测关键点的电压波形,突然有一次磁控管开始工作了,而且加热正常。后来发现,冷机时多次启动,磁控管会工作起来(热机时能一次启动成功)。分析认为可能是冷机时灯丝加热不够引起磁控不工作呢?用普通微波炉变压器的灯丝绕组分别给M24FB -710AB和M24FB -610A型磁控管供电,实测其灯丝电流,实测结果见表1,可以看出,在同样的灯丝电压下,前者的灯丝电流要大于后者。
既然如此,如果把灯丝电压稍微提高一些,后者也应该能正常工作。以前在修CRT电视机显像管老化故障时,用导线在高压包上穿绕一二匝再串联在原灯丝供电回路中,这样可以提高灯丝电压。如法炮制,在变压器磁芯上增加了半匝线,如图2所示。
上电开机启动成功,且无论冷机、热机功能都正常,但在一次试机中,启动约2min后,串联在AC 220V中的电流表读数突然大幅下降,随即又回升上去,反复两次后显示“E-1"代码。检测后发现磁控管外壳和灯丝再次软击穿,击穿电压达900V。
结合两只磁控管损坏的症状,怀疑变频板输出高压有瞬间过压现象,从而造成磁控管软击穿。检查过压保护电路中的U6及其外围元件,都正常。告知客户变频板和磁控管都需更换,客户嫌费用太高。能否弃用变频板,改用普通微波炉的变压器供电呢?考虑到该机电脑板在发出工作信号后,如没有接收到变频板反馈的正常信号就要停止工作这一特点,决定把电脑板送往变频板的控制信号直接作为,反馈信号返回给电脑板。拆下变频板,把电脑板送往变频板cON2插头的白线(控制信号)和黄线(反馈信号)用一只1k电阻连接起来,上电开机,一切正常。
从本次维修过程来看,变频微波炉的磁控管和普通磁控管各有不同,也有可能是不同机型的适应性有差别,所以有的机型可以通用,有的则不行。
另外,由于变频磁控管价格是普通管的两三倍,有不法卖家以普通管混充专用管,这使得能否通用更难判断。从本例实测数据看二者的灯丝电压有些差异,如果换上普通管不工作,则可提高灯丝电压一试。须注意的是,这种变压器每匝线圈的感应电压较高(笔者曾在磁芯上绕了一匝,空载时该匝的感应电压竟高达20Vp-p),所以只能增加半匝,否则有烧断灯丝的危险。
本机最初故障是倒计时5s时显示"E-1"代码,实际上在启动3s后电脑板就切断变频板的AC220V供电,而驱动开关管的脉冲只有瞬间出现,这是因为电路严重过流,电脑板很快作出反应。在检修中,空载时倒计时15<才显示代码,这是因为变频板启动后,磁控管灯丝加热到额定温度需要一段时间,在磁控管正常工作前,变频板基本处于空载状态,所以需要较长时间的延迟。
当变频板进入保护状态后,由于开关电源停止工作,D3、D4等元件组成的辅助电源无电压输出,而启动电源的内阻较大,则Z1两端电压降至6V,变频板进入锁定状态,以保护开关管。当然如果开关电源不正常,辅助电源不能提供足够能量,变频板也会停止工作。另外,在变频板启动工作时,用示波器测桥堆输出的300V电压竟然是频率为100Hz 的300V脉冲直流电,这是因为C7的容量仅为3.9uF,在负载电流达数安培的情况下,小容量电容滤波效果不大,C7和12的主要作用是对开关电源产生的高频脉冲进行滤波。
磁控管损坏后主要表现为灯丝引脚对外壳漏电或使用日久后老化。对于灯丝和外壳软击穿的情况还是第一次碰到,由于软击穿电压较高,用万用表无法检测,易引起误判,望同行注意。于为何会软击穿,是否和变频板输出的高压波形不正常有关,还请高手指教。

网友评论