接修一台荣事达RB50-3012G波轮全自动洗衣机,按电源键后,面板指示灯和数码管亮,再按启动键,洗涤状态的指示灯开始正常闪烁,但进水阀并没有动作。选择脱水程序后按启动键,脱水指示灯正常闪烁,数码管显示时间为8分钟并逐步减少到0,然后表示脱水完成蜂鸣器响,但洗衣机并没有任何动作。

       打开上盖短接水位开关引线,模仿水位已到位(该机水位开关是机械式的,达到设定水位后触点闭合),然后按启动键,电机应该开始运转,但仍没有任何动作。仔细检测进水阀、排水阀和电机,确实没有断路情况。拆下电脑板发现有一只白色的继电器,但是在按电源键时并没有听见继电器吸合的声音。

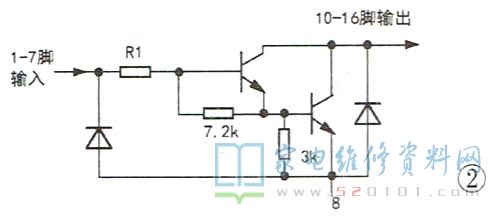
        线路简图如图1所示,ULN2004A是一块7通道反相驱动器,①~⑦脚是输入,10~16脚是输出,输出电平和输入电平反相,即输入高电平输出就是低电平,其中①④脚的输入输出电平符合反相规律,⑥脚在上电时为低电平,按下电源键就变为高电平,而且在任何工作状态下一直是高电平,只有关掉电源才变回低电平,估计这组反相器应该是控制白色继电器的,但输出端11脚始终为13V高电平,可判断这组反相器坏了。由于线路板密封在塑料壳內,更换芯片很麻烦。

        从ULN2004A内部线路(如图2所示)可以知道,这是由二只NPN三极管组成一只达林顿管,其特点是放大倍数可以达到几万倍,尝试用一只C1815三极管和10k电阻按图1接好,上电后按电源键,继电器发出清脆的吸合声,洗衣机各工作状态均正常,故障排除。提示:其实该机故障最简单的解决办法是拆开继电器的外壳,直接短路两个接点(但最好告知用户),且用完洗衣机后需关闭电源。另外ULN2004和ULN2003功能和引脚排列都一样,区别在于R1的阻值有不同,ULN2004是10k2,ULN2003是2.7k,一般情况下可以互换。故障代码:E1,表示进水超过16分钟,水位还没有达到设定水位;E2,表示门盖未关好;E3,表示洗衣桶晃动过大,触碰安全开关;E4,表示排水超时。