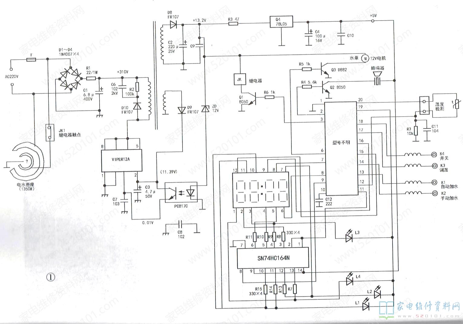
SY-140电热水壶款式新颖,外观酷似微型电磁炉,其微晶玻璃面板上设置有-一个电源底座,给电热水壶供电。本机设有一个进水口,可与自来水管连通,通过机内的小型电机驱动水泵实现自动进(加)水。本机采用触摸屏(按键)控制,水烧开后自动断电,实绘电路如图1所示。米拆开机壳, 注意到机内有进水迹象,估计是烧水时溢水所致。
该机以VIPER12A芯片构成小功率开关电源输出+12V、+5V电压,供后级控制电路。观察保险管完好,在路测试市电整流全桥及滤波电容基本正常,说明线路不存在短路现象。通电,实测C1两端电压为+310V,正常,但VIPER12A的⑤~⑧脚电压却为0V,测⑤~⑧脚对地电阻,并不短路,怀疑开关变压器绕组断路。拆下检查,发现开关变压器初级绕组一脚已腐蚀断路。用一段铜线绕在引脚上并焊好,再在焊点处熔些石蜡,以防受潮。装好开关变压器,通电试机,故障排除。

网友评论