小天鹅XQB60-818B型波轮洗衣机采用了国际上较为先进的智能模糊控制技术,即利用传感器自动检测被洗衣物的重量材质 、脏污程度及水温等相关信息,并将这些信息传送到中央微处理器cPU(MC68HCO5SR3),CPU中存有根据以往洗衣经验中总结归纳出来的数据及编制的多种洗涤程序,它会根据检测信息来确定最佳的水位、洗涤时间、漂洗次数、脱水时间等,即自动选择最佳洗涤程序,高效地完成任务,洗衣时只需按下“启动"键即可。本文将介绍该机的电路原理及常见故障检修。
一、工作原理
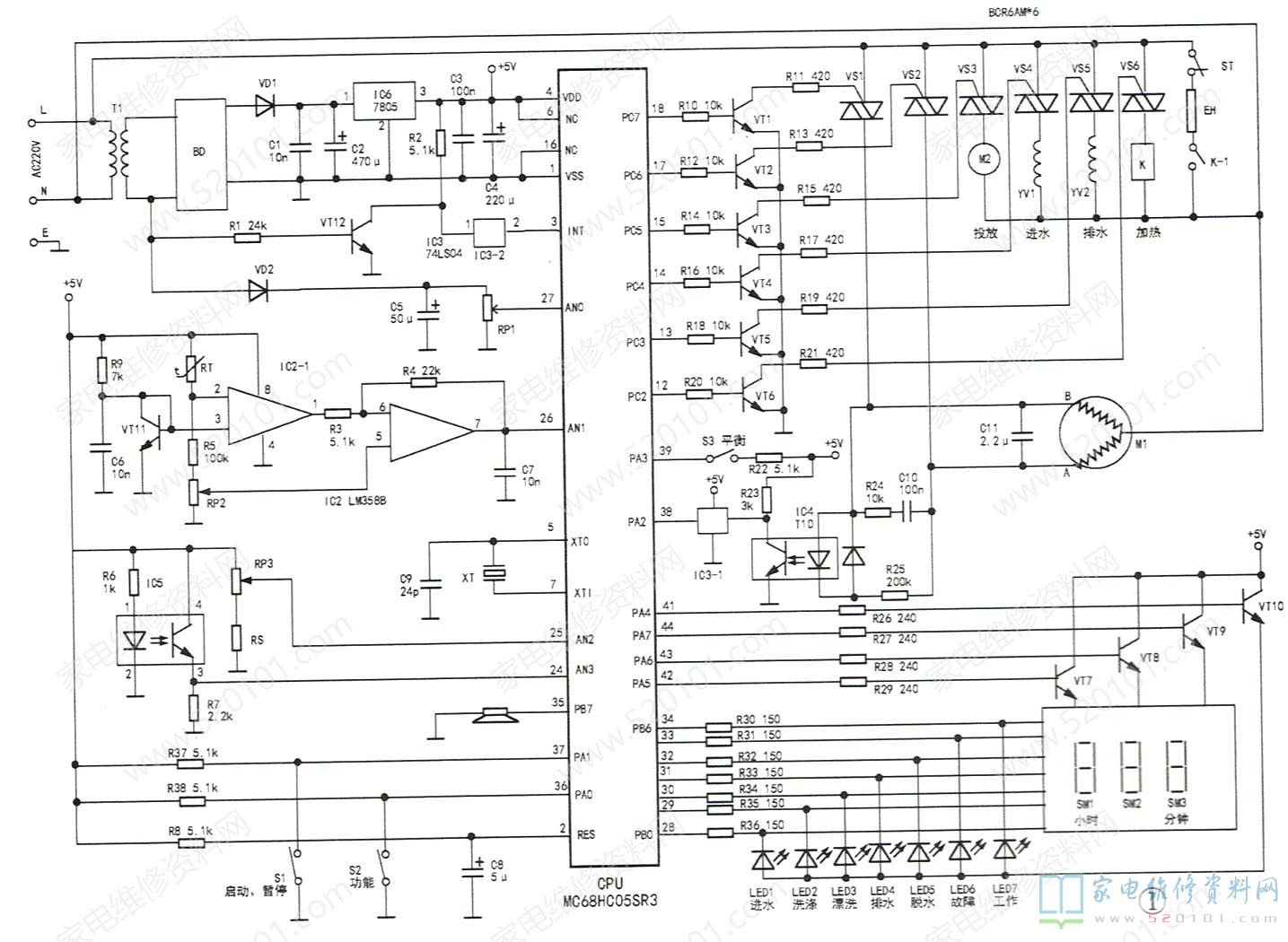
1.CPU及基本系统
该机CPU芯片采用Motorola公司生产的44脚QPF封装的8位单片机MC68HC05SR3,其整机电路如图1所示(元件位号为笔者自己标注)6该CPU芯片属于M68HC05系列单片机,该系列产品型号很多,采用塑料封装,有双列直插式和方形两种,引脚有44、52、56、64脚等多种,在光波炉电饭煲等家电产品中应用较多。其工作系统包括+5V电源、复位及时钟振荡电路。
(1) +5V电源电路
220V交流市电引入后分成两路:一路为主负载提供交流电源:一路经变压器T1降压、BD整流、VD1续流后由IC6(7805 )稳定为+5V输出,其中C1、C3为高频消噪滤波电容,C2、C9为低频平滑滤波电容。+5V电源主要为CPU的④(VDD )脚①(VSS )脚及控制电路、操作显示电路供电。
(2)复位电路
由R8、C8组成,由于C8两端电压不能突变,故在每次加电时CPU的②脚会获得一个由低变高的复位脉冲,在低电平期间,CPU各随机存储器清零,程序指令被初始化。当C8经R8充电后使②脚电压上升为3.8V时复位结束,CPU进入工作状态。
(3)时钟振荡电路
由⑤(XT0)脚、⑦(XT1)脚内部电路,石英晶体谐振器xt和补偿电容C9组成,为CPU提供精准的时钟脉冲信号。c9用于补偿XT在生产制造过程中产生的产品误差,提高工作稳定性。
2.取样检测电路
(1 )过零检测
由R1、R2、VT12、IC3-2(六反相器74LS04中的一个反相驱动器)组成。T1次级输出的50Hz交流电压信号经R1加到VT12基极,当信号过零为负时,VT12截止,IC3-2的①脚为高电平,②脚为低电平,即CPU的③(INT)脚为低电平;反之,当信号大于0.7V时,CPU的③脚为高电平(即③脚输入正脉冲)。此过零信号为单片机提供计时基准信号,且输出的控制脉冲与电网交流电同相位实现可控硅过零触发。
(2)市电电压检修
T1次级电压与电网供给的初级电压成正比,此信号电压经VD2半波整流、C5滤波及电位器RP1分压取样后,送到CPU的⑦(ANO )脚,与CPU内存数据进行比较,若大于260V或小于170V,则CPU停止程序运行,并发出报警声,以保护电路。
(3)水位检修
根据洗衣量不同,水位有高低四挡之分,检测电路由RS和校准电位器RP3组成。水位传感器根据水位不同其气表压力也不同。通过推杆改变RS电阻值,并将RP3分压信号送至CPU的国( AN2)脚,进行A/D转换为数字信号,再与衣测定值进行比较后,确定最佳水位高度。水位传感器在弹簧作用下可自动复位。
(4)水温检测由NTC (负温度系数热敏电阻)
温度传感器RT、双运放IC2等组成。VT11 发射极正向压降(约0.7V )作IC2同相端③脚的基准参考电压,,其反相端②脚输入RT、R5、RP2的分压取样信号。RT阻值随桶内水温变化,水温高RT阻值变小,反之增大,水.温变化信号经IC2-1、IC2-2反相放大后送入CPU 的④(AN1)脚,进行A/D转换并与预定水温数据进行比较后,由②脚输出加热或停止加热信号,使水温达到最佳洗涤效果。
(5)衣物脏污检测
由R6、R7、光耦合器IC5组成。IC5是穿透式光耦合器,虽然①、②脚内红外发射管与③、④脚内光电接收管是整体封装,但它们之间开有凹槽,红外发射光要穿透槽内洗衣水后才能被光电管接收。衣物脏污程度是根据桶内洗衣水浑浊度来判断的,水越浑浊光电管接收到的红外信号越弱,加在CPU的④(AN3)脚信号电压越低。经CPU进行A/D转换和数据比较后,自动调整洗涤时间及漂洗次数,保证洁净度达到要求。
(6)衣物重量和质地检测
由洗涤电机M1、光耦合器IC4(T10)、反相驱动器IC3-1、VD3、R23、R25等组成。在洗衣桶内水量一定时,所洗衣物越多,电动机负荷越大,间歇洗涤时断电停转惯性也越大。而电动机工作惯性减速运转时可视为交流发电机,当IC4的①脚电压为正时,光耦合器导通,④脚输出低电平经IC3-1反相使CPU的⑧(PA2)脚获-正脉冲,经CPU内计数器计数并与应用脉冲数据进行对比后,得到被洗衣物重量。显然,衣物越重IC导通次数越少,⑧脚输入脉冲也越少。衣物质地检测包括材质(棉、化纤)和软硬度两方面,原理与上述重量检测相似,即控制电机间歇运转并通过光耦合器对惯性运转圈数进行脉冲计数,再与衣物重量检测到的脉冲进行比较,差值越大表示棉质成分越多。而衣物软硬检测是通过水位传感器在衣物质地检测的同时进行的,即在质量检测前测出水位值1,再判断出质地后测出水位值2,根据水位差值判断衣物软硬度。若水位值1高于水位值2,则判断衣物较硬,反之较软。原理是较硬衣物比较软衣物的吸饱水的时间要长,在进行衣量检测过程中,软质衣物基本已吸饱水,而硬质则未吸饱水。故在随后质地检测过程中,软质衣物基本不再吸水,所以前后水位基本不变,而硬质衣物则继续吸水,所以水位下降质地越硬水位差也越大。
(7)内桶平衡检测
由安全平衡开关S3和R22组成。在进行脱水时,若洗涤脱水桶不平衡,桶壁会不停碰撞S3控制杆,使S3不停地开/合,CPU的国(PA3)脚不断获得不平衡脉冲。于是CPU采取再平衡措施,重新向桶内注水,并使洗衣桶进行转动,将桶内衣物摇平。经几次上述操作若桶仍不平衡,则洗衣机停止脱水,并发出报警声,提醒人工手动放平。
3.操作显示电器
该机有两个手动操作键,S1为启动/暂停键,按单数次为启动,偶数次为暂停。S2 用于功能选择,依次为“仅洗涤”、 “仅漂洗”、“仅脱水”。若不按S2,则CPU默认“全自动"洗涤程序。显示电路由开关控制管VI7~VT10、3位七段数码管显示屏、发光二极管LED1~LED7(显示工作状态,依次为进水、洗涤、漂洗排水、脱水故障、工作)及限流电阻R26~R36组成。CPU的28~38(PBO~PB6 )脚输出扫描信号,41~44(PA4~PA7 )脚输出位扫描脉冲控制VI7~VT10导通。其中数码管SM1(小时).sM2(分钟十位)、SM3(分钟个位)显示洗衣定时剩余时间。
4.输出控制电路
由CPU的18~12(PC7~PC2)脚输出控制信号,通过VT1~VT7驱动双向可按硅VS1~VS6导通,控制交流部件的工作状态。
(1)洗涤电机
M1 CPU的18、17脚输出控制信号经VT1、VT2使VS1、VS2轮流导通或截止,使主电机M1完成:正转->停止->反转->正转的循环洗涤过程。 脱水时,CPU的18脚输出连续控制信号使VT1、VS1导通,M1高速正转脱水。
(2)洗涤剂投放电机M2
CPU根据被洗衣物的多少、脏污等情况,由CPU的15脚输出控制信号,经VT3、VS3使M2工作,自动投放适量的洗涤剂。
(3)进水电磁阀YV1
CPU的14脚通过VT4.VS4控制进水阀YV1的开启或关闭。
(4)排水电磁阀YV2
CPU的13脚通过VT5、VS5控制排水阀YV2的开启或关闭。
(5)水位加热控制
当桶内水温较低需要加热时,CPU的12脚输出控制信号,经VT6、vS6使交流继电器K得电吸合,其常开触点K1-1闭合,加热器EH经K1-1温控器ST常闭触点得电对水加热。当温度传感器TR检测到水温达到要求后,CPU的12脚跳变为低电平,vT6.VS6截止,继电器K电压释放,K1-1切断EH供电停止加热。温控器ST起保护作用,防止K1-1失灵造成水温过高而损坏洗衣机。
(6)压电蜂鸣器电路
CPU的33(PB7)脚直接输出3kHz音频信号驱动蜂鸣器HTD发声。每按一下S1或S2时,HTD发出“嘀”一声键闭合确认音;发生故障时,HTD发出急促的“嘀嘀”声或故障提示音;洗涤完成,发出“嘀”的长声提示音。
二、故障检修
例1:通电后无反应,指示灯不亮,蜂鸣器不响,整机不工作。分析检修:该故障多是CPU工作条件不满足。首先测CPU的④、①脚间有无5V电源电压,若无,检查电源整流、滤波、稳压电路,重点是T1、BD、VD1.IC6、C2、C4;接着检查自动复位元件R8.C8是否开路失效或击穿漏电,必要时可将CPU的②脚瞬间短接一下,看是否能恢复,若能则说明复位不良;再检测CPU的⑤、⑦脚电压,正常时为1/2Vcc左右,若某脚(或两脚)始终接近0V或5V,说明时钟电路停振,通常是XT晶片有问题,C9击穿漏电可能性小。如上述检查都正常,若CPU引脚焊接无问题,则为CPU不良。由于该系列CPU芯片产品较多,更换时除引脚和封装相同外,其型号后缀也必须完全相同,否则可能因内部ROM固化程序不同,而导致洗衣机不工作或工作紊乱。
例2:通电后指示灯显示正常,按启动键S1时工作指示灯闪亮一下,洗衣机不进水。分析检修:此现象说明CPU供电复位及时钟振荡电路基本正常,一般是市电检测电路异常:一是CPU的③脚无50Hz时基信号输入,程序失去计时基准信号而不能继续工作;二是CPU的⑦脚检测到市电异常,多为VD2开路、C5击穿RP1不良或失调,从而造成CPU误判市电电压高于260V或低于170V而停止工作。
例3:按启动键后,洗衣机进水不止,且不能执行下一步洗涤程序。分析检修:该故障通常由进、排水电路失常引起,主要原因有:一是CPU 的25脚收到水位信号始终达不到设定水位,检查RP3,水位传感器气囊是否漏气、推杆是否变形或可变电阻RS是否损坏;二是排水阀yv2不关闭,造成桶内不存水,达不到预定水位,这是VT5.VS5击穿漏电或阀芯有异物所致;三是进水阀yv1不关闭,这是因VT4、VS4击穿漏电或进水阀已损坏所致。
例4:不加热或加热不停。分析检修:此故障与水温检测电路和加热输出控制电路有关。CPU 的26脚收到的水温检测信号异常,使CPU误判为水温未达到洗涤要求(加热不停)或水温已超过设定温度(不加热),此时多为NTC热敏电阻性能变差,校正电位器RP2有问题,基准参考电压管vT11不良,运放IC2-1、IC2-2及外围元件有损坏,或者是加热器EH异常。EH不加热的原因有:CPU的12脚开焊,R20和R21开路,VT6及VS6损坏,继电器K线圈开路或常开触点K-1接触不良,温控器ST常闭触点不能复位闭合。EH加热不停则故障原因与不加热相反,多为VT6、VS6击穿漏电、K-1触点及ST触点粘连不能分断。
例5:显示异常,但洗衣机工作正常。分析检修:该故障仅与显示电路有关,可能原因有:若缺少位驱动信号,则SM1~SM3某位数码管不亮或LED1~LED7均不亮。先检查CPU的41~44脚,R26~R29、VT7~VT10,若三位数码管同一笔段均不亮,如a笔段及LED7不亮,则是因CPU的囝脚或R30脱焊开路引起;若LED1~LED7中某一发光管不亮或仅某位数码管不亮,则是不亮的发光管或该笔段发光管损坏。

网友评论