接修一台美的C21-SK2102型电磁炉,无法开机。该机主板型号为TM-S1-01A-A。检查整流桥及IGBT管在路阻值正常,保险管正常。为防止爆机,拆除加热线圈后上电有“嘀"音,检查主板上的+5V、+18V电压正常,但按“开机”键无反应。拆下灯板检查,发现除“开机"键外,其余按键已被前维修员拆除。断电测“开机”键良好,灯板各电阻阻值与标示一致。测量灯板控制块MC2102D的电源端、地端与主板各连接线均正常,主板上的几只大电容也正常。因手头正好有美的5线接口灯板,各接口标示与此主板相同,接上后试机,能够开机,接上加热线圈试机,加热正常,确认原机灯板有故障。
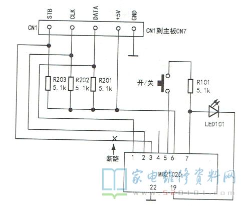
检查原机灯板线路,如图1所示,发现插座CN1中的STB端与MC2102D③脚断路,飞线连通后开机正常。补齐灯板上所有按键后试机,各功能均正常,至此故障排除。

网友评论