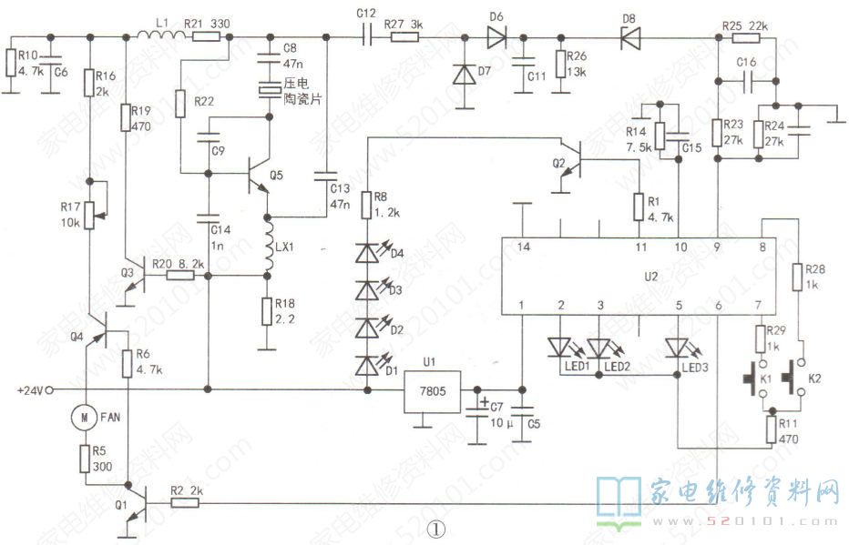
NMB-3型空气加湿器是一款用于增加房间湿度的家用电器,其实绘电路如图1所示。该机外接24V直流供电,经U1稳压后输出5V,供给芯片U2的(型号被抹去)①脚。D1~D4是一组照明灯。按下K1时,U2的①脚输出高电平,Q2导通,D1~D4亮。K2是启动及定时选择按钮,按一下开机,LED1亮,连续工作1小时后关机;再按一下,LED2亮,连续工作2小时后关机;再按一下K2,连续工作时间增加1小时(最长为6小时),LED1~LED3全亮。
当按下K2键时,U2的⑥脚输出高电平,Q1导通,风扇(FAN )运转;此时Q1的c极为低电平,其c极电流通过R17、R16、L1、R21、R22加到Q5的b极,Q5和外围元件组成一个高频振荡器,接在其c极上的压电陶瓷片在交流脉冲驱动下开始工作。
C12、R27对交流脉冲取样,D6、D7对取样电压整流,整流后的电压经C11滤波、R26分压。如果由于某种原因导致交流脉冲电压过高,当取样电压过高击穿稳压管D8时,U2的⑨脚变为高电平,U2的⑥脚变为低电平,机器停止工作。Q3及R18~R20组成高频脉冲振幅稳定电路,R18对流过Q5的电流进行取样,若流过Q5的电流过大,当R18两端的取样电压达到Q3的导通电压时,Q3导通,通过R19对Q5的b极偏置电流进行分流,由此减小振荡强度,从而达到稳定振幅的目的。

网友评论