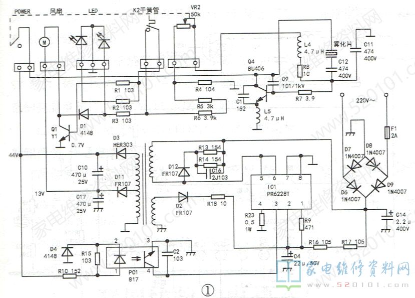
德尔玛DEM-F320LS超声波加湿器采用电源芯片PR6228T。该芯片外围元件少,工作温度宽,功率18W ,采用DIP-8封装、高集成、低成本,是一款电流模式PWM功率转换电路,内置650V高压MOSFET ,具有过压欠压保护及vDD电压钳位功能,还采用频率抖动技术以改善EMI特性,并会根据负载变化自动进入MODE与PFM工作模式。PR6228T 各脚功能及电压、电阻值见表1,整机实绘电路如图1所示。

一、工作原理分析

      220V市电经保险丝F1、D6~D9全桥整流.C14滤波后分两路送出:一路经开关变压器的主绕组送到PR6228T的⑤、⑥脚(即内部MOSFET的漏极),另一路则经R17.R16降压后给电容C4充电,当C4两端电压达到14.8V时,IC1启动,开关变压器的副绕组感应出电压,经D2整流R18限流、C4滤波所得直流电压送给IC1②脚,以替代启动电压。当某种原因使IC1②脚电压低于9V时,IC内部控制电路关断芯片进入到再次启动状态。

      保护电路在电路正常工作时,光耦PC1中的发光二极管正常发光,光敏接收管输出约1.59V的电压,送给IC1的③脚(反馈端)与④脚(SENSE)的外接电阻R23组成电流采样输入电路。芯片内部的PWM控制器的占空比由③脚的反馈电压和④脚(SENSE )的检测电压共同决定。一旦电路出现异常,电源芯片的过压、欠压过流等保护功能就会立即动作,进行保护。

二、故障检修实例

       故障现象1:全无。分析检修:检测发现F1熔断,D6、D7击穿。测IC1各脚对地电阻值及外围元件均无异常,更换以上损坏元件后试机,故障排除。

       故障现象2:全无。分析检修:用电阻法测试后发现F1熔断,D6~D9击穿,IC1表面有裂缝,R23已断路。将上述元件换新后试机,红色指示灯一亮一灭,测得IC1的②脚电压在8V~14V之间波动,C10正极对地电压在9V~15V间波动( 正常值为44V),C17两端电压在6V~10V间波动,看来电源芯片外围元件仍有故障。检查IC1②脚外围元件发现供电电阻R18已由10Ω变大到100k。因手头无贴片电阻,换用一只1/8W的10Ω金属膜电阻后,IC1②脚的电压稳定在15V,但C10.C17处的电压只有少许的提升,还是不稳定。经查IC1的⑦、⑧脚与电源的地连接铜箔已断。IC1用飞线将其连接后试机,故障排除。

       故障现象3:整机电压正常,不加水时红灯亮,当加水适量后带磁的浮子上升,干簧管吸合,绿灯亮起,风扇运转。但不起雾,调气雾电位器无效果。分析检修:测试雾化驱动管Q4的c极电压为正常值44V,但b极电压为2V,显然不对,正常时其b极电压应为负压。测试相关元件均正常时,此时测得Q4的b级电压为-1.3V。代换Q4后试机,故障排除。