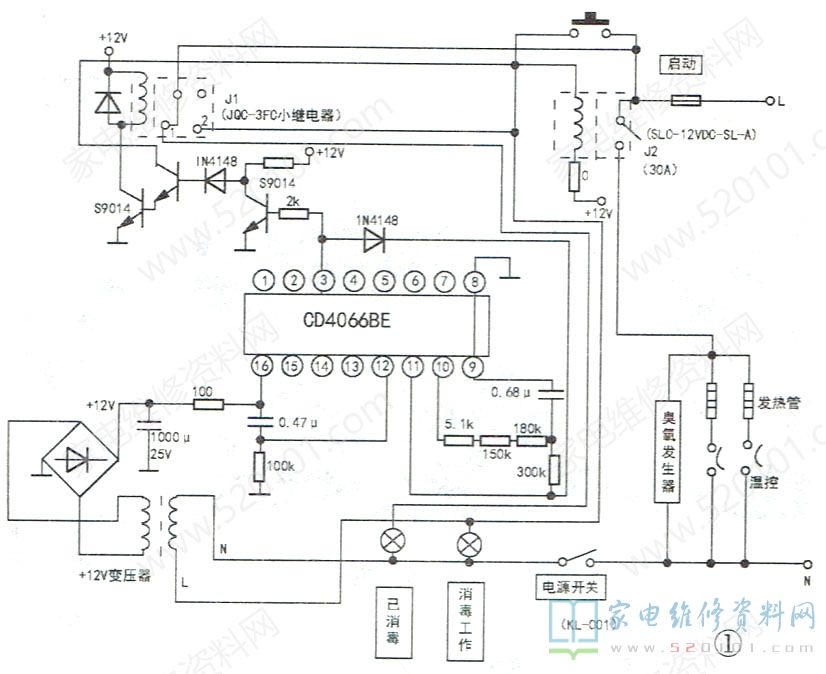
一台商用康庭YTP638A1-KT4型双门消毒柜,上电后一直消毒加热,不停机。上电试机,按“启动”键后,主板上的继电器吸合,柜内两边红外石英发热管开始工作,达到-定温度后发热管熄灭(温控器起跳断电),待温度降低到一定值时又再次加热,约2小时仍不停止工作。判断问题出在主板上,相关电路如图1所示。

      上电后,按“启动"键,12V变压器得电工作,集成块CD4066BE的③脚输出低电平,则继电器J1(JQC-3FC)吸合,“0”、“2”接通,消毒工作灯亮,启动键处于自锁状态。同时,30A继电器J2(SLC-12VDC-SL-A )吸合,红外石英发热管通电工作。当定时时间到后, ③脚输出高电平,J1"0”、“1”接通,“已消毒”灯亮,同时J2断开,红外石英发热管断电。检查上述电路,发现CD4066BE ③脚输出电阻(2kΩ )开路,换新后试机,故障排除。