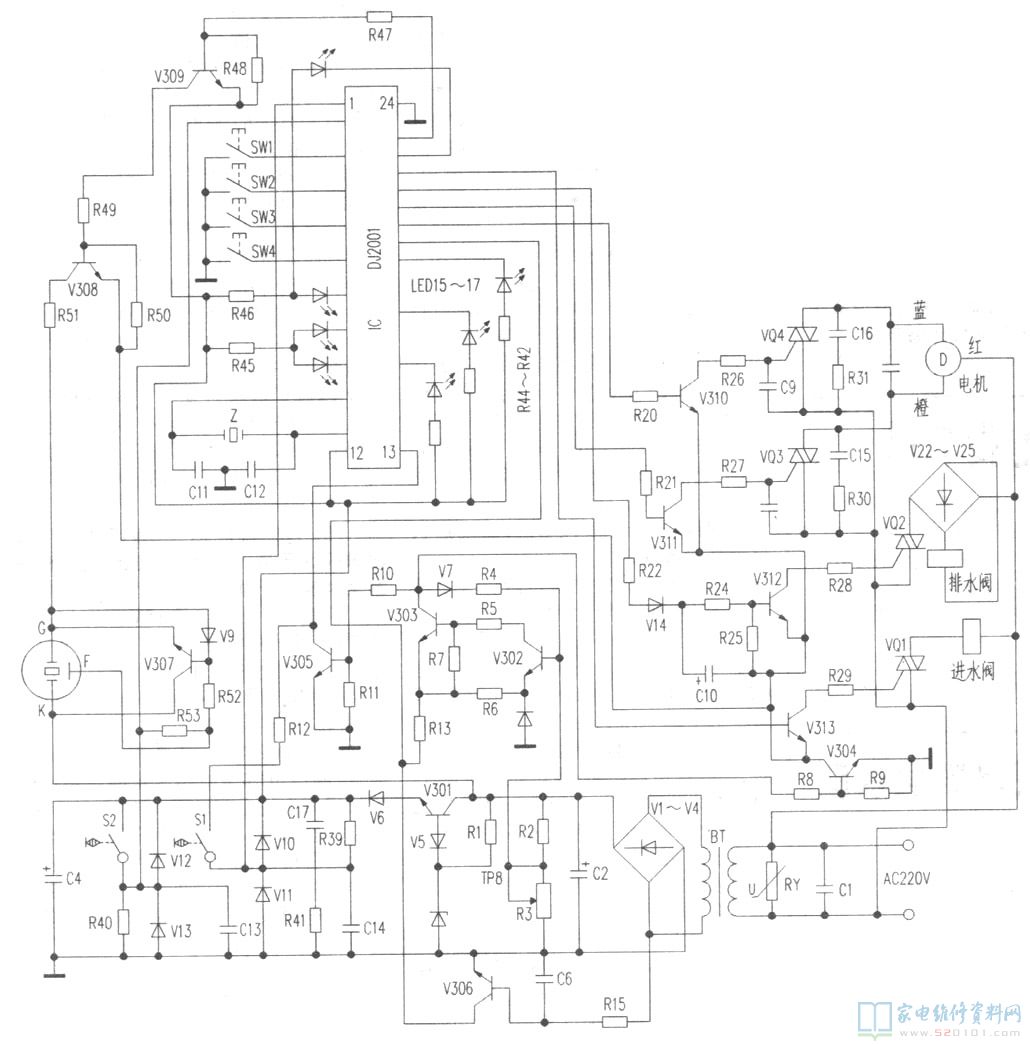
小天鹅XQB-8型微电脑全自动洗衣机控制电路如图所示。

一、电路原理

市电经变压器BT变压后经V1~V4整流、C2滤波,由V301等组成简单串联稳压电路,并从V301射极输出稳定的5V电压送到DJ2001 12脚。
三极管V302、V303组成的触发器受电阻R3上电压大小的控制。当市电压低于178V时R2/R3的分压电压不能触发V302正偏导通,使V303截止,触发器不翻转,使V304也截止,这样,切断了V310的地端,从而关断可控硅,电机不转,实现低压保护。同时V305也受触发器的控制在低压保护时,V305送给DJ2001 13脚呈高电压,程序不执行,微处理器DJ2001无脉冲输出,可控硅均不导通。
V306集电极的过零同步方波信号送到DJ2001 17脚,经程序分配后通过V311、V312、V313放大后控制相应的可控硅导通,从而完成过零触发。由V312、R24、C10组成积分电路;使脉冲触发变成直流触发方式,以消除排水阀噪声。三极管V307、V308、V309组成声响回路,V308作功放开关,并受控于V307的开关状态,当V308、V309导通后,压电片得电振动,并有V307的导通截止形成断续的音频振荡声响。
由DJ2001的⑩脚、11脚、石英晶振Z产生500kHz频率,由DJ2001的①脚和②脚上的R40、C13、R41组成自动复位电路;V10~V13为DJ2001①脚、②脚的正反保护;R39、C14用来防止因安全开关S1抖动引发的误动作。

接通电源后,微处理器复位电路自动复位,当按下选程开关(SW1)后,程序处于等待状态,当按下暂停按钮SW2后,低电位被巡检,程序执行。如果正常,全自动洗衣就应自动打开进水阀灌水,当水位到达选定位置后,压力开关S2闭合,微处理器DJ2001②脚呈高电位,电机得电工作。


二、 故障检修
【例1】接通电源,电源指示灯不亮,按动按键无效。
检修:首先检查电源稳压部分正常,查DJ2001①脚为高电平,说明保护电路已起控,查178V的低压保护电路,测TP8端取样电压3.4V正常,测V302 c—e极为0.8V,说明V302已导通,测V304基极为低电平,于是拆下V303测量发现已损坏,找一个新管换上故障排除。
【例2】开始工作时正常,过后程序混乱。
检修:测量V310、V311的集电极电压为一高一低,关机测量三极管、可控硅均是好的。怀疑是程序干扰造成的混乱,为克服干扰,在V301的基极对地加接一只100uF/25V的电容,使稳压电源纹波降低后故障排除。
笔者遇到几例微电脑全自动洗衣机时而正常时而程序混乱,全是跟电源纹波干扰有关,这种故障应从电源滤波入手加以排除。
【例3】进水不停。
检修:开启电源后开始注水,到达预定水位后,仍然进水不止,说明注水阀和可控硅是正常的,故障可能发生在驱动管V313上,在正常情况下V313的基极电压应大干1V,集电极电压应在0.6V左右;洗漂时基极电压在0.6V左右,而集电极电压应在5V左右。测量发现,当出现故障时,基极和集电极电压始终在0.6~0.7V,故造成可控硅始终导通,更换V313后故障排除。
【例4】波轮只能单方向转动。
检修:观察电机只能单方向转动,说明故障在控制电路,在电机工作时测电机红线端和橙线端有220V电压,而测蓝线端和红线端始终无电压,顺着电路查出R26、V310损坏,更换上述元件后,故障排除。