一、电路工作原理
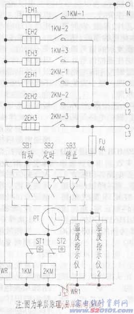
该电烘炉电路原理图如附图所示,全电路由加热主电路和控制电路两部分组成。
加热主电路采用交流三相380V供电,主要由两组远红外电热管1EH1、1EH2、1EH3、2EH1、2EH2、2EH3和两组交流接触器主触点1KM-1~1KM-3;2KM-1~2KM-3组成。两组电热管分别采用Y型连接形式,其零电位接至交流电源的零(N)线。
控制电路采用交流单相220V供电,它由熔断器FU,互锁式琴键开关SB1(自动)、SB2(定时)、SB3(停止),定时器PT,调温器ST1、ST2,交流接触器1KM、2KM,过热断路器。WR,温度指示仪1和温度指示仪2等组成。控制过程如下:
1.自动控温
接通电源后,按下自动开关SB1则自动加热,将ST1、ST2调至所需的烘烤温度,交流接触器1KM、2KM线圈得电吸合,主触点1KM-1~1KM-3、2KM-1~2KM-3闭台,接通加热丰电路电源,电热管1EH1~1EH3、2EH1~2EH3发热,当炉温升到设定温度(温度指示仪1、温度指示仪2分别指示出实际炉温)时,ST1、ST2触点自动断开,切断控制回路电源,1KM、2KM释放,1KM-1~1KM-3、2KM-1~2KM-3复位断开,加热器停止加热。当炉温降低后,ST1、ST2触点自动闭合接通电源,烘炉又进入新一轮加热,如此自动恒温烘烤食品。手动SB3即断开电源。
2.定时控制
按下定时开关SB2,SB1则自动复位,定时控制电路处于待命状态。将PT调至所需要的烘烤时间,定时开关闭合接通电源,烘炉即为自动控温,控制过程如前述,不再赘述。当PT倒计时结束时,定时开关断开,整个烘烤过程完成。
若中途要停止烘烤,按一下停止开关SB3(SB1或SB2自动复位)即可。电路中,FU、WR是安全保护元件,若电路出现短路故障,FU自动熔断。当调温器失灵而导致炉内温度比烘炉的最高使用温度(300℃)高出60℃时,WR1自动断路,从而起到安全保护的作用,检查、排除故障后,烘炉即可正常工作。
二、常见故障检修
1.烘炉不工作
如果检查电源进线接头正常、电源闸刀无损坏,则大多数是FU接触不良或熔断。拧出熔断器,清除芯子两端氧化物,再适当调整簧片压力使之下常接触。若FU熔断说明电路发生短路故障,重点检查1KM、2KM的线圈有无短路,更换损坏件后用4A芯式熔断器更换,故障即可排除。
2.按SB1或SB2失灵
通常是琴键开关本身有故障,检查相关导线接头足否脱落、触点是否氧化烧蚀,其次检查开关压簧压力是否变弱等。苔互锁开关损坏,一般不易修复需更换。
3.炉温不均匀
首先测量L1、L2、L3交流电压,若正常。判断故障在烘炉。重点检查电热管1EH1~1EH3及2EH1~2EH3的主触点有无烧坏。
4.漏电保护开关跳闸
检查加热主电路、控制电路连接导线是否脱落与金属外壳接触。若正常,则是电热管个别管子击穿所致。
 
				
网友评论