概述:LD7575是一款电流模式PWM控制器,它具有良好的节电性能,它一般用作于液晶电视中的开关电源电路、电源适配器等设备中。LD7575采用高压电流源直接从大容量电容器中提供启动电流,进而提供无损启动电路。其内部集成了电流传感的前沿消隐、内部斜率补偿和小封装等功能,为用户提供了高效率、最小外部元件数量和低成本的交直流电源解决方案。此外,它还嵌入过电压保护、过载保护和绿色模式控制等方案。LD7575有SOP-8和DIP-8两种封装工艺,LD7575可以和LD7577互换。
一、LD7575功能和特性
*高压(500V)启动电路
*电流模式控制
*Non音频噪声绿色模式控制
*UVLO(欠压锁定)
*LEB(前沿消隐)在 CS引脚
*可编程开关频率锌内斜率补偿
*Vcc上的OVP(过压保护)
*OLP(过载保护)
*500mA驱动能力
二、LD7575引脚功能
三、LD7575引脚实测电压参考
脚位 符号 功能 实测电压(V)
1 RT 外接频率设置电阻 1.4
2 COMP 反馈电压输入端 1.9
3 CS 外部电流控制输入 0
4 GND 接地 0
5 OUT PWM脉冲驱动输出 0.5
6 VCC 供电 16.1
7 NC 本机未用 0
8 HV 启动供电端 320
四、LD7575内部方框图
五、LD7575应用电路
1、典型应用电路
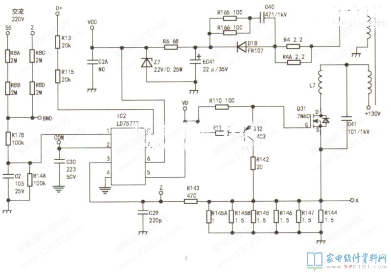
2、MPS30D-2MA 240电源板电路图(LD7577R,供参考用)
3、在TCL 715T1852-1电源板中的应用电路

网友评论