概述:GJRF400是Gran-Jansen公司研制的单芯片RF收发器。它为四面44脚封装。它集成了调制解调发送接收射频信号的功能,其核心工作频率为433.92MHz,采用FSK(移频键控)调制方式,最高码率可达19200bps。
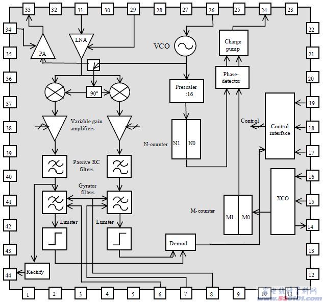
四、GJRF400内部模块讲解
GJRF400的内部电路可分为发射模式和接收模块两部分。
GJRF400的发射模块包含一个PLL(锁相环)频率合成器和一个功率放大器。其频率合成器由VCO(压控振荡器)、晶振、预分频器、可编程分频器以及相位检测器组成。其环路滤波器由芯片外围电路实现。VCO是标准Colpitts振荡器,其谐振器和变容器亦由外部电路来实现。同时还可利用外部电路来控制选择压控振荡器或晶振以实现FSK调制。GJRF400的频率合成器内有一个N倍频器和一个M倍频器。在低比特率的应用中(100bps左右)。FSK调制可利用这两个倍频器进行切换以改变倍频系数。N、M寄存器的长度分别为12和10比特。在所有类型的FSK调制中,被调制数据由DataIXO端口输入。
当GJRF400工作在接收模式时,锁相环频率合成器产生本地振荡信号,决定振荡频率的N、M值分别存储在N0、M0寄存器中。为了便于低功率低通滤波器在信道滤波中的应用,接收器以归零码方式工作。接收器含有一个低噪声滤波器,此滤波器可驱动一个正交混合器对,并输出两路具有90度相位差的信号。每一路都含有一个可变增益放大器和一个无源低通二阶RC滤波器。这个滤波器可以保护后级的反馈滤波器免受邻近信道信号和限幅器的干扰。由反馈电容实现的五级椭圆低通滤波器构成了主信道滤波器,其截至频率可由外部电阻调节。解调器可对I信道和Q输出进行解调,以生成数字信号输出。另外,解调器还钭对I、Q信道的相食糖差进行比较:若I落后于Q,则FSK频率大于本地晶振频率(解为‘1’);若I先于Q,则表明FSK频率小于本地晶振频率(解为‘0’)。解调后的信号输出到DataIXO端口。
五、通过串口对GJTF400编程
对GJRF400的编程是通过一个三位总线来实现的,即DataIXO,CLOCk和Load。DataIXO是双向数据流端口,发送数据、接收数据以及对电路编程均通过该端口。控制信号从Clock和Load进入,可用串口方便地对其编程。GJRF400在编程时允许对分频寄存器的上电控制。编程接口含有59位寄存器,最高位数据首先由DataIXO进入,第一位是P1,最后一位是P59,表1列出了编程接口的寄存器位(即控制位串),表2是对各位涵义的描述。
表2 编程接口寄存器位的涵义
寄存器位 涵 义
N1 分频寄存器N1,12比特
N0 分频寄存器N0,12比特
M1 分频寄存器M1,12比特
M0 分频寄存器M0,12比特
BypassLNA 为1时绕过低噪声放大器
RxOutD 为1时表示或Q信道的数据输出在端口BxOutD上已被激活
RxOutD-S 为1时选择I信道上的数据作输出;为0时选择Q信道上的数据作为输出
Fc0 设置RC滤波器截至频率的位
Fc1 设置RC滤波器截至频率的信
RecSel 为0时校正器用以校正I信道反馈滤波器的输出;为1时校正器用以校正I信道RC无源滤波器的输出
RxOut 为0时反馈滤波器的输出在IChOut和QchOut端口被激活;为1时RC无源滤波器的输出在IchOut和QchOut端口被激活
BiasS 为1时表示I和Q信道的低通滤波器共用同一偏置电路Vb-lp1;为0时表示I和Q信道的低通滤波器使用不同的偏置电路Vb-lp1(I),Vb-lp2(Q)
GmBias 为1时表示FSK频率偏移大于35kHz;为0时表示FSK频率偏移小于35kHz
Mod1 Mod1=Mod0=0:为无调制;Mod0=1:为FSK调制,可通过切换分频系数实现
Mod0 Mod1=1,Mod0=0:应用于压控振荡器上FSK的调制;Mod1=1:应用于晶振上FSK的调制
R-T 0表示接收模式1表示发送模式
Pd 0表示上电;1表示断电
利用压控振荡器或晶振实现FSK调制时,锁相环用N0、M0寄存器分频。当Mod1=0,Mod0=1时,可通过初换锁相环中的分频系数来实现调制。切换是由DataIXO来控制的。当DataIXO=0时,锁相环用N0、M0作分频系数。当DataIXO=1时,锁相环用N1、M1作为频系数。这样就实现了低比特率的调制。
N和M可以用下式进行计算:
fc=fxco/M=fRF/16N
式中,fc为参考频率
当fRF=434.18MHz,频率偏移为±10kHz,fxco=10.00MHz时,利用晶振调制时的控制串如下:(最高位在左):
发送:010100100111 010001000000 0111100110 0110010001 000010101010110
接送:010001110001 010001110001 0110100011 0110100011 000010101010100
59位的控制字首先被读到一个缓冲寄存器中,然后由Load口的脉冲触发将其再读到一个并行寄存器中。从而使电路进入一定的模式(发送或接收模式)。电路在新工作模式下进入稳定状态需要一定的时间(例如将频率合成器锁定到特定频率所需的时间),此时下一个控制字将进入缓冲寄存器。在发送模式下,当下一个控制字被锁定到缓冲寄存器中时,功率放大器被激活。芯片自动计数每一位控制字,当缓冲寄存器的59位被填满时,计数器阻止后面的位进入缓冲寄存器,发送或接收数据正式开始。电路保持此状态直到下一个Load脉冲到来。维持通电时,寄存器中的值不会丢失。如断电后重新上电,则需要重置寄存器。
上图是是CLOCK、Load和DataIXO的时序图,图中的1时刻表示控制字载入并行寄存器;2时刻表示新的控制字随着时钟信号的上升沿开始进入缓冲寄存器;3时刻表示在59个时钟脉冲后,电路开始接受发送或休眠。这时DataIXO脱离Clock脉冲的控制。
3 建立工作过程的步骤及注意事项
GJRF400的建立工作过程如下:
(1)上电,发一个Load脉冲以设置内部计数器。
(2)59位的控制字随着59个时钟脉冲进入缓冲寄存器。
(3)一个Load脉冲将59位控制字从缓冲寄存器读到控制寄存器,电路开始稳定。
(4)下一个59个控制字进入缓冲寄存器,然后电路开始按上一个控制字设置的状态工作。
(5)接收模式:在分析DataIXO上数据之前要先待11ms(电路稳定时间)。
(6)发送模式:等待1lms允许功率放大器建立参考电流,并再等4ms以使建立的输出功率达到稳定值。
发送模式:在建立输出功率达到稳定值时,需产生10101010的比特波以使控制环路的直流电平处于中心。
(8)发送模式:当需要改变频率或改变工作模式时,在发送Load脉冲之前先要断掉功率放大器的参考电流并等待4ms。






网友评论